Проблема с автозапуском лада Веста ng мкпп 1,6 25 года. заводится и гохнет через 5 сек.
Всем привет имеется в наличии лада Веста нг объемом 1.6 на механике приобреталась в Санкт Петербурге у дилера парнас. После обновления прошивки блока и возможно некоторых переключении(попытка включить мягкую посадку) появилась следующая проблема. Происходит автозапуск но по истечении от 5 до 30 секунд автомобиль глохнет на брелке загорается надпись неуд. Время работы в автозапуск ее зависит от положения бегунка время работы стартера в секундах на вкладке запуск двигателя. в приложении старт мастер то есть если установлено 5 секунд то работает 5 секунд если 30 то работает максимум 30 секунд и глохнет. При нахождении автомобиля в момент автозапуска панель приборов не горит печка не работает. Обращался к дилеру. помощи нет поскольку нахожусь от него в 800 км приезжать не вариант.
Гибкая логика.
Здравствуйте. Заинтересовала такая функция, включение аварийки при включении заднего хода. Настроил гибкую логику, но функция не сработала. Скажите пожалуйста где ошибка?
Помогите настроить Haval H9 19года китаец
Проблема после простоя в охране более 5 минут. Снимаю с охраны (не важно штатный брелок или приложение). Двери открываются в приложении показывает снятие. Сажусь в автомобиль, нажимаю на тормоз, после нажатия кнопки запуска. Двигатель запускается защелкиваются замки дверей и сигнализация становиться в охрану. Поступает звонок от сигнализации. В статусах постановка в охрану штатный брелок. Авторизации все выключены. Автозапуск работает. Куда копать?
Прошу помочь с подключением м36.
Здравствуйте. Помогите пожалуйста со схемой установки м36 на Дискавери 3 2006 года, дизель. Вебасто установлена штатно, с управлением по CAN-шине. В схеме на сайте м36 рассматривается управление через мини таймер. А мне хотелось бы без него. Возможно это или нет?
ягуар xe 2015 года
Здравствуйте всем, ягуар ХЕ, ЗАЯВЛЕН штатный автозапуск, но обход иммо нет. Это как?
Мягкая посадка Nissan Qashqai j11
Всем привет! Nissan Qashqai j11 2015 года (британец) комплектация с ключом. На дилере установлена StarLine s96 v2 gsm gps. Изначально отсутствует мягкая посадка.
Подключился с помощью старлайн мастер обновил ПО до 2.42.2 и скачал последнюю версию CAN. Если включить функцию мягкой посадки, то на приборке горит красный ключик (иммобилайзер). При этом в остальном машина работает корректно, никаких дефектов не замечено.
На сегодняшний день не существует решений для того чтобы лампочка не горела? Или проще смирится и забить?
Granta cross 25 года + s96v2bt
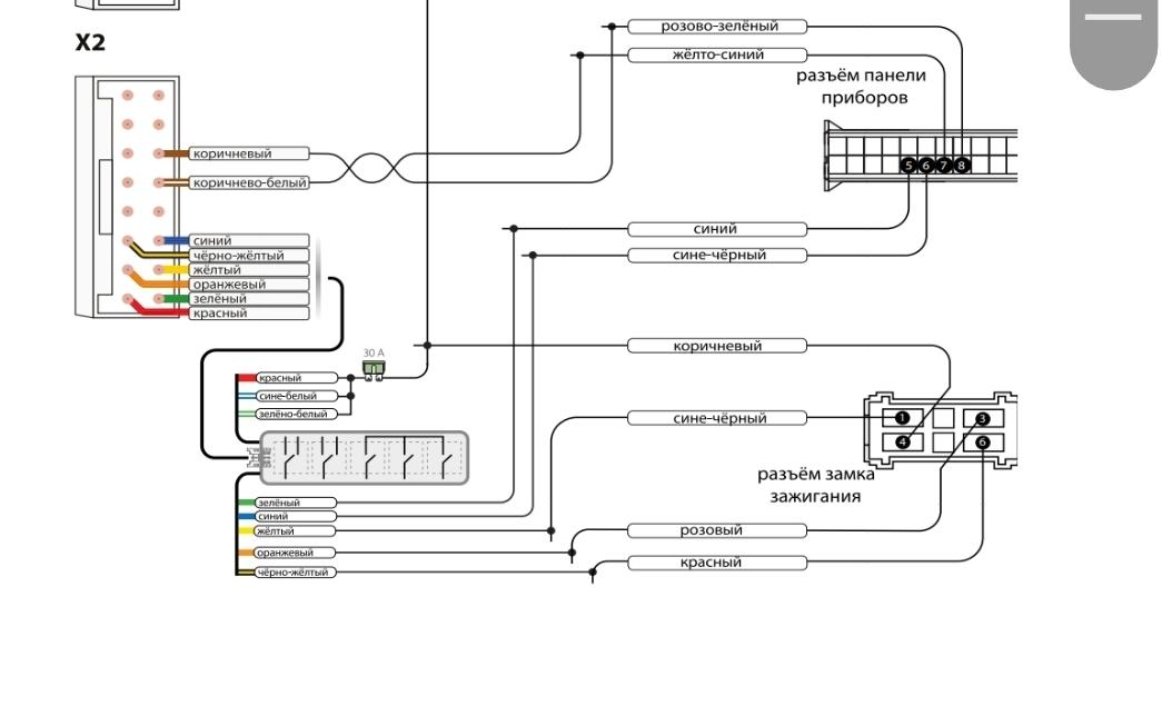
Всем привет. Устанавливаю сигналку сам. Дело близится к концу. Но столкнулся с проблемой.
Собрал силовой модуль по этой схеме

взята с сайта старлайн инстал для автомобиля lada granta 2025.
но, прежде чем подключить зеленый и синий провод к проводам приборки, проверил что у меня на приборке на синем и сине-черном проводе висит - (проверил мультиметром). Глянул схему силового модуля и понял, что в момент подачи сигналкой на этот силовой модуль сигнала о включении аварийки, у меня просто напросто будет коротыш. Ибо в приборке -, а на синем и зеленом появится +.
Толи я не правильно понял принцип действия этого реле (хотя вроде все понятно там) толи там косяк в схеме.
Подскажите кто знает, куда и как подцепиться чтоб аварийку подключить?
Постоянно пропадает сеть StarLine E96 BT ECO с GSM+GPS Мастер 6
Доброго времени суток.
Автомобиль Focus III 2013 Titanium 2.0 АМТ с кнопкой старт-стоп , установлена сигнализация StarLine E96 BT ECO с GSM+GPS Мастер 6, оператор МТС. Постоянно пропадает сеть, приложение пишет, что автомобиль не в сети, на номер не дозвониться, как при выключенном телефоне. Автомобиль появляется в сети после запуска двигателя в течении часа, может и через минуту. После постановки сигнализации на охрану автомобиль пропадает из сети в течении 4 часов. От места парковки не зависит. В поддержку звонил, команды СБРОС, 009900, 00550 и 00551 не помогают. Как решить проблему?
Маяк M66V2 не подает признаков жизни
Добрый день!
Приобрел маяк M66V2 в состоянии "как есть", только сам маяк. Не понятно как проверить работоспособность (сим карты под рукой нет) - на плате нет светодиодов, при подключении по USB в диспетчере ничего не появляется и Starline Master его не находит. Внешних повреждений на плате нет. Подскажите, как его можно проверить, или отправить на диагностику? Заранее спасибо.
ЛЕКСУС nx200
Всем добрый день . Подскажите пожалуйста ЛЕКСУС nx200 2021 г выпуска до рестаил . Сигнализация старлайн s96v2 какие провода нужно подцепить к машине от силового блока для автозапуска и куда? Я как правильно понял ключи не придеться топить, все будет через CAN шину работать?
Интеграция can lin модуля в базовую А93 v2
Всех приветствую!
Сразу вопрос в студию: при апгрейде базовой А93 v2 модулем 2 can + 2 lin v10 должна ли на экране мастера отображаться сигнализация с доп модулем? Просто у меня модуль отдельно при подключении работает, а через основной блок - нифига. И не работает в принципе на автомобиле. Никак.
И вот, собственно, может необходимо просто где-то доставить галочку, однако я не нашёл в настройках ничего подобного. Как будто нужно менять прошивку сигнализации и говорить ей, что она теперь кановая...
Для контеста чуть больше информации:
Столкнулся я как-то с апгрейдом базовой А93 2 версии кан модулем (а именно 2 can +2 lin v10). Таковой мне перепал в состоянии "с коробки в пакетике" и всё ждал момента
И вот, он наступил. Заехал автомобиль Рав 4 на установку, вот только человек купил версию без кан модуля. Ну, думаю доустановлю свой, что ему без дела лежать... А вот и нифига))
В общем то, модуль вроде как рабочий, абсолютно новый, подключаю через micro USB к компу, всё читается. А вот при подключении уже основного блока через программатор видим, что на экране отображается просто А93 (нету доп модуля якобы)
И действительно, модуль не работает абсолютно. Однако отлично читается мастером, меняются настройки и т.д.
Подумал подумал, решил просто взять из "доноров" А93 изначально кановую и всё заработало, клиент уехал, а вот вопрос и интерес остался, в чём же беда
И вот, буквально сегодня, решил таки поставить на свою рабочую приору тот самый А93, который я забрал себе после неудачной попытки установки. Выбрал в модуле нужный профиль и настройки (хоть и их там немного, но геморроя убирает оооочееень много. Кто ставил на приору по аналогу - тот поймет))))
В общем - результат тот же. Ни ответа, ни привета
Прошу людей более опытных и осведомлённых поделиться своими соображениями, как быть, куда думать и какие тесты проводить (машина моя и не торопит совсем)
На экране не появляется никаких пиктограмм
Такая же ерунда. Ставил новые батарейки, не помогло. На экране не появляется никаких пиктограмм/сообщений, но несколько раз за вечер-ночь брелок издаёт звуки. Совет, конечно, шикарный - сфотографировать/записать/поехать к дилеру. как????
Nissan Qashqai J11 (2021год) кнопка Старт-Стоп + E96v2 GSM/GPS вежливая посадка
В статье SLAVE и мягкая посадка при автозапуске есть информация по моей машине (вежливая посадка не возможна), но хотел бы точно уточнить действительно ли это так? (мало ли, что то изменилось)
Просто у меня если автозавод был сделан с заводского ключа, то открываешь дверь, садишься, нажимаешь "Тормоз" и кнопку "Старт-Стоп" то вежливая посадка работает (двигатель не глохнет), но если делаешь автозавод со Starline, то при нажатие педали тормоз и кнопки старт-стоп появляется такая вот картинка.

Бесшумное снятие с охраны
По тройному нажатию кнопки 2 охрана снимается, ЦЗ открывается, но через пару секунд звучит длинный сигнал. Как от него избавиться?
Никаких индикаций нет, в режиме охраны срабатываний небыло.
А ставится бесшумно норм.
Прошивка и карты монтажа на Infiniti fx37
Здравствуйте, нету прошивки сигнализации с 96 авто с акпп . В картах монтажа есть только авто с МКПП . Таких вообще не существует . Возможно ли использовать прошивку от qx70 ?и почему нельзя реализовать мягкую посадку на Infiniti ?
Starline A96 BT 2can+2Lin GSM возможно ли дооснащение модулем 868MHz
Приобрел б/у авто Фольксваген, установлена Starline A96 BT 2can+2Lin GSM. Сигналка управляется со штатного брелка автомобиля и со смартфона, но не моего. Связаться с 1-м владельцем не возможно (пропал без вести), какой номер телефона был у владельца главным номером М1 - не известно. Сервисного кода от сигналки тоже нет.
Думал выкинуть СИМку из сиги и прописать пару брелков, но в сиге нет модуля 868МГц.
Вопрос: получится ли дооснастить в такой ситуации А96 этим модулем и где его приобрести?
Обращался на горячую линию - отправили к официальному установщику. Официальный установщик не помог.
starline e66bt устройство LOAD96 не разрешило подключение при сопряжении смартфона
Пытаюсь соединить смарт с программой Starline master с E66BT. телефон блок находит, но не сопрягает, выскакивает окно типа устройство LOAD E96 не разрешило подключение. Что делать?
отключить автозапирание самому
Здравствуйте, подскажите, пожалуйста, как можно отключить автозапирание самому или где найти информацию об этом?
Мигание аварийкой 3 раза перед автозапуском
Здравствуйте. Вопрос к разработчикам! Почему после подачи команды на АД/ДЗ перез тем как начал крутить стартер сигнализация стала 3 раза моргать аварийной сигнализацией. Ночью автомобиль на весь двор всем сообщает, что я завелся! В настройках автозапуска стоит замок зажигания, если поставить запуск по can (работает всего 10 минут и мягкая посадка после 4 минут не работает) то аварийка не мигает. Обращался в вашу службу поддержки, с их слов так работать не должно, обещали проверить прошивки can и блока, обратной связи нет. Сделайте возможность выключения мигания аварийной сигнализацией в настройках. Автомобиль Chery tiggo 7 pro max AWD 1,6 2023 года выпуска.
Ford Explorer ошибка B108A:01-8A по кнопке при успешном автозапуске. StarLine A9 (93)
Добрый день.
У меня установлена сигнализация StarLine A9, которую около 6 лет назад в сертифицированном сервисе в Новом Уренгое доукомплектовали (установили автозапуск, GSM-модуль и GPS-антенну). Автозапуском пользовался редко, так как автозапуск вызывал ошибки: автомобиль сигналил клаксоном и зажигал на панели приборов значок ключа.
Спустя годы я случайно наткнулся на инструкцию по установке, где была конкретно описана процедура обхода проблемы с активацией иммобилайзера (TRMS) при трёхкратном моргании поворотников во время запуска. Стало очевидно, что установщик отнёсся к работе спустя рукава и не подключил реле обхода. Эту проблему я устранил самостоятельно в гараже, собрав схему из инструкции.
А вот с подключением кнопки «Старт-Стоп» остались вопросы. Непонятно, как правильно её подключить, чтобы авто не выдавало ошибку (код B108A:01-8A). У меня есть предположение, что установщик подключил только один провод, тогда как по инструкции их должно быть два. Не могу найти саму схему для этого подключения.
Или, возможно, проблему следует искать в неправильных настройках программирования сигнализации? При этом сама сигнализация заводит автомобиль.

Состояние дверей a93v2
Здравствуйте, такая вот проблема, после поездки глушу машину, выхожу, закрываю дверь и ставлю на сигнализацию, машина сигналит 4 раза, щелкают замки, на брелке показывает что дверь открыта и тут же опять щелкают замки и на брелке показывает что машина встала на охрану и всё хорошо, всё это происходит в секунду. Но когда машина заведена на прогреве или с ключа, когда открываешь и закрываешь дверь, ставлю на сигнализацию она сразу встаёт на охрану и закрывает двери без всяких ошибок что дверь открыта… то есть сигнализация показывает открытую дверь когда машине не заведена, когда заведена, нет ошибок о дверях. Появилось это после того, как сел аккумулятор при долгой крутке стартера, когда отрубало всю машину из-за не хватки мощности аккумулятора. Что может быть не так?
S96v2 Обогрев сидений Chery tiggo 8 pro 2025
Добрый день! Автомобиль Chery tiggo 8 pro 2025г.в. (по ПТС) По сервисной книжке Chery tiggo 8 pro max new 1.6t DCT elite
Установлена сигнализация s96v2
Проблема: Не работает обогрев сидений через умный комфорт. В приложении индикация включается. По факту обогрев не включается. (То что нет индикации я в курсе. Физически обогрев не активируется)
Обогрев руля, стекл, изменение температуры, включение авто режима (РАБОТАЕТ)
Вентиляции сидений нет в данной комплектации.
Что делалось:
1) Перезапуск сигнализации (скидывал клемы с АКБ) - Не дало результатов
2) Настройки устройства, запуск двигателя, Умный климат. Выключал/включал Автоматические сценарии климата - нет результата как при вкл так и при выкл.
3) обновление прошивки сигнализации до 2.42.2 - не помогло
4) обновление CAN 7.2.4.89670 (8165)- не помогло
5) В настройках CAN стоит галочка на Подогрев сидений (пробовал отключить, сохранить, вклю.чить сохранить) не помогло.
Физически с приборки подогрев включается и работает. Остальные функции умного комфорта работают. В чем может быть проблема?
Работает ли в Турции с турецкой SIM-картой?
Привет. Я купил StarLine S96 v2 LTE GPS. Мой друг привезет его в Турцию. У меня к вам вопрос. Будет ли мое устройство работать с турецкой SIM-картой в Турции?
Мне нужен файл конфигурации для Auris 2012 года.
Merhaba. 2012 Toyota Auris aracım için bir yapılandırma dosyasına ihtiyacım var. Anahtar + manuel şanzıman + dizel + S96 v2. Düğmeye 14 kez basmayı denedim ama program çalışmıyor. Motor çalışmıyor. Lütfen yardım edin.
Подскажите событие ГЛ, видимое в списке событий
Здравствуйте. S96v2 2.40.3. Включены свободные руки со снятием по датчику в ручке. Возникла необходимость фиксировать факты появления и исчезновения метки в зоне видимости сигнализации (без немедленного уведомления пользователя, просто текстовый список событий с меткой времени с возможностью просмотра в любое время без необходимости выкачивать лог с самой сигнализации; с охраны авто при этом не снимается). Понятно, что программа гибкой логики на появление и пропадание метки, а вот какое действие задать, чтобы однозначно идентифицировать его в списке событий? Свободных аналоговых выходов уже нет. При отправке через ГЛ СМС в тексте сообщения присутствует имя программы, возможно сделать так, чтобы имя запускаемой программы гибкой логики выводилось и в лог событий?
Карта монтажа BMW 2 ACTIVE TOURER (F45) 2016 года
Здраствуйте не могу найти карту установки на сайте starline для BMW 2 ACTIVE TOURER (F45) 2016 года выпуска?
Skoda Octavia, 2008 -
установил старлайн а92v2 купил модуль 2can 2lin , через программу старлайн мастер обновил запрограммировал установил на сигнализацию пытался активировать и первым и вторым способом не поучается
Установка CAN модуля на плату A93 и вопрос установки
Добрый день облазил все так и не нашел нужной информации инструкции не очень обширны.
Приобрел сигналку а93 после купил дополнение 2can+2lin.
Первый вопрос как правильно ставить плату can на плату сигналки а то как угодно можно?
Второй вопрос, будет ли работать по кан, гранта норма +.
И есть вообще инструкции по грантам норм а не люксам.
Так же нужно ли подключать реле блокировки и подключать провод зажигания если есть кан вопрос что бы утввердится.
can прошит до 4.4.0
За что отвечает lin шина и кан шина можно более подробней.
Непонятка с версиями прошивок
Скажите в чем не стыковка
нумерации версий прошивок: в программе StarLine Master 3.10.6 самая
последняя прошивка для S96v2 значиться как v2.41.0 в разделе -
"Библиотека прошивок". Здесь на странице браузера (can.starline.ru) для
KIA SPORTAGE 3 написано что текущая (последняя думаю) v7.2.4. Размеры
файлов тоже разные (в принципе прямо это ни о чем не говорит, но размер в
более 20 раз различается это вносит непонимание).
Что новее в итоге? Или же v2.41.0 - сама микропрограмма, а v7.2.4 - часть с настройками? Блок не подключал к ПК (может там пункты какие то появяться в StarLine Master и станет понятней, но в мануале ничего не написано на этот счёт).
А93v2, Запуск подогревателя по таймеру
Народ, можно ли в сигнализации А93v2 включить или реализовать включение подогревателя по времени? Сейчас работает включение подогревателя+ потом запуск двигателя...хотелось бы что бы по времени включался подогреватель, потом двигатель....умеет ли это делать а93v2?
Volvo s60
добрый день . не могу с копировать ключ по функции ikey в настройках не выбирается обход иммобилайзера по canlin есть только аналоговый и по datalink почему объясните пожалуйста.
Установка Starline S96v2
Добрый день. Прошу помочь в решении проблемы в дистанционном запуске двигателя. Машина Hyunda Grandeur 2020 года, гибрид. Все соединения CAN и LIN, а также цепи запуска подключены. На сервере авто как положено работает, все показания есть в том числе запуск двигателя. Единственная проблема - не запускается дистанционно. Обучение ключа проходит успешно, но при попытке запуска ключ не видит. Если в момент дистанционного запуска нажать на кнопку Start (в этот момент на щитке приборов появляется ключик) то запуск выполняется успешно и в приложении Starline ошибок нет никаких. Все соединения произведены согласно инструкции на сайте can.starline.ru
Не работает стеклоподъёмник водителя при мягкой посадке
Добрый день, подскажите пожалуйста, по какой причине и как решить проблему, имеется мягкая посадка в автомобиль, как только садишься в авто, вставляешь ключ зажигания, то не работает стеклоподъёмник водительской двери, все остальные работают как положено, спасибо
Выбрать сигнализацию Mitsubishi L200 2019 года
Здравствуйте!
Нужна сигнализация под такие задачи:
1. С брелком и с меткой
2. Можно БЕЗ автозапуска
3. С GPS/ГЛОНАСС
4. С возможностью орать, когда нажал на кнопку на брелке (полезно в лесу, если заблудился рядом с машиной)
5. С возможностью включить Webasto Thermo Top на прогрев на сколько-то минут, хотя бы на фиксированное их количество.
6. С возможностью подключения кодового реле для пущей безопасности
Ставить буду сам.
Большая просьба помочь с выбором, третий день уже ломаю голову, какую же в итоге купить.
Заранее спасибо!
Не включается подогреватель Бинар 5s
Народ, такой вопрос: раньше стоял старый блок сигнализации А93, сейчас купил новый оригинальный блок А93v2, настроил через программу starline master, привязал брелки. Стоит подогреватель Бинар 5s, раньше не было 6 канала, по этому был привязан ко второму каналу и с брелка сигнализации запускался. На новом блоке хочу реализовать запуск двигателя после работы подогревателя (функция 17). Подогреватель переподключил на 6 канал, но при выполнении команды кнопок с брелка 1+3 запускается не подогреватель, а сам двигатель, хотя все условия выполнены. Переподключаюсь на 2 канал- с брелка подогреватель запускается...может что с настройками не так? Подскажите как правильно реализовать 17-тую функцию?

Toyota Corolla Cross
Если поставить в охрану штатным брелоком, а снимать с сигналки то машина не видит ключ по высокой частоте только по низкой до первого включения далее нормально
ESS Starline s96v2 GPS
Доброго времени суток, помогите разобраться с моргание аварийкой при экстренном торможении. Включил эту функция, но как не тормозил - морганий не было. Управление аналогом, к кнопке аварийки - как общие световые сигналы. На это может влиять отключенная отправка страховых событий на сервер в настройках телематики?
Прошивка блока 2.42.2, ES96P S
Не стартует программа гибкой логики на появление метки после стоянки
Здравствуйте. Нужна помощь!!!
Настроил программы ГЛ (№6 - №11) для управления включением\выключением выхода Х2:13.
Машину закрыл, в охрану поставил и ушел по делам\оставил на ночь\ т.д.
Подхожу к машине с меткой (должна сработать программа №6 - ВКЛ), снимаю с охраны, открываю дверь, меряю напряжение на Х2:13 = 0.
Завожу, включаю АКПП: D, затем АКПП: P (сработала программа №7 - ВКЛ), меряю напряжение на Х2:13 = 13,ХХХ.
Разбираю метку, вынимаю батарею (сработала программа №10 - ВЫКЛ) , меряю напряжение на Х2:13 = 0.
Собираю метку (сработала программа №6 - ВКЛ), меряю напряжение на Х2:13 = 13,ХХХ.
ПОЧЕМУ НЕ РАБОТАЕТ ГЛ №6 при появлении метки после стоянки в охране?
Файл настроек:
Меган 2 автозапуск работает не корректно
Поставил сигнализацию StarLine e96 v2, заводится авто без включения приборки и климата. Обход штатного иммобилайзера идёт по каншине. Если вставляю ключ в иммобилайзер то заводится как обычно с полным зажиганием, вытаскиваю карту автозапуск идёт без включения приборки. подскажите так должно быть или нет.
Подключение центрального замка по одному проводу
Как подключить к сигнализации старлайн а93 v2 пневматический центральный замок ауди а6 с4 который управляется по одному проводу, на котором должен появляться + или -
Не работает автозапуск А93 V2 ECO
Здравствуйте, подскажите не могу понять причину почему не работает автозапуск, машина НИВА 21214, самостоятельно установил и настроил А93 V2 ECO, все подключил по схеме, контроль работы двигателя от тахометра, провод ручника подключен через диод все работает корректно, в настройках SF все корректно, в первом пункте стоит 2 (автозапуск включен, замок зажигания с ключём) при постановке на ручник машина не глохнет, выхожу нажимаю кнопку 1 машина глохнет и встаёт на охрану(программа нейтраль выполнена) при попытке запустить двигатель с брелка слышен двойной писк экран включается но показания брелка не меняются, запуска двигателя не происходит... Подскажите что может быть не так, провода от силового блока + красный , жёлтый на зажигание, черно жёлтый на стартер, все подключено, никаких иммобелайзеров нет все отключено.
Dongfeng Fengon IX5
как грохнуть штатку, что при открытии старлайном она не орала . Есть у кого наработки
Mazda 3 bm 2014 a63 удаленный запуск
Доброго времени суток
имею от предыдущего владельца Starline a63 a93cvw809082408 по vGK74-R5 телематика 2.0
автомобиль MAZDA 3 BM 2014 года с кнопкой Start/stop МКПП
хотел бы доустановить модуль удаленного запуска двигателя, верно ли я понимаю, что пути всего два
или
1) модуль удаленного запуска двигателя для a63
+ Обходчик иммобилайзера нужен обязательно? например BP-02
или второй вариант
2) тот же модуль удаленного запуска двигателя для a63
+ 2can+2lin модуль вместо обходчика иммобилайзера?
Заранее спасибо за ответы
Перестал работать автозапуск после обновления ПО и can
Здравствуйте всем! У меня такая проблема. Решил обновить ПО и сразу CAN. Сигнализация старлайн s96v2. Автозапуск перестал работать совсем, никакого намёка на запуск, только при запуске горит светодиод и всё на этом. Обучение делал, 14 раз сервисную кнопку, зажигание в конце 2 пика было что обучил. Машина Мазда сх-5 2021год.
салярис 2011
добрый вечер хендай салярис 2011 года на акпп с кнопкой старт стоп не магу создать электроный ключ
Карта монтажа на Honda X-RV
Доброго времени суток.
Хочу установить сигнализацию А93 на Honda XR-V. Но на сайте https://install.starline.ru/ нет такой модели (XR-V).
Подскажите, чтобы скачать карту монтажа и конфигурацию, может выбрать другую модель? Или на эту модель можно скачать где то в другом месте?
Е97 не видит CAN Октавия тур
Доброго всем дня!
Подарили Е97.
авто октавия тур 2002 г., мкпп
подключил как по схеме CAN к 27 и 28 пинам - оранжевые с полосами - в зеленом! разъеме приборной панели (хотя в схеме подключения почему то синий разъем указан) .
сига не видит ни один из заявленных сигналов.
куда копнуть?
возможно ли подключение к кан шине в водительской кик панели?
прошивки блока обновлены.
Подключение A93 2CAN 2LIN к FORD S-max 2010г.в. (РЕСТАЙЛИНГ) АКПП
При подключении с помощью руководства с сайта Starline по установке столкнулся с проблемой.
В руководстве в шаге 9 пишут следующие:
В жгуте разъёма 5 выполнить подключение альтернативного управления световыми сигналами
(чёрно-белый провод (У меня синий так как сигн. 2CAN 2LIN ) разъёма Х-3 охранно-телематического комплекса) к коричнево-жёлтому проводу.
В шаге 10 пишут: "В этом же жгуте подключить силовые цепи запуска двигателя - аксессуары и зажигание."
И именно Аксессуары к тому же коричнево-жёлтому проводу.
Помогите разобраться это возможно или ошибка в руководстве?

Customer support service by UserEcho