Вопросы по установке AS90
Здравствуйте уважаемые техспецы!
Нужна консультация и помощь. Будет многа букаф и картинок, заранее прошу прощения.
Сигнализация: Starline AS90, с докупленной антеной GPS+GLONASS.
Автомобиль: Toyota Funcargo, 2001 г.в., двигатель 2NZ-FE, кузов NCP20.
В автомобиле нет кан/лин шин, штатной сигнализации и прочих умных наворотов, но есть центральный замок с дистанционным управлением (кнопка на ключе).
В настоящий момент стоит Starline B9, но стала глючить и решил сменить.
Когда подбирал замену, из требований:
1. Дистанционный запуск.
2. Контроль температуры ДВС.
3. Отслеживание по ГПС и ГЛОНАСС.
Установка новой сигнализации намечена на лето. Ставить буду самостоятельно (местные установщики хотят за демонтаж старой и установку новой от 8 до 12 тысяч, при этом когда озвучиваю хотелки, начинают важно раздувать щёки, говорить как это сложно и вообще зависит от сигнализации (хотя модель новой сиги озвучиваю сразу) и сразу прям вижу как в счёте на установку появляется пункт "прокатило" на лишние тысяч 10, идут они лесом, сами справимся), сравнил цвета и выходы В9 и AS90, там попадание почти 95%, даже по цветам.
Также в автомобиле стоит какая-то секретка (реле с непонятным алгоритмом работы) на питание бензонасоса. Питание этого секретного реле от В9 в режиме охраны постоянно идёт от ЧернБел провода статуса сигнализации (в режиме охраны нам постоянный минус), при снятии охраны реле питается при активации 4 канала (в настоящий момент статус сиги и 4 канал наглухо смотаны и в реле уходят). Что там и как сделано неизвестно, но ясно слышно, что при активации 4 канала, реле включается, а после запуска авто выключается, при этом бензонасос продолжает работать. Как там всё реализовано неизвестно, сейчас это реле похоже на моток изоленты и всё там в косу замотано и к балке панели авто примотано на 100500 слоёв. Видел всё это по осени, сейчас нет тёплого гаража, поэтому нет возможности размотать. Вообще такое ощущение, что тот, кто ставил В9 имел в наличии ящик изоленты, там столько понамотано, слоёв в 20. При установке новой сигнализации всё это размотаю, а разрыв питания насоса попользую по полной в блокировке двигателя.
Сейчас произвёл такие настройки в режиме "офф-лайн", без подключения к сигнализации, просто сделал файл настроек, чтобы потом не маяться, а сразу его залить в сигнализацию:
Каналы:
XS3:4 Роз - функция не назначена (на регистратор).
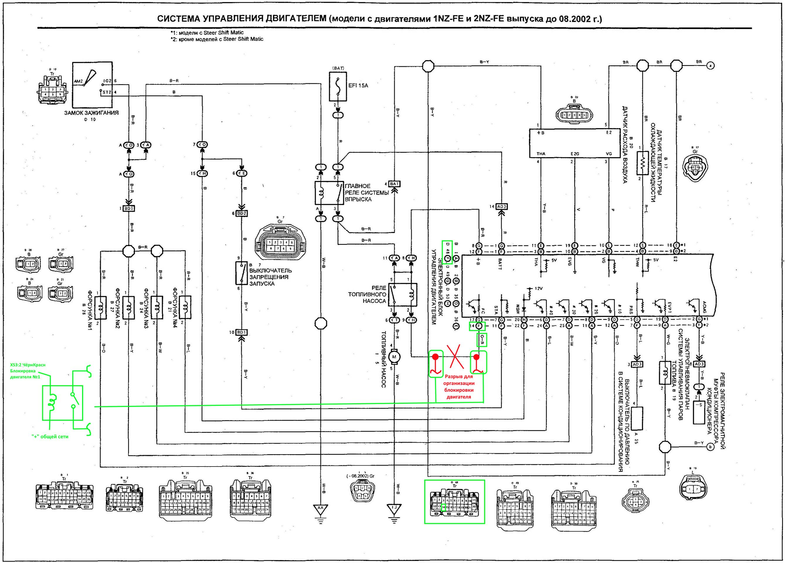
XS3:7 СинКрасн - Вход концевика дверей пассажиров (для освобождения СинЧерн канала на паркинг (+)).
XS3:8 ОрБел - концевик двери водителя (-) (у меня концевик двери водителя отдельным проводом, а остальные двери в пучок собраны и на одном проводе висят с завода).
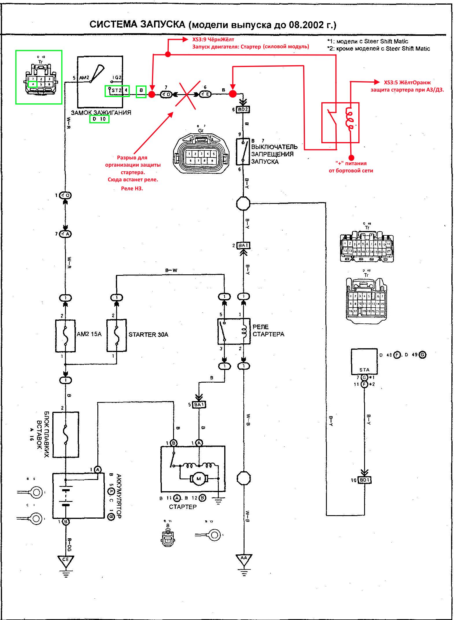
XS3:15 ЗелЖелт - защита стартера при АЗ/ДЗ.
XS3:17 СинЧерн - паркинг (+).
XS3:20 Зел - зажигание 2, без отключения на время кручения стартера (у меня в авто зажигание 2 не отключается на время прокрутки стартера, только аксессуары).
XS4:1 Черн - Кнопка со светодиодом (именно это будет подключено, без докупки ресивера с брелком).
XS6:1 БелЧерн - функция не назначена (нет у меня сторонних модулей).
Осн.настройки:
Закрытие двери при открытых дверях - вкл (иногда надо при недоконца закрытой двери закрыть ЦЗ).
Закрытие ЦЗ после закрытия багажника - выкл (нет у меня отдельного багажника).
Уведомление сиреной и светом о разряде батарейки в метке - выкл (нефиг орать сигой при разряде батареи).
Назначение длительного нажатия кнопки метки - запуск/остановка двигателя (надо, иногда нет связи, и как включить ДЗ?).
Автопостановка на охрану - вкл (я бывает забываю на охрану поставить в попыхах).
Авторизация владельца - метка (зачем всё остальное (брелок и кнопки), если этого нет).
Снятие запрета поездки - метка (ХЗ, вроде правильно, брелока нет).
Разрешить управление видеорегистратором с сервера или мобильного приложения - вкл (включил, но спорно, нет у сиги AS90 отдельного выхода на регистратор).
Низкое напряжение АКб, В - 11,7 (на морозе иногда показывает 11,9-11,7, но при этом крутит как ацкий сотона).
Запуск двигателя:
Тип КПП - АКПП.
Условия включения поддержки зажигания для перехода в охрану с работающим двигателем - при открытой двери и последующем затягивании стояночного тормоза или включении паркинга.
Время работы автозапуска - 10 мин.
Действие через час после включения поддержки зажигания - выключать поддержку и ставить на охрану.
Максимально допустимая температура двигателя при АЗ/ДЗ/ТТ/ПЗ - 90.
Блокировка двигателя и статусный выход:
Скорость, при которой разрешена блокировка двигателя - 20 км/ч.
Тип блокировки двигателя - НР (нормально разомкнутая).
Снятие блокировки (только для НР) - при включении зажигания в снято с охраны.
Гибкая логика:
1. Вкл регистратора при срабатывании тревог.
2. Вкл регистратор с запуском двигателя, и выкл при остановке двигателя (у меня на регистраторе висит камера заднего вида, регистратор запускается секунды две, не вариант запускать регистратор с движением, надо раньше, а при автозапуске пусть записывает, ничего страшного).
Телематика:
Часовой пояс - UTC+10, Владивосток
Собственно вопросы:
1. Блокировка двигателя.
Каков алгоритм работы блокировки двигателя?
Будет установлено нормально разомкнутое реле. При НР реле канал подаёт питание при активации режима в автозапуске или при запуске ключом, в остальное время не активирован канал? Как я понял из графика автозапуска, то перед запуском активируется канал блокировки (пойдёт питание на реле и контакты замкнуться). Вроде как настроил параметры, что блокировка будет деактивироваться и реле замкнётся (пойдет питание к насосу) при снятии с охраны с заводом ДВС с ключа. И при антиограблении там как-то блокируется и при неудачной авторизации владельца. Так вот именно с этими режимами антиограбления и авторизации владельца и не понятно. Если я не включу антиограбление, то вроде автоматом оно никак не включается?
Мне хочется такого алгоритма работы:
а) ДЗ с последующей посадкой: ДЗ-пришёл-снял с охраны-вставил и провернул ключ в замке-подержал педаль тормоза-сигнализация отключила запуск двигателя (не заглушила, а просто перестала поддерживать зажигание)- поехал.
б)просто поехать: снял с охраны-завёл с ключа-поехал.
По настройкам ничего не надо более моего менять? Мне не надо всяких дополнительных авторизаций владельца, нет у меня всяких кнопок на руле.
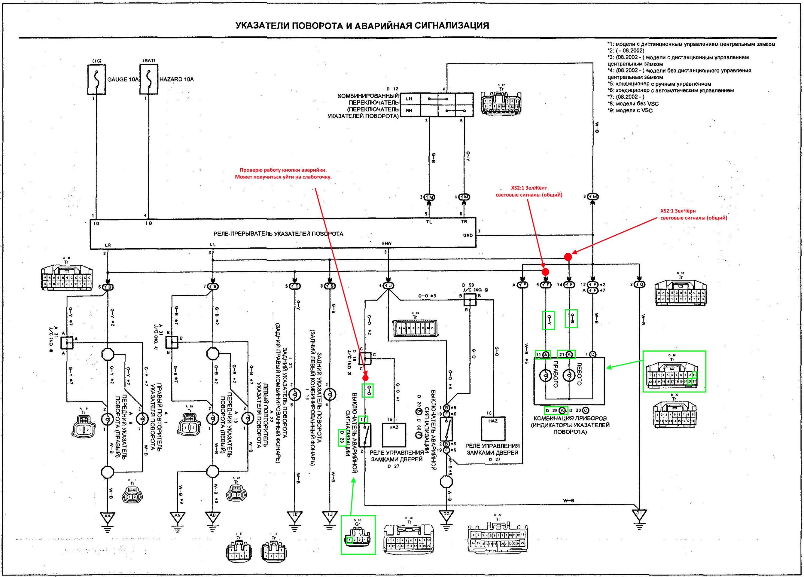
Я правильно понял по проводам (каналам)? Как на рисунке подключать нужно?

2. Запрет поездки.
Что это? Какой алгоритм работы? Что это за запрет поездки?
Как я понял, это дополнительная защита, которая активируется при снятии с охраны. Так же она активируется при антиограблении. Она будет деактивирована, если у меня с собой будет метка или смартфон-метка?
Я правильно понимаю?
"Запрет поездки" и "запрет запуска" из инструкций - это одно и тоже, или нет?
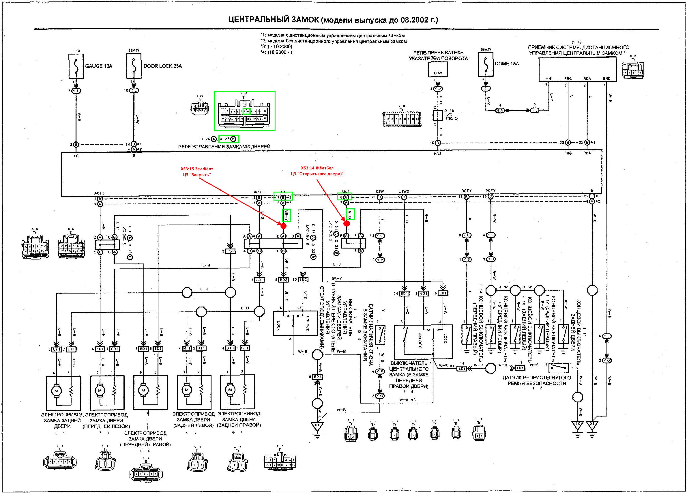
3. Центральный замок.
Как я понял из схемы авто, у меня не силовое управление с кнопки открытия. Вроде просто выход блока центрального замка замыкается кнопкой на массу. У меня кнопка (которая на блоке переключателей водителя) на два положения (открыто и закрыто), и по схеме закрыть и открыть разные провода идут, а вот актуаторы в дверях активируются уже силовыми реле в блоке ЦЗ, как я понял. При закрытии открытии вроде даже слышно их срабатывание под торпедой в районе блока, но это не точно.
Вот схема из инструкции к авто:

И подключение по такой схеме?

Без подключения проводов на (+) и (-), я правильно понимаю?

4. Регистратор.
Как я понял в AS90 нет канала на управление регистратором (на 7А)?
Управление регистратором будет по розовому проводу (XS3:4 Роз), через гибкую логику.
Канал в сигнализации, который будет под рег XS3:4 Роз, на 0,2А, а рег питается на 3А, поэтому, как я планирую, канал будет включать НР реле, а оно вкл питание на блок рега.
При этом настроил второй программой включение регистратора при запуске двигателя, а не начала поездки.
Посмотрите пожалуйста, я правильно сделал программы.
Так же в настройках я активировал пункт "Разрешить управление видеорегистратором с сервера или мобильного приложения". Вот думаю, если нет отдельного канала на управление регом, а всё через логику, то надо ли активировать данную настройку? Она же по идее управляет каналом, назначенным в настройках провода, именно управляет выходом регистратора, а не отслеживает логику?
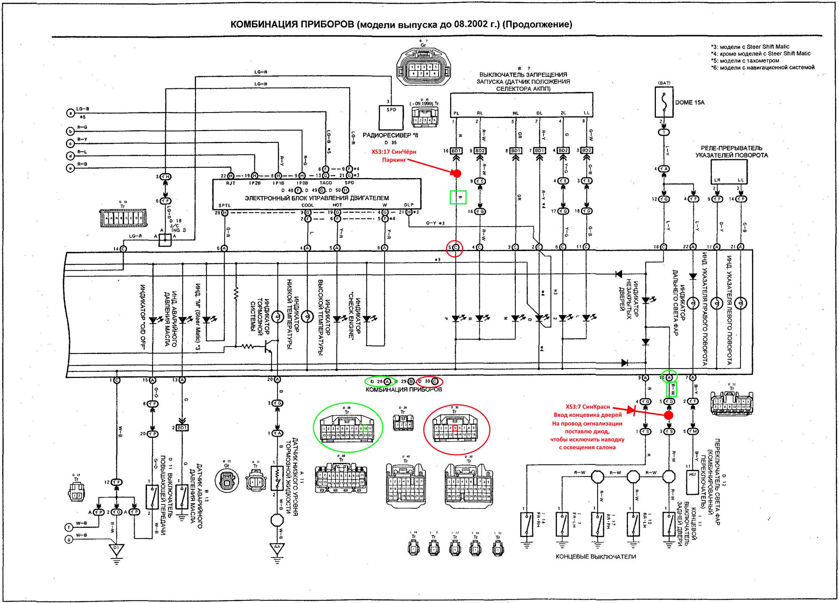
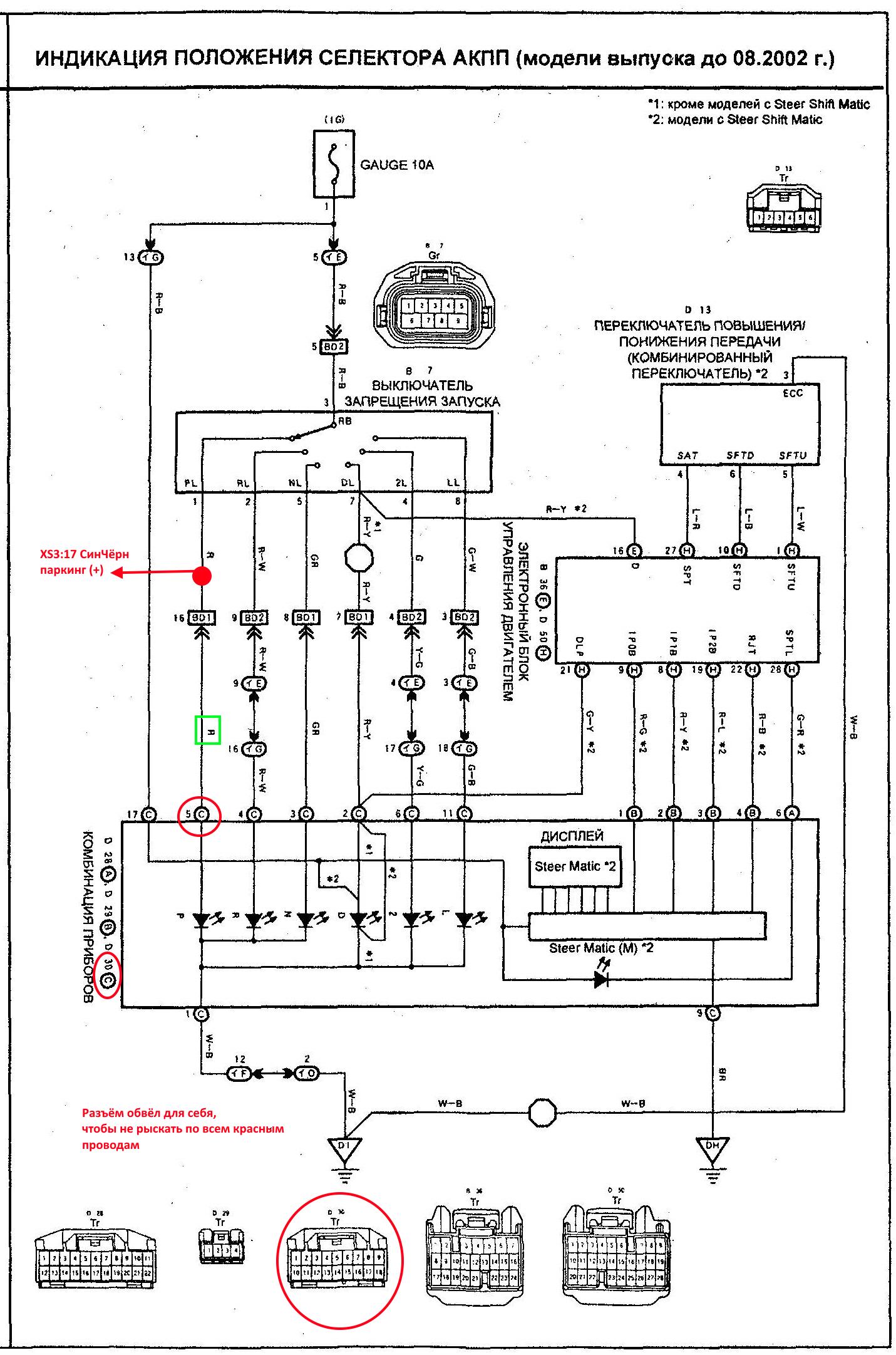
5. Отслеживание паркинга.
Т.к. у меня нет кан/лин шин, то единственный способ отследить активацию паркинга, это оследить питание на лампочке "Р". По схеме авто, у меня там в панели стоят светодиоды с общим минусом, а питание каждой идёт по отдельному плюсу (управлениечерез (+)).
Вот схема:

Т.к. в сигнализации есть только один канал ,который может отслеживать наличие положительного потенциала (XS3:17 СинЧерн), то на него повесил паркинг, а вход концевика дверей пассажиров на XS3:7 СинКрасн, всё равно концевики замыкаются на массу. Хочу взять сигналы концевиков с проводов блока ЦЗ, припаявшись к ним.
Вот думаю, а надо в этом случае делать диодную развязку на эти два провода. Штатной сигнализации нет в машине, по идее опрашивать концевики некому, да и не разбиты у меня они по контурам. Тупо два провода: водительская дверь (т.к. на ней зуммеры оставленного ключа и оставленных фар) и остальные 4 двери одним проводом в блок ЦЗ.
Подскажите по паркингу у меня правильное решение?
Надо ли делать диодную развязку двух проводов концевиков?
6. Защита стартера.
Сейчас на В9 имеется глюк, если я решил выйти из авто и активировать режим ПЗ (открыл дверь-вторая кнопка на брелке-повернул и вынул ключ- вышел, закрыл дверь, поставил на охрану), то при повороте ключа в переходе от зажигания к аксессуарам, на долю секунды срабатывает стартер (реле управления запуском В9 буквально на мгновение подтягивает его и слышен характерный звук). Как я понял, сейчас защита не реализована, поэтому лезет этот глюк.
Какой алгоритм работы этой защиты? По описанию в инструкции по установке ничего не понятно. Написано, что это защита стартера в режимах АЗ/ДЗ/ТТ/ПЗ, но когда именно она активируется?
По инструкции там ставится НЗ реле, т.е. она активируется в определённые моменты (размыкает стартер). Вот в какие моменты она его размыкает?
Второй вопрос по сути исходит из первого.
Куда лучше подключать провод стартера от силового блока автозапуска, до реле или после? Если защита активируется в начале исполнения алгоритмов АЗ/ДЗ/ТТ/ПЗ, то надо ставить после реле, если активируется после удачного запуска авто в АЗ/ДЗ, или после выполнения действий по активации режимов ТТ/ПЗ, то без разницы куда подключать ЧернЖел провод силового блока. Подскажите, как правильнее?

7. Автозапуск.
Ну тут вроде скосячить сложно, но можно.
У меня зажигание 2 (IG2) не отключается на время прокрутки стартера, только аксессуары (ACC).
Я правильно настроил канал "Зажигание2" XS3:20 Зел - зажигание 2, без отключения на время кручения стартера?
Или нужно оба канала настроить как "Зажигание1"?
8. Алгоритмы работы (хотелки).
Я сейчас опишу три ситуации с алгоритмами, как сейчас работает В9:
а) "Забежал на минутку": Нужно на минутку забежать домой/на работу/в магазин, но двигатель глушить не хочу. Остановился, двигатель работает, ключ в замке зажигания с брелком (сейчас основной брелок и ключ в одном корпусе). Выхожу, ничего не глушу, ничего не вынимаю. На запасном брелоке нажимаю 1 кнопку (постановка на охрану). ЦЗ закрывает двери, авто продолжает работать, но нет светомузыки о постановке на охрану, при этом на брелоке отображается, что машина взята под охрану. Сбегал на минутку, вышел, открыл (2 кнопка брелока), сел, поехал.
б) "Закинуть в машину": Машина работает на АЗ/ДЗ. Нужно что-то закинуть в машину мимо проходя (ну допустим веду ребёнка в школу и решил по пути в авто закинуть ядерный чемоданчик, чтобы не таскаться с ним (авто стоит во дворе, по пути до школы, школа через двор)). Подошёл, нажал снятие с охраны (2 кнопка брелока), положил чемоданчик, закрыл дверь, поставил на охрану (1 кнопка брелока). При этом двигатель не глохнет, авто потом нормально встаёт на охрану со светомузыкой об удачной постановке, продолжает тикать таймер АЗ/ДЗ.
в) "Забежать минут на пять": Нужно выйти и вынуть ключи, но не глушить двигатель. Приехал, встал, открыл дверь, нажал 2 кнопку брелока, вынул ключи, закрыл дверь, поставил на охрану (1 кнопка брелока). На брелоке индикация постановки на охрану, работа двигателя и время ПЗ (равно времен в ДЗ, 10 минут (г10)). Пришёл, снял с охраны, вставил и провернул ключ до зажигания, нажал педаль тормоза (проморгали поворотники 4 раза, брелок пипикнул 2 раза), поехал.
Теперь сам вопрос:
Мне нужно что-то ещё менять в настройках, помимо внесённых изменений или нет?
Как я понимаю, сейчас ситуация "в" немного по иному выглядит в части действий по активации ПЗ: приехал, встал (не меняем положение селектора, не переводим его в положение "Р"), открыл дверь водителя, перевёл селектор в положение "Р", можно вынимать ключи и ставить под охрану?
9. Вопросы по диодам.
В комплекте с сигой диоды 1N4004. Характеристики у них ещё ниже, чем у 1N4007 (самый широко используемый), а именно максимальное напряжение 400В, максимальная прямая нагрузка 1А. Как понимаю, они чисто для шунтирования реле, т.к. даже сирена на 2А.
Сами вопросы:
а) В хозяйстве завалялись диоды Шоттки SR5100, макс нагрузка 5А, максимальное напряжение 100В. Можно использовать их для шунтирования реле, схем стояночного томоза и сирены?
б) В инструкции по установке, на схеме подключения сирены из комплекта, указан диод, в описании про этот диод ничего не сказано (зачем, в каких случаях нужен, характеристтики). Зачем он там? Нужен ли он, при подключении сирены из комплекта автосигнализации?
10. Резистор.
В схеме подключения педали тормоза указано, что если стоят светодиодные лампы, то нужно установить резистор между проводом сигнализации и массой, номиналом 1кОм.
У меня стоят светодиодные лампы. Родные лампы 21w/5w (тормоз 21Вт, габариты 5Вт). Светодиоды по 6Вт лампа.
Какой рассеиваемой мощности нужен резстор (Вт)? В хозяйстве есть мощный резистор на 1кОм и рассеиваемой мощностью в 25Вт, его можно воткнуть?
12. Реле.
Блокировка двигателя и рег будут висеть на НР реле, т.е. при нормальной работе авто (езда) они будут постоянно включены.
Можно обойтись стандартными реле из набора сигнализации (708-2), дозаказав необходимое кол-во, или в данном случае нужны реле с шунтирующим резистором внутри (реле, в которых внутри смонтирован резистор между питающими выводами 85 и 86)?
13. Про незадействованные выводы.
Я правильно понимаю, что для разгрузки мозгов сиги можно все входы-выходы, которые не будут задействованы, перевести в состояние "Функция не назначена"?
14. Датчик температуры двигателя.
Подскажите пожалуйста, какой датчик используется для определения температуры двигателя, модель, производитель? Да хотя бы скиньте график соотношения температуры и сопротивления датчика, тоже отлично будет.
Я хотел бы попробовать задействовать для сигнализации данные с штатного датчика температуры охлаждающей жидкости, но нужно понимать режим работы датчика сигнализации, его зависимости сопротивления от температуры. Режимы и графики штатного датчика температуры охлаждающей жидкости имеются в наличии.
На этом всё.
Заранее спасибо за помощь!
Файл настроек прилагается.
П.С. Прошу не отсылать в сервисный центр и не просить адрес проживания, чтобы найти сервис. Территориально в г. Биробиджан, Еврейская автономная область. У нас тут есть сервисный центр, который типа имеет в штате установщика сигнализаций Starline, всего такого умного и сертифицированного, и гарантию они дают на установку аж цельных 8 месяцев. Эти "товарищи" запросили за демонтаж В9 и установку AS90 11000 рублей, за каждую программу гибкой логики по 1000 рублей, монтаж дополнительных реле и перепрограммирование блока под работу с ними (вот тут я поржал от души, по сути это основная работа монтажника, а не допы) 2000 рублей. Итого мне бы всё обошлось: 11000+2000+2000=15000. Да я сигу купил за 13500, с какого я должен за не самый сложный монтаж отдавать больше стоимости сигнализации! Гараж-мастер выкатил 8000 рублей монтаж/демонтаж и 2000 рублей настройка, при этом без каких-либо гарантий.
Customer support service by UserEcho
черно\красный- на землю ( к черному проводу)
синий\черный, зеленый\черный вытащить из колодки
паркинг тоже обсудили
Понял. Я как раз подумываю, все неиспользуемые провода вынуть из колодок. Как раз инструменты есть для распиновки колодок.
поддержка зажигания 8 пункт меняется на вкладке автозапуск
Это да, я как раз и ставил дверь и паркинг. У меня система без брелока.
Просто интересны первая и вторая ситуации "забежать на минутку" и "закинуть в машину". Они на AS90 так же отрабатывают, как и на В9?
Условно "забежать на минутку", у меня ключи с меткой внутри машины. Я вышел, в телефоне жмакнул кнопку постановка/снятие с охраны (замок).
Как себя поведёт сигнализация? Заглушит авто или просто закроет замки и всё?
В9 просто закрывает замки с вкл двигателем и ключами в замке, но и там система без всяких наворотов.
И "закинуть в машину". Вышел, машина на ДЗ. Подошёл, сеял с охраны с кнопки метки, закинул сумку, поставил на охрану с кнопки метки, пошёл. Метка и ключи у меня.
Авто просто снимется и встанет, продолжив алгоритм ДЗ, или нет?
ну вот и проверите, и настроите в процессе
нее у вас автомат( поддержка зажигания как пункт больше для механики - программная нейтраль) а вот условие работы двигателя при охране( пункт ниже) эт для вас если надо на пять минут не глушить авто и не оставлять ключ
я противник оставлять ключи поэтому делаю так
Так то я тоже, но иногда надо прям тупо на минутку забежать, и лень пляски алгоритма поддержания зажигания выполнять
это черевато плясками с открытием замков когда ключи в салоне
Это да. Но я думал или со смарта закрыть/открыть, или просто с меткой выбежать, но тогда может сработать чего "по потере метки". Ну попробую по разному. Методом "проб и ошибок" и "научного тыка" :)
Спецы, всё, не буду вас мучать.
Последние три вопроса:
1. Всё таки вопрос № 10 из топика. Резистора в 1 кОм и 25 Ватт будет достаточно для "заземления" пелали тормоза при светодиодных лампах? (Сейчас у меня на тормозе стоит реле, тупо замыкает выход сиги на массу, или размыкает. Был прикол: поставил леды в стопари, при включении зажигания, сигнализация видела как будто нажата педаль тормоза. Пока ждал резостор с али, то не вытерпел и вкрячил реле.)
2. Чтобы прошить в сигу файл настроек, сигу обязательно к авто подрубать? Или можно подрубить питание и кнопу валлет.
3. У меня доеуплена антенна гпс. Её нужно ставить при пришивке.
1 А что мешает сначала подключить и посмотреть?
2 можно дома на компе
3 не обязательно
Резистора в 1 кОм и 25 Ватт будет достаточно для "заземления" пелали тормоза при светодиодных лампах? (
Номинал : Да , 1 кОм. А вот мощности хватит 0,25 Вт... (четверти Ватта). Ну а если собираетесь держать педаль нажатой полчачса и более при заведенном моторе, то можно и полуваттку поставить - 0,5 Вт... Чтобы точно не перегорел.
У меня вопрос к Вам - ЗАЧЕМ Вам контроль паркинга? Вы делали СВАП мотора и у Вас под капотом ТУРБОДИЗЕЛЬ в Вашем "фунтике"? И Вам нужен турботаймер?
Или для упрощения активации охраны с заведенным двигателем?
ТипО надо охрану с заведенным - распахнули дверь НА ПЕРЕДАЧЕ, после этого воткнули паркинг и ... можно вынимать ключ из замка - подхват зажигания уже произошел при втыкании паркинга ВО ВРЕМЯ ОТКРЫТОЙ ДВЕРИ....
И еще - из Ваших текстов я не понял - собираетесь-ли Вы ДУБЛИРОВАТЬ цепь АСС на замке. Если собираетесь - не советую. Ни для работы двигателя, ни для вентилятора печки АСС не нужно. В Вашей машине с АСС кормятся магнитола и прикуриватель. Они при автозапуске не нужны. Поэтому АСС не то что МОЖНО не дублировать., а НУЖНО не дублировать...
Бонусом у Вас будет свободный дополнительный канал(+) . И кстати - и МИНУС-канал тоже. Провод, управляющий релюшкой АСС в релейном блоке -как и все другие, выходящие из главного блока и идущие в релейный блок - МИНУСОВОЙ.
И еще - сопротивления катушек реле в релейном блоке - 300-400Ом каждое, а каналы сигнализации выдерживают до 200мА. Это я к чему? А к тому, что у вас ДВА зажигания должны работать синхронно. Управляются они двумя разными реле в релейном модуле, а вот катушками реле можно управлять только одним каналом, подключив два реле на один канал главного блока. И у вас появится еще один канал - выход (-).
Не сгорит-ли канал от двух релей релейного модуля?
Даже если считать катушки реле по 300 Ом (можете измерить Омметром точно), то два включенных параллельно дадут 150 Ом нагрузки для канала. При 14,4 вольтах питания в бортсети получим ток 14,4в/150Ом=0,096 А или 96мА, что вдвое меньше чем предельный ток канала. Если сопротивления катушек реле будут больше 300 Ом, то ток будет еще меньше...
1. Про резистор понятно. Просто у меня был когнитивный диссонанс. Я вспомнив школьный курс физики посчитал, и у меня выходило, что для выдерживания длительной нагрузки будет достаточно 3Вт (0,25Вт я бы поостерёгся ставить). Но заезжал тут в сервис, который славится работой по электрике, думал утечка идёт и акк высаживается, оказалось, что просто после ночи в -37 акку сложновато двигатель крутить, поэтому авто заводится не с 1-2 оборота, а с 3-4. Так вот, там "мастер" ляпнул, что РМ резистора на заземление нужно считать так: суммарная мощность галогенок(-)суммарная мощность лед(=)РМ резистора, так у меня выходило 30Вт, вот и задумался. Спасибо, что подсказали.
ТУрбо, свапов и прочего гамнеца нет, как и брелока нет, поэтому выход, только паркингом и дверью включать постановку в охрану с работающим ДВС, если выбежать куда надо на минут 10, а глушить зимой двигун не хочу, он особо не остынет, а вот в -30 салон застынет. Поэтому нужен паркинг.
2. Нет АСС я не собираюсь дублировать, но и отключать его не собираюсь. Сейчас в В9 АСС не запитан на автозапуске, и при постановке в охрану с работающим ДВС отрубается печь, хотя и не должна, но она тоже на АСС висит, зимой толку от работающего двигателя, если салон холодный, поэтому АСС будет. Дублируется зажигание. В авто два зажигания IG1 и IG2. По стандартной логике АЗ/ДЗ зажигание2 отрубается при прокрутке стартера, а у меня оно не отрубается во время запуска. Поэтому задействован канал зажигания2 с настройкой неотключения во время прокрутки. Просто читал на драйве, типа второе зажигание надо тоже выставить в каналах, как зажигание1, вот и засомневался. Мне каналов пока хватает на хотелки.
ТАк что как-то, вот так вот, но за расчёты спасибо, если аппетиты выростут, то есть куда подумать.
ну может он дхо хочет поставить, и будет как модный человек зажигать свои фонарики при снятии с паркинга или вообще замахнется на кнопку старт-стоп и тогда глушить машину захочет в паркинге.... вообщем фантазий много а я один, захотелось сделай... и это правильно
а для чего это вопрос не правильный...
другой вопрос как он будет с гирляндой предохранителей разбираться? ну допустим от 2-х можно избавится вытащив пины на замки дверей и переставив без предов...
вот нахрена старлайн все преды на разном расстояние сделал вот в чем вопрос
О! Тут мне ещё проще. У меня нет в авто пары систем (они появились только через год от моего года выпуска), но под эти системы япами ставился отдельный релейно-предохранительный блок. Под него есть крепления на кузове (япы не стали городить, а задействовали незакрытые отверстия). Я уже нашёл этот блок. Т.к. им коммутировались силовые цепи, то там стоят обычные 40А релюхи 5-и пиновые, а не мини, как большинство в авто, и допом есть блок предохранителей. Штекеры уже куплены для реле и предохранителей. Там всё делалось япами через непосредственное подключение, а не дорожками от предов в штекеры и разъемы, как в двух главных блоках реле и предохранителей, т.е. в этом блоке провод подходит непосредственно из косы к предохранителю или реле, а главный штекер блока торчит из косы. В этом блоке даже лишнее реле будет, ну место под реле, можно будет подумать чего, а предохранителей там с большим плюсом. Выведу всё туда. Блок б/у, всё будет выглядеть как штатный блок с реле и предохранителями, а из косы сиги все преды уберу, чтобы ещё сложнее было определить, где блок.
вот нахрена старлайн все преды на разном расстояние сделал вот в чем вопрос
по многочисленным просьбам установщиков, чтобы они не превращались в крупный комок, будучи увязанными в общий жгут на одном расстоянии ... Иногда это становится проблемой в машинах, где с пустотами достаточного объема в торпедо есть трудности...
ну да, ну да попробуй их еще разместит так чтоб можно было потом подлезть поменять
Когда все сделано нормально и правильно, лезть менять предохранители не понадобится никогда.
Все правильно по расстоянию сделали, все установщики просили.
Я сигу буду первый раз ставить, а вот с переделкой после криворуких установщиков сталкивался (кривые скрутки, "забывчивость" про изоляцию и т.п.). И частенько покурив тему авто, оказывалось, что есть незадействованные предохранители, реле и прочее. Или как у меня, вообще блок целый на ход ноги. Бывало, что гравером аккуратно разрезали дорожки предов и реле в родных блоках (для незадействованных, но выведенных вместе с другими системами, допустим в общий (+), а надо минус подвести) ,и потом аккуратно подпаивались внутри блоков. Можно так выходить из ситуации, и торчащих предов не будет в косах.
слишком много писанины.
какие вопросы и трудности у вас на данный момент?
Если Вы это мне, то уже всё решили.
вообщем мы все тут подумали и я решил предложить вам переназначить не задействованные 2-выхода в основной колодке на управление цз, а эти 2 реле потом можете на что нить другое задействовать
и тогда пока можно не ставить колодку цз
А это мысль. Спасибо.
Когда копался по печке, посмотрел на разъём ЦЗ, благо он у меня сразу у щитка приборов за легкосъёмной декоративной панелью. Рядом обнаружился модуль дистанционного управления ЦЗ (кнопка на штатном руле "открыть/закрыть"). В этом дистанционном модуле колодка на три провода, сечением примерно 0,35-0,5, два идут в блок ЦЗ. Покурил схему. В блоке дистанционного управления три провода: масса, открыть, закрыть. Теперь отвалилась проблема определения какие там провода, силовые или нет, с дистанционного однозначно не силовые. Кину туда каналы 0,2А сиги.
Теперь мучает вопрос ,а надо ли ставить диоды, чтобы сигнал от сиги не пошёл в блок дистанционного управления? Или пофиг?
Отвечу сам-себе: Я - дебил!
Походу дистанционный блок управляет основным блоком ЦЗ по плюсу, а не по минусу.
Вот таблица его проверки, т.е. при подсоединённом разъёме, когда идёт питание на блок, при нажатии кнопки на ключе он подаёт (+) на вход ЦЗ, а не минус, и второй разъём там ХЗ для чего, его по таблицам нет. Ну значит буду в блок ЦЗ присоединять контакты сигнализации.
Всем ОГРОМНОЕ СПАСИБО за помощь!
Желаю всем здоровья, удачи, счастья, финансового благополучия!
Неправильная последовательность....
Счастье- понятие общее, в него может входить и здоровье, и успех, и любовь и все остальное.
Поэтому чтобы обобщить всё, желают сначала счастья ( как синоним всего-всего), а уж потом выделяют что-то особенно, зачастую, это здоровье, любовь и удача.
Пойду форточку открою, а то чёт душновато становится :)
П.С. Что вы доколупались, это не программа гибкой логики и нет официально, или неофициально, в правилах этикета последовательности пожеланий.
Во я дебил! Смотрю фукции выходов, и тут ! ХОБА! "Управление реле питания регистратора". СтарЛайн- молодцы! Отдельного выхода рега на 7А нет, но замутили отдельную функцию на 0,2А выход. Прям то, что надо! Теперь и штатная кнопка рега в приложении будет работать.
По стандартной логике АЗ/ДЗ зажигание2 отрубается при прокрутке стартера, а у меня оно не отрубается во время запуска.
Так в Хондах и Ниссанах. В Тойотах не так. В них оба зажигания - не отключаемые при стартерной прокрутке. И это уже звучало в теме.
Нет АСС я не собираюсь дублировать, но и отключать его не собираюсь. Сейчас в В9 АСС не запитан на автозапуске, и при постановке в охрану с работающим ДВС отрубается печь, хотя и не должна,
Да, это странно. Вроде не должна.
но она тоже на АСС висит, зимой толку от работающего двигателя, если салон холодный, поэтому АСС будет.
Если не забуду - посмотрю записи по фунтку на предмет работы печки без АСС. Но вроде во всех "витце-образных":
Vitz,Platz, FunCargo - печка работает без АСС (но могу и ошибаться -давно ничего из них не приезжало на обновление сигнализации).
Ну да, на Тойотах (а у меня как раз Тойота) оба зажигания активны в прокрутке. При этом Зажигание1 не основное, типа подхвата, а Зажигание2 основное, на нём все системы двигателя висят.
Так вот, печка висит на двух предах HEATER и GAUGE. Сама печка с кондеем (пропеллеры, датчики, блоки управления и прочее) висят на HEATER, он запитан напрямую с АКБ через контакты реле отопителя, а вот само реле висит на GAUGE, и на него питание идёт с замка зажигания в режиме Зажигание1. Т.е. печка висит на первом зажигании, а не на АСС, и всё должно работать без АСС, но вот странно, что не работает. Может кто из предыдущих хозяев авто в проводке рылся. Буду ставить сигу, разберусь.
Вот схема печки/кондея, там слева, наверху обозначены преды и куда идут в системе печки
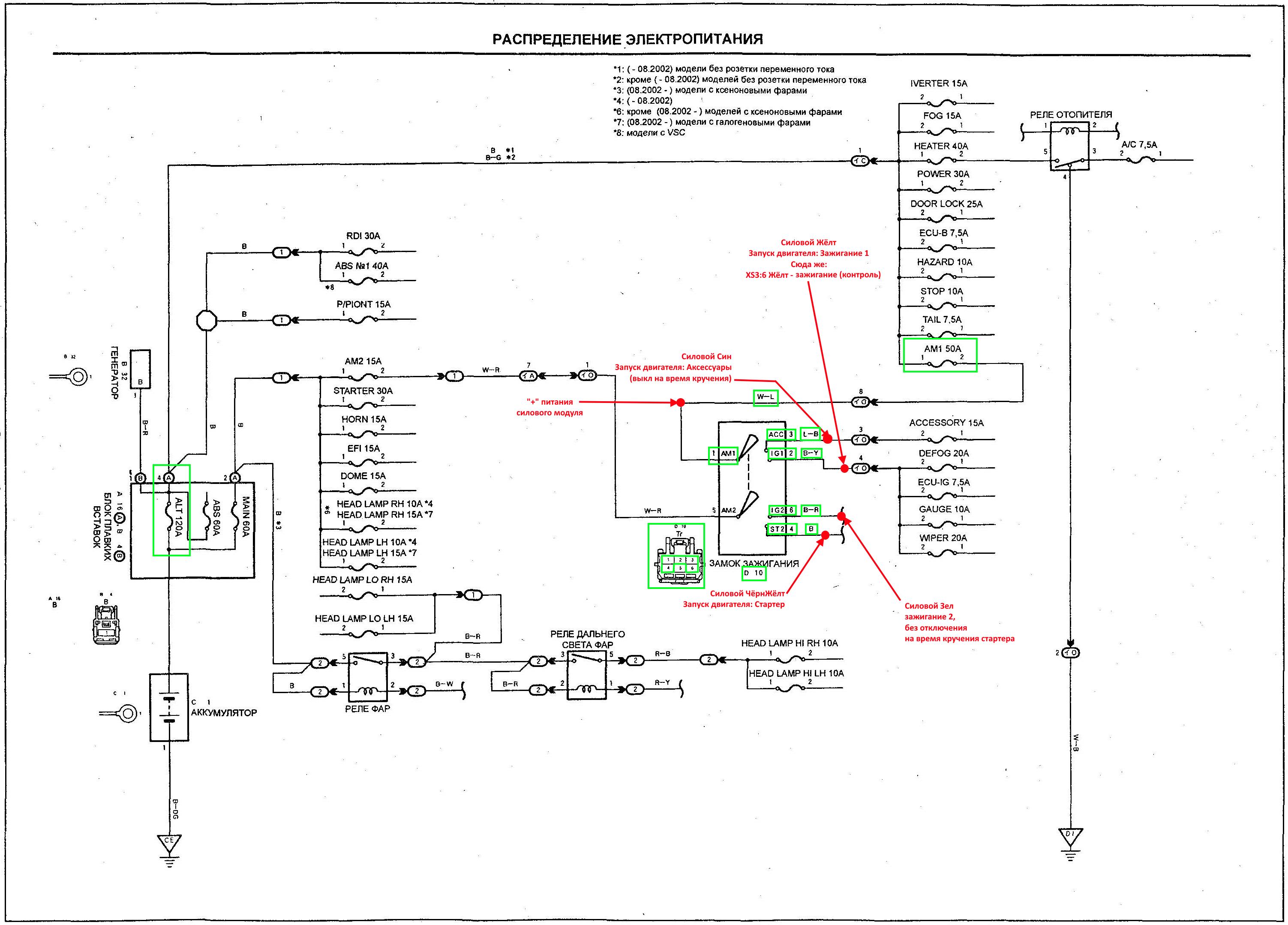
А вот схема распределения питания, там понятно, что HEATER с АКБ питается напрямую, а GAUGE с Зажигания1 (IG1) через замок зажигания
Скорее всего покопались в системе, вот только нахрена. Возможно кто это ставил, забывал печку выключать, и при АЗ/ДЗ печка маслала, а в холодрыгу (-25, -30) при таких параметрах ДВС будет прогреваться до второго пришествия. Может и кинули печку на АСС, а саму АСС в сиге не подключили к силовым цепям.
ну в принципе есть вариант похитрожопить, если вы подберете датчик температуры двигателя и врежете его в систему охлаждения, и использовать одно из реле цз.которое вы решили освободить от работ выше, подключаете НЗ контакт и СОМ в разрыв питания реле вентилятора салона .
пишите гибкую логику( что типа, событие-получена команда на аз\дз, условия температура ниже 0 например и включить реле такое) 2 логика что типа событие- аз\дз завершен, или событие- температура двигателя стала выше 40грд, условие не обязательно, исполнить-типа выключить выбранное реле
В продолжение печки и АСС. Сегодня я почувствовал себя каким-то проктологом. Дурная голова, рукам покоя не даёт, это про меня. Сегодня напросился на работе на пару часов в гараж тёплый. Посмотрел на соединительные колодки салонного блока предохранителей и заметил, что на одной колодке изолента отличается от других и какое-то утолщение. Покурил схему и развязку блока, понял что в эту колодку заходит печка. Снял крышку, что закрывает на торпеде блок, вытащил панель переключателей зеркал. Итого в отверстие крышки руками, а в отверстие панели смотрю. Скальпелем аккуратно разрезал скрутку изоленты (ну не подлезть там было без снятия торпеды, а снимать не было времени и желания), а там пин из колодки, к нему примотан провод с колодкой предохранителя на 10А. По цвету провода понял, что это провод с преда GAUGE на реле печки. Откуда шёл провод с колодкой я разбираться не стал, думаю к АСС замка зажигания. Покурил разъемы, как раз на колодке подключения было два пустых пина, понял, что один пин под отопитель, второй пустой от рождения.
Там прям пин вытащили из колодки. Я тупо отмотал провод, воткнул пин в родное место, провод заизолировал.
Всё, печка работает от Зажигания1 (IG1). Зачем её перекидывали ХЗ, теперь всё по схеме.
как добьете настройку сигнализации, скидывайте сюда посмотрим...
Update: Я тут ветки обсуждения ЦЗ и печки дополнил.
Подскажите пожалуйста, кто знает за логику работы колодки ЦЗ на сигнализации, как там идёт коммутация каналов?
Я правильно понимаю, что
при таком подключении колодки, при активации каналов (син, зел провода) на одном будет подаваться (+), а на другом (-)
А при таком, будет на син, зел провода подаваться то (+ или -), что подключено на ЧёрнКрасн колодки
Тогда почему при таком подключении, идёт (-) при отсутствии подключения полосатых кабелей колодки
При этом в таблице указаны провода син и зел колодки.
Вот вам схема коммутации цепей ЦЗ
Вы всё правильно думаете.
Вроде домучал настройки.
Кто может, гляньте пожалуйста, я там нигде не скосячил.
Сам файл настроек.
Чтобы много не писать в пост, оформил внесённые изменения в файлик.
Пока оставил управление ЦЗ и в XS1, и в XS2. При монтаже посмотрю, что там за провода, и от этого буду отскакивать.
Фокус и блоком дистанционного управления не выше. Я тупанул, выше написал, в ветке ЦЗ топика.
П.С. Я правильно понимаю алгоритм заливки файла настроек?:
1. Подключаю блок к ПК.
2. После того, как он определился, не захожу в него, а нажимаю "Открыть файл настроек".
3. Как он откроется, то нажимаю "Сохранить в устройство".
4. Готово.
Зачем её перекидывали ХЗ, теперь всё по схеме.
Наверняка - чтобы она не дула на автозапусках вообще. ТипО - чтобы мотор сильнее нагревался. Если на стекле лобовом уже есть горизонтальная трещина чуть выше дворников - это последстивия такого решения.
Одно дело начинать дуть на стекло холодным воздухом сразу с начала автозапуска и потом постепенно "повышать градус" по мере прогрева мотора. И совсем другое - ТЕПЛОВОЙ УДАР горячим воздухом по холодному лобовому стеклу. Причем локальный разогрев именно нижней полоски стекла - куда жабры отопителя направлены..
Файл настроек без полной схемы подключений -ни о чем.
А при работе печки прогрев утром будет идти минут 30-40 минимум. Сегодня авто прогрелось до 70, включил печку на среднем режиме и с рекуперацией воздуха (чтобы в салоне гонял воздух, а не тянул с улицы холодный), зашёл домой. Через 10 минут спустился, а у меня горит глаз низкой температуры, смотрю темпер (с обд смотрю темпер), а там 55 градусов. Так что не вариант с печкой машину греть, обороты были 1000+/-200.
Самое большое заблуждение, что от горячего воздуха из печки треснет стекло. Если нет точки напряжения (маленькая трещина, скол и т.п.), то ничего не треснет от горячего воздуха, да даже с точкой напряжения ничего не буде. У меня уставшее стекло, пошорканое, множество миниатюрных трещинок от пескоструя, слева хорошая такая розочка от камня (мне такое уже досталось, летом буду менять лобовуху), и с 2021 года печку включаю в холодрыгу с прогретым до 60-70 градусов двс, вообще ничего не треснуло и не поползло (тьфу-тьфу-тьфу), а вот один дебилушко с соседнего дома решил свое лобовое тёплой водичкой отогреть от инея, теперь стоит с лобовухой из плёнки, ждёт, когда стекло придёт. Там при начале работы с горячей печкой сначала и так идёт прохладный, а потом прогревается, при этом сопла на стекле распределены по всей ширине стекла, а не одной точкой.
А так, да и хер с ней, главное сейчас всё по схеме, без колхоза.
А что там я в схеме нарисую? И что рисовать? Я выходы переназначил, настройки менял. Очень хочется, чтобы кто понимает глянул, может я где конфликтные настройки забил по незнанию.
Вот мою голову с дружественным визитом посетила мысль.
Перекинуть ЦЗ на слаботочные сети из главного разъёма XS2, там мелкая напруга, а реле ЦЗ (колодка в сиге XS1) использовать как блокировку двигателя и защиту стартера. На реле бензонасоса и реле стартера стоят преды на 15А, реле с коммутируемыми цепями на предел 15А, и то 15А это уже предохранитель бахнуть может. Поставлю от греха подальше на эти линии 10А, там простое управление реле, в идеале там даже 0,5А нет. тогда не нужно будет городить дополнительные реле коммутации.
Как думаете?
их не стоит использовать в договременной работе, пиковые токи не надо сравнивать с постоянными, я эти релюхи использую для кратковременных( не более 10мин) и не более чем 5А задач
Ясно, отметается задача.
я поэтому и предложил разрывать цепь управления реле вентилятора этим каналом, токи мизерные можно использоать долго, + можно гибкой логикой поиграться, опустилась температура на двигателе во время АЗ\ДЗ отключили канал и тд
А что там я в схеме нарисую? И что рисовать? Я выходы переназначил, настройки менял. Очень хочется, чтобы кто понимает глянул, может я где конфликтные настройки забил по незнанию.
При беглом осмотре я конфликтов в настройках не увидел.
Огромное спасибо! Я попробую схему извратить.
Если я возьму схемы авто, укажу точки и подпишу выходы, типа XS4:6, нормально будет? Попробую на свободных местах схем сделать условные, типа XS3:6 - зажигание.
Если разрывы будут, то их тоже укажу крестами.
Всё таки придётся объединить концевики дверей. Решил замахнуться на кнопку старт/стоп, как дублирующую систему, на всякий говнистый случай, а входов не хватает.
Ещё бы парочку входов, в идеале настраевымых (выбор на что смотреть, (+) или (-)).
Сейчас покурю тему кнопки, надо разобраться в двух моментах:
1. При запуске как сигнализация отслеживает запуск двигателя, как в аз/дз, или тупо крутит весь импульс.
2. При запуске с кнопки работает ли постановка в охрану с работающим двигателем (ну как с ключом, поплясал с алгоритмом режима, и закрыл авто).
Если я возьму схемы авто, укажу точки и подпишу выходы, типа XS4:6, нормально будет?
Если это всё можно будет разглядеть без микроскопа, то ДА.
Попробую на свободных местах схем сделать условные, типа XS3:6 - зажигание.
Это всё мне напоминает
https://vk.com/video-49280571_167083304
Если разрывы будут, то их тоже укажу крестами.
Ага.
И снова здравствуйте!
Как мог сделал схемы. Посмотрите пожалуйста, если где скосячил, то ткните носом.
Сам файл настроек (немного правил его)
Описание замен и настроек.
Так как меняю с В9 на AS90, то немного поднапрягся, и сделал файл с выводами и перекрестьем выходов и цветов.
В файле 2 закладки. "До настроек" - это стандартные настройки AS90, "После настроек" - это то, что получилось после настроек AS90.
Вопрос не по теме: Алгоритм запуска с кнопки старт-стоп из настроек сиги: Сел-Нажал тормоз-Нажал кнопку-Машина завелась. Так вот сам вопрос: педаль тормоза зажать и держать до момента запуска двигателя, или достаточно чтобы она была зажата в момент нажатия на кнопку?
Далее уже схемы:
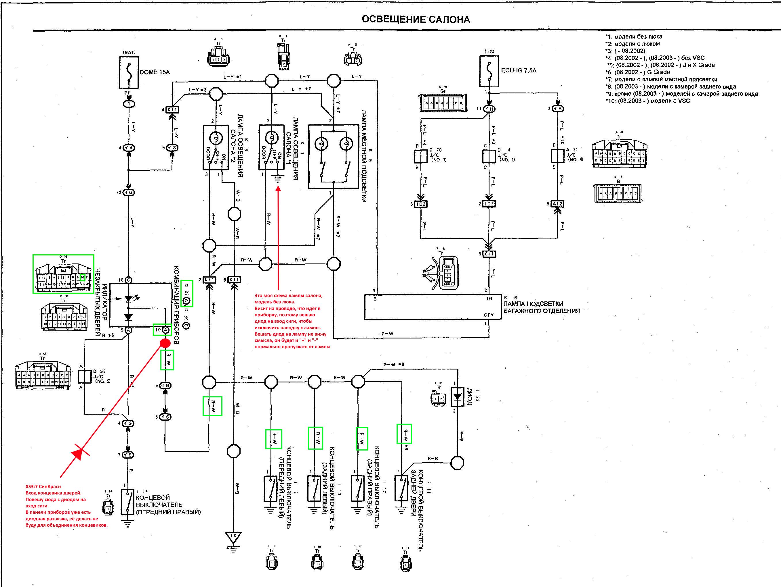
1. Подключение входа паркинга и концевиков:
Для понимания, почему думаю ставить диод на вход концевиков, схема освещения:
2. Подключение блокировки двигателя:
3. Подключение освещения. У меня простая кнопка аварийки с фиксацией. Как я понимаю она замыкается на массу, но не понятно, как будет работать реле. При монтаже попробую выход какой кинуть туда.
4. Подключение силового модуля (морковки):
5. Подключение блокировки стартера при АЗ/ДЗ:
6. Подключение педали "стоп":
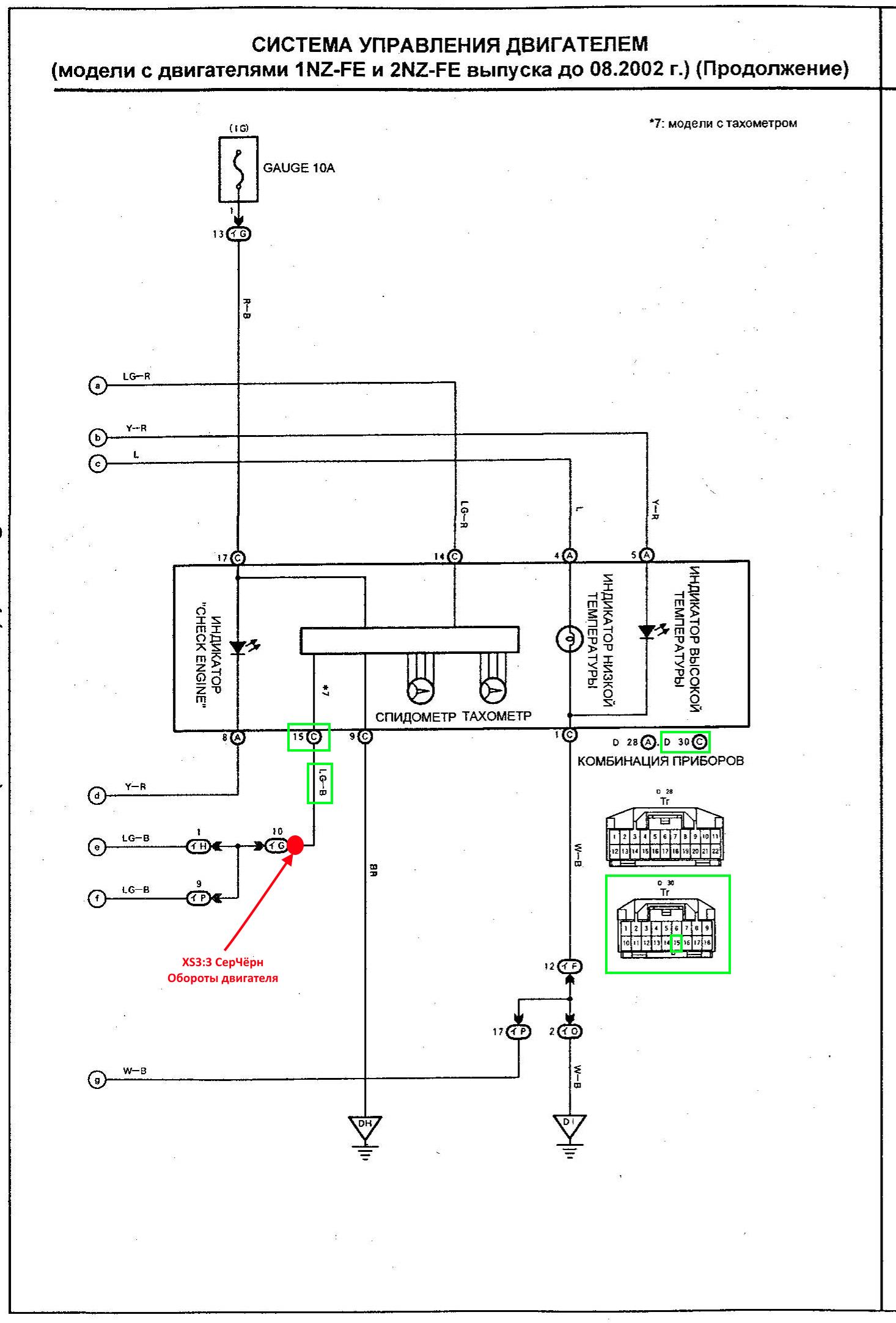
7. Подключение входа контроля двигателя по оборотам (тахометр)
8. Подключение центрального замка:
Спасибо за внимание, сильно не ругайте, панама готова.
Не смог прочитать ничего... Сильно мелко...
Да ХЗ. Сейчас с компа посмотрел, всё норм (экран 21 дюйм, разрешение FHD), посмотрел на ноуте (экран 16 дюймов, разрешение HD), посмотрел с телефона (экран 6,7 дюймов, разрешение переFHD-недо2к). На ноуте и ПК клацаю по картинке и всё отлично видно, на телефоне, как в песне:
"Экран я разведу пальцАми,
И рассмотрю любой я прыщ!"
Всё нормально.
Ну ладно, будем экспериментировать.
Укрупнить схемы не смогу, они и так крупноваты, а вырезать сегменты не вариант, тогда будет не понятно куда, что идёт.
схемы мелкие, это так сжимается в сообщение, но это вторично, тут всех их видели не одну 1000 раз))) В Фунтике, особенно не самом бедном, где был родной ключ с откр\закр или "линтяйка" отдельно, за приборкой справа на кронштейне на один болт М6 прикручен блок цз штатный. На нем вы прекрасно найдете: +- (питание системы, не модуля запуска, а именно основного блока), все концы, управление цз "-", управление аварийкой "-". Тормоз живет на лягушке, тахометр, если приборка жирная в приборке, если нет, в ОБД 9й пин. Выход "за борт" там же за приборкой справа отопителя, штатная резинка штатного жгута. Там машина ровно на "две кружки кофе".
Для понимания, почему думаю ставить диод на вход концевиков, схема освещения:
Диодом "отвязываете" от машины, потому что при закрытых дверях индикация открытой двери будет светится "на пол фЁдора", будет с сигнализации "подсасывать" потому что вход биполярный.
Подключение педали "стоп":
Подтяжку на массу делать не обязательно, у Вас стопаки - обыкновенные лампочки, и так все прекрасно будет видеть, нечего резисторы тратить)))
Ну их 1000 раз видели, н овсё равно просят схемы показать.
За диод понял, спасибо.
Подтяжку на массу делать не обязательно, у Вас стопаки - обыкновенные лампочки, и так все прекрасно будет видеть, нечего резисторы тратить))):
Я выше писал, что у меня светодиодки в стопах стоят. Я всю оптику на светодиоды пересадил. Даже заморочился на лампы сертифицированные в головной свет и проверку его на СТО, где техосмотр проводят, с выдачей заключения о соответствии. Сейчас если ГАИ останавливает, то смотрят на эти доки, и отпускают, типа вроде ка и низя, но так заморочился, то ехай. В своё время заказал резисторы на шунт, но пока они шли воткнул релешку, которая работает от педали и замыкает контакт сиги "по феншую", а то был прикол, что вроде в состоянии покоя и не идёт ложная сработка нажатой педали, но при включении зажигания шла ложная сработка по педали и не работал ДЗ. Поэтому и висит резюк под вопросом. При монтаже проверю, если будет наводка, то поставлю.
Почти всё буду тянуть от панели приборов, там всё почти есть, включая тахо.
Машина хоть и "на две кружки кофе", но делать буду сам и первый раз, поэтому хочу сейчас всё уточнить, чтобы летом просто взять и поставить с минимальными заморочками.
Огромное спасибо, стало понятнее.
Я выше писал, что у меня светодиодки в стопах стоят.
Как в сказке сейчас будет))) Когда-то давным давно....во времена старых сильно аналоговых сигнализаций. Вход педали тормоза по схемотехнике внутри блока на самом деле видел не "появление плюса на проводе", а "пропадание минуса". Соответственно проблемы возникали даже тогда, когда лягушка не нажата (а лампочки в стопаках перегорели), а всё равно сигнализация показывала, что тормоз нажат.
В современном мире в блоке AS90 вход педали тормоза будет ждать именно появление плюса, что там висит\не висит когда лягушка не нажата, без разницы для блока.
Понял, спасибо.
Хоть не в тему, но интересная контролька для установщиков
Автомобильный тестер схем, многофункциональный, для диагностики автоэлектрики
https://ozon.ru/t/l7dwMLI
Хоть и тоже не в тему, но даже тот же Urmax будет гораздо интереснее, чем то, что Вы скинули. Если Вам конечно удобно работать "этим", Ваше право.
Да просто увидел случайно, а так предпочитаю свой родной Fnirsi 2C23T
есть новый Монтажный набор с ALT-307, даже не включал еще. За 15, 14 т.р. отдам)))
Подскажите пожалуйста, может кто знает
Какой потенциал должен быть на входе сигнализации, чтобы она увидела сработку?
Вот к чему такой вопрос.
Кнопку старт/стоп хочу повесить на сенсорную кнопку, модуль смонтировать за панелью (хочу сохранить функционал родного замка зажигания, а сверлить, точить и прочее панель под физические кнопки не хочу). При нажатии на сенсор всё отлично, минус 12 вольт на сигнальном проводе, но в режиме ожидания, на сигнальном выходе кнопки проскакивают импульсы то плюса, то минуса, напряжением порядка 1,5 вольта. Примерно 1-2 импульса в секунду. Плюсовой сигнал отсеку диодом, но минус пройдёт.
Вот интересует вопрос, на какое напряжение срабатывает вход сигнализации? Проигнорирует он эти 1,5-1,6 вольта, или сработает?
П.С. Сейчас пока курю тему фильтров помех, но что-то туги идёт понимание.
Подскажите, кто знает.
Летом уеду примерно на месяц, авто будет стоять у друзей в служебном гараже.
Может так быть, что авто нужно будет выгнать на минутку и потом загнать назад.
Аккумулятор отключу на время стоянки, чтобы не высадить, и включить сервисный режим, чтобы не делать мозги людям.
Сам вопрос:
Я понял, что сигнализация сохраняет последнее состояние, которое было перед отключением питания, но сохраняется ли статус сервисного режима при отключении питания, если он был активирован перед отключением, и сколько сига хранит состояние (условно простояла 1 или 20 дней без питания не важно, или важно)?
Летом уеду примерно на месяц, авто будет стоять у друзей в служебном гараже.
Может так быть, что авто нужно будет выгнать на минутку и потом загнать назад.
Предусмотрительно
Аккумулятор отключу на время стоянки, чтобы не высадить,
Это правильно.
и включить сервисный режим, чтобы не делать мозги людям.
И это правильно. Людям можно и нужно оставить только ключ от машины. Брелок от сигналки им не нужен.
Сам вопрос:
Я понял, что сигнализация сохраняет последнее состояние, которое было перед отключением питания,
правильно поняли.
но сохраняется ли статус сервисного режима при отключении питания,
сохраняется
если он был активирован перед отключением,
сохраняется
и сколько сига хранит состояние (условно простояла 1 или 20 дней без питания не важно, или важно)?
в теории - хранит ВЕЧНО, пока после подачи питания состояние не будет сменено на другое при помощи брелока..
А чтобы совсем не парить мозг - можно не включать режим СЕРВИС, а просто отдать машину с ключом (без брелка) в состоянии СНЯТО С ОХРАНЫ (особенно - если безгранично доверяете друзьям). Это состояние сигнализация может хранить вообще бесконечно. Хоть с питанием, хоть без питания.
PS
Если степень доверия друзьям беспредельная, то и брелок можно отдать вместе с ключом.
Спасибо огромное!
Прям всё по пунктам, всё по полочкам полочкам разложили!
Вопрос к знатокам по гибкой логике.
Пишу программу:
Событие: Запуск двигателя по АЗ/ДЗ
Условие: Температура двигателя выше 62
Действие: активация выхода.
Прервать если: снято с охраны или остановлен двигатель.
Вопрос в чём: Программа тупо стартует при условных 63 и ждёт условий её прерывания, или при падении до 61-62 градусов она тоже прекратится?
И второй вопрос:
Я же правильно понимаю, что можно повесить на один аналоговый выход разные условия.
Т.е. в первой программе он активируется при запуске с АЗ/ДЗ при 62+ градусах, и отключается при снятии с охраны или глушении, а во второй программе он активируется при снятии с охраны и запущенном двигателе, прерывается при остановке двигателя.
Для чего:
Это выход будет управлять реле отопителя.
Первая программа будет на прогрев салона зимой (оставил печку на средней скорости и рекуперации воздуха, авто прогрелось, печка замаслала и пошёл греться салон), и вторая на включение питания отопителя при простой посадке (кондиционер летом и прочее). Не будут ли они конфликтовать, или лучше разбить на два выхода (есть пара выходов в запасе)?
Прикладываю гибкую логику. Может заодно другие программы глянете, вдруг скосячил где.
Файл логики
вообще ничего не будет работать, условие проверяется один раз следом после того как произойдет событие и усё....
А если так:
Программа прогрева салона:
Событие: Температура двигателя выше 62
Условие: двигатель запущен и сигнализация в охране.
Действие: активация выхода отопителя.
Прерывание: остановка двигателя или снятие с охраны.
Просто активация отопителя (без прогрева салона):
Событие: двигатель запуск.
Условие: снято с охраны.
Действие: активация выхода отопителя.
Прерывание: остановка двигателя
ПыСы: я думал при наличии условия, программа при совершении события уходит в ожидание условия или прерывания.
Для чего:
Это выход будет управлять реле отопителя.
Первая программа будет на прогрев салона зимой (оставил печку на средней скорости и рекуперации воздуха, авто прогрелось, печка замаслала и пошёл греться салон), и вторая на включение питания отопителя при простой посадке (кондиционер летом и прочее). Не будут ли они конфликтовать, или лучше разбить на два выхода (есть пара выходов в запасе)?
Собственно это все зачем? Не совсем понятно. Зимой приехали, оставили нужную температуру, нужную скорость обдува и всё. Запустили с ДЗ, отопитель греет салон. Летом всё точно так же, только еще кнопочка АС нажата, запустили с ДЗ, кондиционер охлаждает салон. Что именно из этого Вы хотите переделать? Что не так с штатной работой?
Я же правильно понимаю, что можно повесить на один аналоговый выход разные условия.
Правильно понимаете.
Прикладываю гибкую логику. Может заодно другие программы глянете, вдруг скосячил где.
Ага...на ДХО....статус паркинга Вы откуда взяли? Ну и запомните, "прервать если..." работает на то действие, которое работает и продолжает работать. В вашем случае действие "ДХО включить" это действие длится миллисекунды. На этом программа закончилась. И "прервать если..." это про программу целиком, а не про то действие, которое Вы хотите сделать.
Если я поставлю темпер и включу печку, то после ДЗ зимой двигатель будет греться до второго пришествия, минут 30-40 минимум. На рекуперации воздуха при -30 на улице, двигатель прогретый до 65-70 и на средних оборотах отопителя не поднимает температуру вообще, а если открою внешний забор воздуха, то даже будет немного падать темпер. Сейчас завожу на ДЗ, жду 15 минут (это примерно прогревает до 65-68 градусов), потом выбегаю, включаю печку и домой бегу (авто во дворе у подъезда почти), минут через 10 выхожу в тёплый салон. Хотел исключить беготню.
Статус паркинга будет с входа паркинга, с лампочки на панели.
Понятно, буду кубатурить. Просто покатался на одной машине, где ДХО включаются при снятии паркинга. Очень понравилось. Думал реализовать подобное. Всё равно есть три незадействованных выхода.
Не получится, оставлю как есть, аналоговая кнопка :)
Витёк, надо сигнализацию уже установить и все проверять в деле, а ты все теорию мусолишь, третий год)
Фигасе как летит время :) В январе толко вроде взял сигу, а уже три года прошло :)
Пока холодно возится, а тёплого гаража нет. Да и не охота возиться во дворе. Договорился, что к друзьям на первомай запрусь в бокс и там буду ставить. Уже всё сделал, даже оранжевый провод силового блока запиновал (в дефолте там нет пина тупо, а сама релюха есть) для освобождения одного из реле в блоке, все расходники есть, все схемы и точки подключения перепроверил по сто раз. Уже руки чешутся ставить.
включая печку на обдув при уже нагретом моторе Вы рискуете заполучить горизонтальную трещину на стекле из-за теплового удара...
Неа. Не треснет. Проверено с 2021 года, при том, что у меня еть нифиговая розочка в левом нижнем углу стекла. Ну и я поэтому и буду врубать прт 60 на средних оборотах.
Я не накаркал. Я просто предупредил.
Да норм всё. Предупреждён, значит вооружён.
Я видел такие случаи, но там сходилось, чаще всего, несколько факторов:
Трещина в стекле.
Иней/лёд/слой снега на стекле.
Машина прогрета до 75+.
Печку сразу на максимум и только на лобовуху.
Один дебил этой зимой вообще отжёг. На стекле толстый слой инея, на улице -30, -35. Он ничё умнее не придумал, чем налить ковшичек водички градусов так 60, и полить лобовуху. Стоит машина теперь с января месяца с красивой паутинкой на лобовухе, ждёт, когда её тупой хозяин её в автосервис на замену лобовухи отвезёт.
Ну если Вы все риски понимаете, то собственно, вот вам велосипед (в нем по прежнему педали и колесо):
Канал назначенный "зажигание2" ставите не назначено.
Программа 1:
событие: двигатель завелся с аз\дз,
условие:
действие: ничего не делать 1000с (это примерно 16 мин, думаю к тому моменту прогреется двс), прервать если температура двигателя стала больше +65.
Программа 2:
событие: программа 1 - завершение работы
условие: двигатель запущен (это страховочка, чтобы просто так не включился канал если мотор заглох)
Действие: гибкие аналоговые выходы (канал назначенный заж2) - включить.
Тут у Вас получится, что если в течение 16 мин мотор прогреется до указанной температуры, то включится зажигание2 и заработает отопитель, Если не нагреется, то по истечению 16 мин, он включится в любом случае. (честно говоря с трудом представляю как NZ в -30 можно прогреть до +65 на стоящем авто, но это уже лирика).
Ну и не забываем, что его еще как-то выключить нужно, допустим так:
Программа3:
событие: АЗ\ДЗ завершен
условие: гибкие аналоговые выходы (канал назначенный как заж2) - активное состояние
действие: гибкие аналоговые выходы (канал назначенный как заж2) - выключить.
Это просто "рыба", там сами допиливайте под себя, как нужно.
Спасибо огромное!
Зимой примерно +/- 15 минут прогрев до 60 градусов. Буду отталкиваться от этого.
Но зажигание2 глушить нельзя, на нём висит много чего, двигатель заглохнет. Я тогда лучше доп управление реле отопителя заведу на отдельный выход.
Но зажигание2 глушить нельзя, на нём висит много чего, двигатель заглохнет. Я тогда лучше доп управление реле отопителя заведу на отдельный выход.
Опять двадцать пять.
Еще раз для тех, кто так и не знает (не понял, не уловил, не разобрался):
Когда речь идет о сигнализации и её НАСТРОЙКАХ, то
ЗАЖИГАНИЕ1 - это такое , которое в машине подключается К ГЛАВНОМУ ЗАЖИГАНИЮ, с которого кормится мозг мотора. Именно пропадание этого зажигания приведет к тому, что мотор заглохнет. У сигнализации это ЖЕЛТЫЙ ПРОВОД так настроен с завода...
ЗАЖИГАНИЕ2 - это такое зажигание У СИГНАЛИЗАЦИИ, с которого в машине кормятся все вспомогательные системы вокруг двигателя - вентиляторы, кондиционеры, отопители салона и т.п.
Более того - в стандартной настройке сигнализации оно еще и ПРОПАДАЕТ на время вращения стартера!
В машинах Toyota на их схемах то зажигание, с которго кормится мотор (то есть ЗАЖИГАНИЕ ГЛАВНОЕ) названо ЗАЖИГАНИЕ2. А у сигнализации это ... ЗАЖИГАНИЕ1. Вот такой вот казус.
И самое смешное ,что вспомогатлеьное зажигание в Toyota не пропадает при стартерной прокрутке. Так что и его надо в настрофйках назначать как ЗАЖИГАНИЕ1!
Не путайте схемы машины и ... АЛГОРИТМЫ и НАСТРОЙКИ сигнализации.
По итогу - мой коллега, написав Вам логику для ЗАЖИГАНИЯ2 - вел речь про НАСТРОЙКУ вспомогательного канала релейного модуля сигнализации, подключаемого к вспомогательному зажиганию в машине, а не про ГЛАВНОЕ...
Стало понятнее? Или я еще больше запутал Вас?
Отвечу вашими же словами: "опять двадцать пять".
Вы абсолютно верно описали алгоритмы работы зажигания двух распространённых систем, но абсолютно не правильно свели схемы распределения питания к одной.
Я понял, что хотел сказать Алексей, и понял логику работы программ.
Про заж2 написал специально, для людей, которые хотят установить "по дефолту", тупо по схеме и ничего не меняя, не вникая в логику работы заж1 и заж2 в тойотах. Такой человек тупо из поискового запроса найдёт пост, и не задумываясь напрограммирует, потом будет думать, почему двигатель не стартует, видел таких на форумах пачками.
Так вот, условно есть два распространённых алгоритма работы зажигания:
1. Зажигание 2 не отрубается на время кручения стартера (отрубаются аксессуары). Это в основном тойоты и дайхатсу.
2. Зажигание 2 отрубается с аксессуарами на время кручения стартера. Это в основном ниссаны и субару.
Эти алгоритмы прямо завязаны на схемы распределения питания, а вот они в корне разные.
Условно назовём первый алгоритм - тойота, а второй - ниссан.
На тойотах заж1 - это питание маломощных потребителей и вспомогалки, а заж2 - питание мощных потребителей и основных систем. Там нет распределения "основное - вспомогательное". Условно, хоть и не совсем по схеме, блок управления реле бензонасоса на заж1, а вот питание самого бензонасоса на заж2. Для нормальной работы двигателя они должны быть оба активны. Если отрубить заж1, то 99% двигатель заглохнет, даже с активным заж2, и 1% на то, что двигатель не заглохнет, но вывалится в аварию (режим "доехать до дома не более 30 км/ч"). На том же фунтике, иммобилайзер (модели после 2002-2003 года) питается с заж1, и он нужен для запуска. Тут распределение питания на мощный/слабый потребитель, а не по системам.
На ниссанах распределение питания другое. Там на заж1 висят все системы управления двигателем и питанием (работа двс+система зарядки), а заж2 по сути силовое питание вспомогательных систем аксессуаров, типа отопителя и кондея. Тут нет распределения на мощных/слабых потребителей, тут распределение по системам. Если отрубить заж2, то ничего критичного не случится для работы двигателя, ну не будут работать стеклоподъёмники, дворники, и прочее светомузыкальное, но двигатель работать будет, зарядка будет, никто в аварию не выпадет.
И в сигнализации по сути нет различия на основное и вспомогательное зажигание. Всё зависит от настроек. Я спокойно примотаю заж1 авто и заж1 сиги, и соответственно заж2, но просто настрою правильно заж2, и разницы не будет для сиги, что там и как.
Логика "в сиге заж1 - основное, а заж2 - вспомогательное, так в дефолте" не корректная, а попытка переложить дефолтные настройки сигнализации на все схемы распределения питания, это вообще неправильно. Потом часто вижу сообщения на форумах: "да на тойотах заж2 не отрубается, не заморачивайся, просто скрути вместе заж1 заж2 на замке зажигания, и туда кинь заж1 сиги", потом эта скрутка при нагрузках греется.
Самый простой сбособ определить алгоритм работы зажигания, это найти и глянуть таблицу проверки запуска (на машинах с замком зажигания это будет таблица того, какие контакты замыкаются в разных режимах (acc, on, start), на машинах с кнопкой, какие выходы активируются в этих режимах, все они проверяются контролькой на массу). И уж потом раскидывать провода, а не сводить все авто к одной схеме. распределения питания.
Я рад, что Вы всё правильно поняли. Значит у Вас проблем не будет при реализации своей задумки.
Народ, помогите пожалуйста.
Смонтировал сигнализацию (ну как смонтировал, все провода раскидал, прицепил, но пока не на чистовую, т.к. выпала проблема).
В диагностике всё нормально, все входы и выходы отрабатывают на 5+.
АЗ/ДЗ работает отлично.
В чём проблема: Решил установить кнопку старт/стоп. Взял обычную квадратную кнопку (как все на торпедо, не всякие модные китайские непонятные кнопки).
При нажатии кнопки аксессуары включаются нормально, а вот зажигание нет.
Зажигание включается буквально на долю секунды (просто моргнёт на пол секунды максимум) и отрубается.
Пробовал просто проводок на массу тыкать (ну думал, что в кнопке чего глючит), так же.
Т.е.
Без педали тормоза:
1. Тык кнопку, аксессуары вкл.
2. Тык второй раз...зажигание морг и отрубается алгоритм.
1. Нажал педаль тормоза.
2. Тык кнопку.
3. Педаль отпустил.
4. Аксессуары вкл.
5. Зажигание морг, и до свиданья.
Пробовал и держать тормоз, толку никакого.
Если бы чего накосячил в развязке силового модуля, то и ДЗ не работал бы.
Файл настроек прилагаю.
AS90.slc
ПыСы: там в каналах зел-жёлт - это зажигание 2, а зелёный силового - это защита стартера. Просто на зел-жёлт я запиновал оранжевое реле силового модуля (оранжевый выход) и теперь оранж - это зажигание 2, управляется зел-жёлт выходом сигнализации.
метка из транспортного режима выведена? при нажатии на кнопку на ней замки закрываются и открываются?
если все в норме попробуйте обновить еще раз прошивку
Гибкая логика вся НЕПРАВИЛЬНАЯ, отключите ее на время проверки, как отстроите систему продолжите тренироваться
Да, выведена. Всё открывает и закрывает. В диагностике метка видна. С логикой проблема, я на нее разводку сделаю, но пока отключу и буду думать, что там делать.
Попробую перепрошить обновление, посмотрим.
Думал с силовым прокосячил, но ДЗ отрабатывает, значит всё норм.
Спасибо!
ПыСы: кто знает и может, помогите с логикой дхо. Хочется сел, завёл, с паркинга снял, дхо врубились. Ну и нужно как-то их проверять без движения (на случай замены ламп или их проверки).
если не сработает пробуйте шить версию ниже
если и это не сработает переназначьте кнопку с концевиками дверей, а двери на провод кнопки
если и это не сработает, сверьте правильность определения оборотов в старлайн мастере с приборной панелью и если совпадает поставьте галку( подтверждение правильности настроек работы двигателя)
Попробую.
Обороты были завышены, плохо, что нельзя ставить дробный делитель.
Выставил делитель 2 (обороты были 1500 примерно, в прошрамме 2900-3000, при 2 теряю примерно 80-100 оборотов, не критично).
, плохо, что нельзя ставить дробный делитель.
Для этого кроме делителя есть еще ... множитель.
Если текущие импульсы на её входе разделить на два и умножить на три, то сигнализация будет видеть в 1,5 раза больше, чем частота на её входе. А если разделить на три и умножить на два, то сигнализация будет видеть 0,6666(6) от частоты, поступившей на её вход...
офигеть, спасибо.
Выставил делитель 2 (обороты были 1500 примерно, в прошрамме 2900-3000, при 2 теряю примерно 80-100 оборотов, не критично).
Скорее всего и надо было делить на 2.
Ибо если обороты смотрели по приборной доске, а не по сканеру, подключенному к OBD, то сам тахометр на приборной доске мог показывать не особо точно...
Не, обороты по ЕЛМке смотрел, сейчас +/- точно. ЕЛМка показывает 1500+/- 60, в программе 1500+/-40, считаю небольшой статистической погрешностью :)
Теперь другой прикол.
Машину завожу по ДЗ.
Снял с охраны, сел, повернул ключ....машина заглохла.
Снял с охраны, сел, нажал тормоз, повернул ключ....врубилась поддержка зажигания, и не вырубалась. Поворачиваю ключ на глушение, всё равно не глохнет, зажигание активно. НО я никуда не ехал, просто на месте стоял, ждал жену с работы. Так и не понял, как отрубить поддержку зажигания, пришлось сбросить клемму на секунду.
ПыСы: с кнопкой старт/стоп так и косяк. И поставил галку на правильность параметров двигателя, и каналы менял....шил, но правда на одну версию ниже...ничего. Зажигание моргает и всё. Ну да сейчас всё равно недоделал до конца. Штифт блокировки руля пока застопорил (просверлился в замке и вкрутил болт, скоро придёт соленоид с камри, там схожая система со штифтом и стопарём, он нормально встанет у меня к замку), но вышел другой косяк, там же блокировка рычага АКПП, если не повернуть ключ, а эту блокировку я пролюбил, как придёт соленоид, то посмотрю как там эта блокировка реализована, чтобы и кнопку замутить и блокировка работала, мож тоже какой соленоид.
Хочу попробовать отключить штатную настройку кнопки старт-стоп и взять народные рецепты кнопки на гибкой логике. Если не будет отрабатывать норм, то ХЗ, летом поеду в соседний город лобовуху менять, там есть официальный центр по установке старлайн, заскочу на диагностику.
Машину завожу по ДЗ.
Снял с охраны, сел, повернул ключ....машина заглохла.
Смотря куда повренули. Если до положенрия АСС, то таки ДА - после откочбения реле в релелцном модуле сигнализацими - заждигание пропало.. Мотор заглох.
Если бы ключ довернудли до положения ON (зажигание вкл) - мотор бы не заглох - питание прешло бы с сигнализации на замок зажигания.
Снял с охраны, сел, нажал тормоз, повернул ключ....врубилась поддержка зажигания, и не вырубалась.
Для запуска ключом машины с АКПП нажатие на тормоз не требуется...
Могу ткнуть пальцем в небо, что Ваше нажатие тормоза запустило какой-то алгоритм поддержки зажигания - например кусок программы от Вашей КНОПКИ СТАРТ-СТОП... Но это так - пальцем в небо.
Поворачиваю ключ на глушение, всё равно не глохнет, зажигание активно.
Значит его удерживает сигнализация через свой релейный модуль...
НО я никуда не ехал, просто на месте стоял, ждал жену с работы. Так и не понял, как отрубить поддержку зажигания,
Тыкать в кнопку СТАРТ, нажитмать на тормоз. Другие танцы с бубнами, зная - ченго понаписали в ГЛ...
пришлось сбросить клемму на секунду.
Это решает много проблем. В том числе сброс программ ГЛ при перезагрузке по питанию...
ПыСы: с кнопкой старт/стоп так и косяк.
Вот и я о том же. Накосячего в программах ГЛ для кнопки..
.
И поставил галку на правильность параметров двигателя,
зачем? У Вас сейчас обооты совпадают. Почти.
и каналы менял....
Какие и зачем - нам не видно... И судя по всему - не помогло. Не там искали...
шил, но правда на одну версию ниже...ничего.
Тоже непонятно - что и зачем "шили". Наверное - главный блок...
Это тоже не поможет...
Зажигание моргает и всё.
В смысле? В машине "пулемет"??? Приборная досчка самопроизвольно засвечивается и гаснет, засвечивается и гаснет и так до бесконечности? Пока клемму не снимете?
Ну да сейчас всё равно недоделал до конца.
Предъявлять к осмотру недоделанное - так себе затея... Может стОит доделать?
А что не доделали-то?
Штифт блокировки руля пока застопорил (просверлился в замке и вкрутил болт, скоро придёт соленоид с камри, там схожая система со штифтом и стопарём, он нормально встанет у меня к замку), но вышел другой косяк, там же блокировка рычага АКПП, если не повернуть ключ, а эту блокировку я пролюбил, как придёт соленоид, то посмотрю как там эта блокировка реализована, чтобы и кнопку замутить и блокировка работала, мож тоже какой соленоид.
Мать моя женщина...
Хочу попробовать отключить штатную настройку кнопки старт-стоп и взять народные рецепты кнопки на гибкой логике.
Тоже вариант.
Если не будет отрабатывать норм, то ХЗ,
Обычно выводы просты: как сделано - так и работает... А что и где Вы делаете не так - ЗАОЧНО непросто понять...
летом поеду в соседний город лобовуху менять, там есть официальный центр по установке старлайн, заскочу на диагностику.
Ну если они смогут разобраться в Ваших идеях и найти ошибки в их реализации - честь и хвала им. В любом случае - ВЖИВУЮ их шансы будут выше, чем шанмсы при наших заочных попытках...
Если бы ключ довернудли до положения ON
Дык доворачиваю, один фиг глохнет. Прям без пауз, единым порывом до положения ON.
кусок программы от Вашей КНОПКИ СТАРТ-СТОП... Но это так - пальцем в небо
Я думаю, тут не "в небо", тут вы абсолютно правы. Я для проверки нажал кнопку, типа остановить двиг, поддержка отрубилась.
зная - ченго понаписали в ГЛ
Вот и я о том же. Накосячего в программах ГЛ для кнопки..
Я в ГЛ ничего не писал, исключительно штатная логика кнопки.
зачем? У Вас сейчас обооты совпадают. Почти.
Какие и зачем - нам не видно... И судя по всему - не помогло. Не там искали...
Тоже непонятно - что и зачем "шили". Наверное - главный блок...
Мне выше Маугли писал, попробовать с версиями поиграться и каналы перекинуть при монтаже на проверке.
У меня штатная логика кнопки не отрабатывает, тык - АСС, тык - зажигание не включается, а моргнёт на долю секунды и отрубается. Шиза какая-то.
В смысле? В машине "пулемет"???
Не. Моргнёт на долю секунды и гаснет, насовсем. Штатная логика кнопки перестаёт работать. Не моргает пулемётом.
Предъявлять к осмотру недоделанное - так себе затея... Может стОит доделать?
А что не доделали-то?
Это я про "механическую" часть замка зажигания. Там какая-то ещё механическая блокировка селектора АКПП, если ключ из положения LOCK не вывести, то селектор (ручка) заблокирован, не переключается. Буду посмотреть, что там за штифт.
Мать моя женщина...
Это всё танцы с бубном, чтобы сохранить штатный блок руля (механический штифт). Чтобы он "прятался" и от механического поворота ключа, и при активации запуска с кнопки.
Тоже вариант.
Это для проверки. Или что-то глючит штатную логику кнопки, или я дурак (пока склоняюсь ко второму варианту :))
Ну если они смогут разобраться в Ваших идеях
Ну фактически у меня просто переназначение каналов для организации наблюдения за паркингом, кнопка, и запиновка оранжевого провода в "морковке".
Ничего не стал писать в ГЛ (все свои косячные программы поудалял).
Ну и поменял местами каналы некоторые, исключительно чтобы их более кучно вытащить из колодки (прямо убрать пины из колодки не используемые).
Я просто хочу диагностику блока сиги, может он где-то косячный, процент брака никто не отменял.
ПыСы: есть ещё тупая идея, но как показывает практика, чем тупее идея, тем она реальнее. У меня немного "нештатная" машина. Какой-то кадавр из до и рестайла с доп каналами. ВИН не пробивается, ибо он не стандартный, машина изначально не была для рынка, она была для использования в виде социального такси, ну типа того. У меня на двери багажника внутри усиленный каркас, прикручено крепление для электроподъёмника, внутри доп ухи для крепления инвалидного кресла и инструкция как и куда крепить. В обшивке двери багажника двухпиновый силовой разъём (заменил на обычное гнездо прикуривателя) и на панели тумблер его включения, там провода с палец толщиной и напрямки подключен к аккумулятору через пред в 60А в блоке предов на аккуме (заместо преда системы курсовой устойчивости, её нет). Машина 2001 года, но в электрике есть контрольные цепи, которые появились только после августа 2002 года.
Так вот сама идея: Может стоит какой контроль питания зажиганий. Сейчас вся морковка у меня питается от толстого провода питания ЗЗ, с которого, согласно схеме распределения питания, питаются аксессуары и зажигание 1. Провод питания стартера и зажигания 2 не задействован. Так вот, может имеется какая защита. Типа при отсутствии питания с провода СТ, ЗЖ2, срабатывает какая защита, и наоборот, при заведенном двигателе при появлении там "обратного" питания эта защита тоже срабатывает и отрубает двиг.
Идея скорее всего тупая, и на 99% не правильная, из-за того, что если бы такая защита была, то тогда бы не работал АЗ/ДЗ, но он работает.
На днях буду опять взрывать торпеду (хочу промыть воздуховоды печки/кондиционера, отмыть радиаторы, заменить поролонку фильтра рециркуляции (там на всосе просто поролонка стоит, вся в пыли, хочу её в топку и присобачить воздуховод от моющего пылесоса с НЕРА фильтром, уже всё промерил, всё отлично встанет, и обслуживать потом проще, там только руку в трёх местах сломать и лекго будет до него долезть)), заодно попробую на морковке раскидать питание, чтобы ИГ1 и ИГ2 питались как в стандарте от разных проводов, пока сниму защиту стартера с провода и как раз релюх морковки хватит.
А желтый провод зажигания куда подключен? и блокировки двигателя есть
сейчас? Просто с кнопками проблем у меня не было( я правда год назад ее
последний раз делал). Паркинг и стоп сигнал вообщем все эти основные
цепи проверили контролькой на корректность подключения?
или вы просто не правильно понимаете логику работы. Если вы не поставили галку( глушить двигатель при снятии с охраны) то при снятии с охраны( в рамках времени работы двигатля при аз\дз) двигатель продолжит работу, он уже перешел на кнопку при открытии двери( это и есть мягкая посадка). Если вы приехали, то глушите как обычно( нажатием на кнопку почему она корректно не работает ХЗ), но если у вас турботаймер то ( на кнопку нажимать не надо, надо открыть и закрыть дверь и нажать закрыть на метке) мотор продолжит работу положенное для турботаймера время. Если пока работает турботаймер снять с охраны( то сигналка перейдет опять в режим кнопки). Вообщем подводя итог , не включайте режим турботаймера и при рабочем режиме кнопки все будет оФигенно.
А желтый провод зажигания куда подключен?
К жёлтому проводу силового блока, жёлтый силового к зажиганию 1 замка зажигания.
блокировки двигателя есть
сейчас?
Есть. Использовал "секретку" со старой сиги, там рвётся провод реле бензонасоса. Если бы блокировка глючила, то машина бы не глохла мгновенно и блокировка не отбивает зажигание, работает на отлично.
Паркинг и стоп сигнал вообщем все эти основные
цепи проверили контролькой на корректность подключения?
Естественно. И по схеме цвета проводов, и контролькой, и в диагностике они нормально отрабатывают.
не поставили галку( глушить двигатель при снятии с охраны)
В стандарте она стояла, я снял.
при снятии с охраны( в рамках времени работы двигатля при аз\дз) двигатель продолжит работу, он уже перешел на кнопку при открытии двери
При открытии двери и снятии с охраны двигатель продолжает работать. Прикол в том, что я кнопку сейчас не пользую (не доделал механику замка, как оказалось, и глюк в моргании и отрубании зажигания не понятен).
не включайте режим турботаймера
Я его и не включал.
Да и хрен с ней сейчас с кнопкой. Как переподключу все цепи силового на работу как в стандарте авто, то посмотрим (ну там отдельное питание на зажигание 2 (буду пользовать на заж2 зелёное реле силового, НР контакты на питание заж2 в замке и на само заж2)).
Лучше кто знает и может, то помогите с ГЛ на ДХО. Нужно два сценария.
1. Завёл двигатель, поехал, при снятии с паркинга включается ДХО.
Думал так:
Событие: запуск двигателя.
Условие: снятие с охраны, паркинг не активен.
Действие: активация выхода ДХО.
Прекращение программы: активен паркинг, глушение двигателя, постановка в охрану.
2. Проверка ДХО (типа посмотреть, не перегорели ли лампочки). Вот тут затык.
Думал так:
Событие: активное зажигание.
Условие: охрана выкл, паркинг активен, двигатель заглушен.
Действие: активация выхода ДХО.
Прекращение: запуск двигателя, постановка в охрану, выкл зажигания.
Как мне сказали, и правильно сказали, что все мои программы через одно место. Фантазия иссякла.
Лучше кто знает и может, то помогите с ГЛ на ДХО. Нужно два сценария.
1. Завёл двигатель, поехал, при снятии с паркинга включается ДХО.
Думал так:
Событие: запуск двигателя.
Условие: снятие с охраны, паркинг не активен.
Действие: активация выхода ДХО.
Прекращение программы: активен паркинг, глушение двигателя, постановка в охрану.
Это так не работает вы не прекратите программу которая уже отработала, поэтому надо 2 программы писать на вкл и отключение.
Если не используете сейчас кнопку то отключите эти галки, у вас сейчас переключение на ключ из-за этого не правильно работает.
Понял, спасибо. Сделаю по кнопке.
По ДХО буду курить дальше тему с разными программами.
фаил настроек последний приложите... поправлю логику
Ну как-то так. Попробовал в ГЛ :) Кнопку пока не отключил. Сегодня попробую отрубить, посмотреть, что будет.
AS90post.slc
AS90.slc
поправил по быстому логику и отключил кнопку, в каналах 2 дхо какой не правильный не знаю
Спасибо огромное!
для проверки дхо, просто переведите с паркинга в другой режим и верните в паркинг и смотрите свои дхо, отключаются по глушению двигателя( для ламп чем менше включения и выключения тем лучше) если светодиоды потом доработаем.
для проверки дхо, просто переведите с паркинга в другой режим
А об этом я и не подумал. Как всегда, забываю про самое простое.
если светодиоды
Да, у меня светодиоды в дхо.
ну тогда изменяем логику, с паркинга сняли дхо включились, на паркинг поставили дхо выключились, надо проверить дхо поставили нейтраль, дернули ручник и идем смотрим дхо ( если понравился вариант выше, значит ничего не меняем)
Поправил фаил настройки, не забудьте прописать номер владельца
AS90.slc
Спасибо тебе, святой человек!
и еще проверяйте массу сигнализации( массу лучше прикрутить под болт), потому как с кнопкой реально не понятная фигня
проверяйте массу сигнализации( массу лучше прикрутить под болт)
У меня питание сиги идёт из косы. Минус на бел/чёрн проводе общего по авто проводного минуса, а плюс с постоянного плюса, который идёт через пред GAUGE и потом к радиоприёмнику дистанционного управления центральным замком (лентяйка на ключе штатном). Там постоянный плюс от аккумулятора через предохранитель. Все соединения у меня не на скрутках, всё на пайке. Ну как, сначала скрутка, потом пропайка с нейтральным флюсом и смывкой останков флюса на всякий случай. Минус кнопки подключен к балке панели в салоне, обжат кримпером на клемму с кольцом и на болт.
---
Дурдом продолжается. Отключил в настройках запуск по кнопке. Машина перестала глохнуть, если при заведённом по ДЗ двигателе садился и поворачивал ключ. Сегодня авто заведено с ДЗ, сел, повернул ключ и поехал, без всяких затыков. Светодиод сигнализации работы по ДЗ погас, после нажатия на тормоз для включения передачи.
Всё таки мне кажется, что затык где-то в авто, если подключить оба зажигания на один плюс. При повороте ключа где-то идёт глюк. Т.к. как я понял, если активна кнопка, то при посадке врубается алгоритм включения поддержки зажигания, и что-то, за чем-то начинает следить, при повороте ключа идёт затык. При отключенной кнопке сига за чем-то не следит, поэтому всё отлично отрабатывает, режим ДЗ отключается при нажатии на тормоз уже с провёрнутым ключом. Если ключ не провернуть, а сесть и нажать тормоз, то машина глохнет (так же было и на В9, стандартное поведение), специально проверил. Разведу питание на по отдельности, посмотрим.
эээм можно фото платы сигнализации
и фото релюшек в модуле запуска
Здравствуйте.
Прошу прощения, что так поздно. По работе мотался по командировкам, не было времени написать.
Фото платы выкладываю на ЯД, т.к. не хочу пережимать фото. Там с разных ракурсов, т.к. на разных фото разны надписи видны лучше.
https://disk.yandex.ru/d/pztwjp-hzbffTw
Фото морковки не сделал, сообщение пришло, когда уже всё отфотал и собрал. Прошу прощения, но я уже так задолбался жонглировать торпедо, что не готов на очередной подвиг по взрыву панели.
Я когда искал управление "оранжевым реле", то вскрывал морковку, там реле омрон стоят высокоамперные на контакты, сами обмотки для слаботочки.
---------
Дурдом продолжился с кратковременным глушением авто при ДЗ и посадке с поворотом ключа.
Опять появилось. Меня выбесило, и решил проверить "на дурака". Заказал контактную группу замка зажигания, новую. Подкинул, проверил, при повороте ничего не глохнет, подкинул родную группу, глохнет. Я выпал в осадок. Поставил новую контактную группу.
Проверяю старую, получается в АСС между контактами сопротивление не падает до нуля, а держится 13-17 Ом, остальные отрабатывают в ноль.
Получается на старой группе, при повороте в АСС двигатель либо глох (в логах была запись: "Глушение двигателя (пропадание сигнала оборотов)"), или начинал троить неистово.
Что за ХЗ неизвестно, но факт остаётся фактом.
---------
После новой контактной группы кнопка С/С не стала работать нормально :)
При этом был прикол, когда со старой контактной группой ДВС глох, но оставалось активной поддержка зажигания ДЗ, и если в нём нажать кнопку с тормозом, то машина заводилась и держалась от кнопки, т.е. пропускалась ступень вкл зажигания кнопкой, т.к. оно уже было включено и держалось алгоритмом ДЗ. Алгоритмы глушения ДВС кнопкой отрабатывали нормально.
---------
Пока курил тему, то наткнулся на такое описание ошибки работы StarLine M96:
"При запуске автомобиля кнопкой старт-стоп не выдерживается таймаут второго нажатия".
Эта ошибка была у них c версии 1.69.2 до 1.71.2.
Потом в известных ошибках пропала, и в исправленных не было.
----------
Сейчас по народным рецептам сделал ГЛ на кнопку. Посмотрим.
Файл настроек прилагаю:
AS90_NPD.slc
Пока курил тему, то наткнулся на такое описание ошибки работы StarLine M96:
"При запуске автомобиля кнопкой старт-стоп не выдерживается таймаут второго нажатия". возможно это и была проблема авто со штатной кнопкой с.с, в вашем случае такого быть не должно
добавьте событие в ГЛ, чтоб как говорится железобетонно выключить
Понял, добавлю на всякий случай. Но пока, тьфу-тьфу-тьфу, всё норм отрабатывает.
возможно это и была проблема авто со штатной кнопкой с.с
В описании ошибки ничего про штатную не было, я и подумал про похожую на мою проблему. Как раз тайминг второго нажатия не срабатывает.
Самый прикол в том, что если часто тыкать кнопку, то таймер отсчёта между действиями не успевает сброситься между отключениями, и срабатывает на запуск, и стартер дёргается заводиться.
ГЛ поправлять надо, особенно 7 программа.
Но проблема не в этом.
В связи с этой неразберихой, следует
1.отключить силовые провода сигнализации от замка зажигания и проверить корректно ли работает авто...
2.потом подключить силовые провода к замку зажигания, и проверить корректно ли все отрабатывает (без логики старт стоп и без кнопки старт стоп)
3. Кнопку "прикручивать" и испытавать, когда разберешься с шагом 2
step-by-step
Пока пришло уведомление о новом сообщении, успел всё загрузить и проверить:)
Гибкая логика кнопки на народных рецептах отрабатывает на 5+. Всё включается, заводится, работает.
Запуск, все нажатия, мягкая посадка...всё отрабатывает без срывов. Осталось разобраться с механическими блоками на замке. Их два. Один наш простой штифт в вал руля, уторой блочит селектор АКПП, там без проворота передачи не включить. Надо думать. Вроде есть инвалидки сиенты, и там селектор на руле, как у фунтика, и замок подходит, но т.к. сиента эта на кнопке, то там оба штифта на электронике. Будем посмотреть.
ПыСы: буду писать фидбэк в поддержку, это явно не косяк авто. Или прошивка, или мне повезло с браком.
ГЛ поправлять надо, особенно 7 программа.
ГЛ вообще норм отрабатывает.
Взял настройки у одного человека. У него механика, но переделали, там просто ручник заменить на паркинг.
Он свою логику пилил совместно с авторизованным установщиком сиг 6 и 7 поколения.
30.03.2025 он допилил до отработки на отлично. У него там в алгоритмах ещё и подсветка каждого "положения", у него на кнопке помимо подсветки имеются светодиоды ACC, ON, и просто подсветка двумя цветами.
Я добавил ещё одну программу, чтобы как в стандарте было: сел-нажал тормоз-нажал кнопку-машина завелась.
Проверил уже, всё работает.
ccGL_AZ.slc
Написал в СтарЛайн на почту фидбеков про ошибку. Приложил настройки и логи.
а как 7 по времени отработает, бред какой то
вот настройки с моей машины, обратите внимание на ГЛ3( ничего не делать 16.6 минут) и ГЛ7 ( по завершению ГЛ3 сработает и проверит условия)
там как раз АСС на 16 мин включен и если дальше действий нет то выключение АСС
Веста.1.slc
Спасибо, гляну.
Здравствуйте. У меня возникло пара вопросов.
1. А зачем Вы разбивали каналы на силовом? Ну отдельно штатные на зажигание и АСС, и отдельно управляемые кнопкой?
2. Вход Х1:17 (оранж-фиол - STOP) - это с педали тормоза, для обработки её нажатия при выключенном зажигании и АСС?
а как 7 по времени отработает, бред какой то
Но факт, остаётся фактом, она отрабатывает. Я для проверки ставил 5 секунд.
Если включить АСС, и оставить авто без внимания (дальше ничего не тыкать), то по истечении задержки АСС выключаются.
Я сейчас поменял событие запуска программы в 7. АСС отключается по нажатию сервисной кнопки. Просто на днях сидел тупил 40 минут (ждал ребёнка с занятий), слушал музыку, а по истечении времени АСС бам, и отрубилось :) Перевёл на сервиску. Всё равно на одно нажатие сервиски нет никакого действия, а всякие вводы кодов реагируют на зажигание, а не АСС.
Уже проверил, всё нормально отрабатывает. Если только АСС включено, то одиночное нажатие сервиски вырубает АСС, а если двигатель заведён, или включено зажигание силовым блоком, то ничего не вырубает.
1. А зачем Вы разбивали каналы на силовом? Ну отдельно штатные на зажигание и АСС, и отдельно управляемые кнопкой? сигналка ставилась году так 18, вариант реализации предложенный старлайн меня не устроил( уже и не помню что мне захотелось тогда) поэтому что бы не пересекаться со штатной логикой сигнализации и дальнейшей гибкости в подходе( у меня сигналку не снимешь без снятия торпеды, но провода всегда можно покусать), тупо каналы попарно запаралелены для силовых цепей
2. Вход Х1:17 (оранж-фиол - STOP) - это с педали тормоза, для обработки её нажатия при выключенном зажигании и АСС? да стоп тоже берется аналогом и тоже по сути обслуживает только кнопку( эт я чето эксперементировал и тупо забыл перевести обратно), но стоп из кана берется поэтому не страшно как говорится
Я для проверки ставил 5 секунд. как происходит эта установка?
как происходит эта установка?
Это я пока не перевёл отключение АСС на сервиску, то проверял работу задержки выполнения программы. Ставил задержку выполнения на 5 секунд и смотрел.
Жмакнул кнопку старт, вкл АСС
Потупил 5 сек.
АСС выключилось.
Потом, когда отрубилось АСС при прослушке музыки, то перевёл на сервиску.
Сейчас если включено только АСС и больше ничего, то если жмакнуть 1 раз сервиску, то отрубиться АСС. Как будто я повернул ключ в положение LOCK, вынул его и пошёл домой.
советую приглядеться к ГЛ6 моих настроек ( в части подать импульс на стартер) в прервать если у вас стоит по сути одно и тоже( обороты поднялись это уже значит что двигатель запустился )зачем вы дублируете не понятно, посмотрите у меня
Это во мне очкозавр ворочается, типа: "а вдруг не увидит запуск", или "а вдруг обороты не увидит".
Сам понимаю, что масло-масляное, но очкозавр не даёт спокойно спать.
И была нехорошая ситуация на В9. При установке бахнули контроль по лампочке зарядки. Что-то глюкануло, и зарядка не сработала. ДВС запустился, а лампочка горит, и стартер маслал все 3 секунды ДЗ. Потом я пересадил на обороты, и норм стало, но очкозавр ворочается.
поэтому и предлагаю перестраховаться и если ножку с педальки тормоза отпустили ( во время кручения стартером) стартер прервется
Это во мне очкозавр ворочается, типа: "а вдруг не увидит запуск", или "а вдруг обороты не увидит". огорчу вас обороты не увидит, то и статус двигатель заведен тоже не увидит( если стоит в настройках по тахометру)
Прерывается не программа, а состояние провода...
Иначе как можно объяснить инструкцию из официального источника
https://help.starline.ru/books/avtorizaciia/page/avtorizaciia
4. Руководство по гибкой логике
Всё там логично написано, прерывается именно программа, которая активирует выход, об этом в инструкции и написано. "Действие программы - включение аналогового выходя", чёрным по белому, программа активирует выход, изменяет его состояние с выкл на вкл, и держит его в таком состоянии, пока исполняется. Если программа прервётся, то и выход выключится. Там так и написано в инструкции "используем событие остановки двигателя для прерывания программы", далее по описанию понятно, что при остановке двигателя и прерывании программы аналоговый выход отключится, т.к. программа прервётся.
Нужно выносить дискуссию в отдельную тему. Руководство, указанное выше, написано для Х96 еще первый ревизий, возможно там так и работало. Но лично мое мнение, на 6м поколении сейчас: прерывается именно программа по условию "прервать если...", так что программа включит канал и завершит работу. А канал так и останется включенным. При чем, событие "прервать если..." не сработает никогда, за те доли секунды, пока включится доп. канал.
Кому не трудно, создайте тему в соответствующем разделе, где бывают инженеры ТП и киньте сюда ссылку, обсудим там этот момент.
я проверил, инструкция корректная) при всем уважении
Я не спорю про инструкцию, я про "по факту". Прям проверю как кто-нибудь приедет и времени будет побольше. Насколько помню из давнишних опытов с ходовыми, оно так не работает, статус паркинга меняется, а канал если по снятию включился, то по постановке на паркинг не выключается, нужно дописывать ГЛ, чтобы его выключать. Эх....какой-нибудь эмулятор бы...ГЛ тестировать вне машины.
Народ, помогите с советом.
От какого момента отсчитывается задержка исполнения в ШЛ?
Условно: при выполнении события и условий, нужно через 1 сек вкл ввх1. После активации вых1, через 2 сек от активации выхода 1, активация вых2, через 3 сек от активации вых2, активировать вых3.
Так вот, при задержке исполнения, оно считает её от начала исполнения программы, или от выполнения предыдущего действия?
Уже проверил. Отсчёт идет от начала работы программы, не между событиями.
Здравствуйте!
Друзья, всем огромное спасибо за то, что читали мои километровые опусы, помогали советом и делом, оперативно реагировали на мои сообщения!
Благодаря Вам всё получилось! Сигнализация установлена, работает и все хотелки реализованы!
Ещё раз ВСЕМ ОГРОМНОЕ СПАСИБО!
ПыСы:
1. По моему фидбэку по кнопке, со мной списалась техподдержка, должны перезвонить.
2. На прошлой неделе друг ставил на Тойота Опа AS90. Ставил у "типа авторизованного установщика" (центр официально не является центром установки СтарЛайн, просто установщик весь такой прошедший обучение). Кнопка глючит как и у меня, значит прошивка. Регистратор завязали на гибкую логику, проигнорировав штатные настройки. Вчера снимали у него торпеду (надо было поменять датчик температуры испарителя и сервопривод заслонки воздушной), посмотрел на установку "профи". Выход паркинга повесили на релешку (паркинг сигналит +, так "перевели" на -), не заморачиваясь на перекидывание каналов. Канал на педаль тормоза просто протянули к лягушке, проигнорировав, что провод от неё прям рядом с сигой идёт в косе, и канал вист ничем не зафиксирован, такой просто проводок в ногах, задел и пока контроль педали. Блокировка двигателя рвёт постоянный плюс, который идёт на ЭБУ, и пофиг что будет с мозгами от такого обращения. Всё на "божественных скрутках", канал буквально на один оборотик вист на проводе и сопля изоленты. Лишняя длинна провода каналов не обрезана, а просто смотана в пучок. Ничего не зажгутовано, установщик распотрошил косу и не заморачиваясь стянул стяжками, таким же макаром "сожгутованы" каналы. Всё на соплях висит, сам блок примотан к косе на километры изоленты, невзирая на то, что есть железная балка панели. Про силовой блок вообще молчу. Короче за денёк всё переделали. Хорошо, что у меня остался инструмент и расходники. Лишний раз убедился, что не зря хают этот центр, а они единственные в городе, которые орут в рекламе, что у них сертифицированные установщики сиг СтарЛайн и Пандора. Ниразу не пожалел, что ставил сам.
ну каналы если не назначены, то и ничего с ними не будет хоть скрути вместе. Хотя я пины обычно извлекаю из разъемов лишние. Ну и БОЖЕСТВЕННЫЕ скрутки на то и божественные что с ними все прекрасно.
Я у себя тоже все лишние вынул, благо инструмент есть.
там просто болтались стянутые стяжкой.
Да фиг с ней со скруткой, но там вообще был ужас. Зачищено буквально на оборот, примерно 4 мм длиной, изолента не обкручена, а просто прилеплена, типа гусинного клюва. Провода не подрезаны, а проосто смотана лишняя длина и всё это на паре стяжек на растрёпанной косе. Болталось, дай боже. Максимум год, и эти скрутки посыпались бы.
Взяли с него 8 тыр, за пару часов сделали. Да блин, элементарно сожгутовать всё и нормальные скрутки с изоляцией, а не ту порнографию делать. При этом в смете и флисовая, и пэт тканевая, и пвх изоленты по рулону. При этом пэт тканюха изольда у них почти 120 рублей рулон, я такую взял на озоне 5 рулонов в лоте (меньше не было) по такой же цене, если взять лот 10 шт, то там рулон чуть меньше 90 рублей, если лот на 50 шт, то там рулон выходил около 70 рублей. Вряд ли они берут мелкими партиями и на озоне. У меня на всё (а я жготовал всё просто отлично) ушёл рулон флиски, и то при том, что я зажгутовал всё, нашёл косяк и пережгутовывал. Пэт тканюхи даже рулона не ушло, а я ей все подкапотные обмотал, и на радостях на основной косе обмотку заменил (ну там уставшая была изолента), а пвх у меня примерно 2/3 рулона ушло, при том, что тоже на пережгутовку тратился. В смете ещё было 1,5 м гофры, которую мы вообще не нашли, подкапотка (концевик и термодатчик болтались просто так).
Вы бы видели, что там было, потом кошмары бы мучали, там капец. Друг завтра пойдёт ругаться в этот "центр".
Переделали всё. Скрутки норм сделали. Все излишки срезали, лишние каналы распиновали, провода в косу и косу флиской обмотали, блок на болтах сидит (в балке два отверстия на 6, в них вставки с резьбой на 4 заклёпаны), провод сняли с лягушки педали тормоза, и прикрутили к её проводу в косе, переназначили каналы, убрав нахрен не нужное реле. Убили на всё часов 8, при том, что пару часов разматывали весь ужас установщика. Это при том, что у него не было схем, и часа два ещё искали схемы, чтобы понять, что рвёт блокировка двигателя и какой именно провод от педали идёт.
сам блок примотан к косе на километры изоленты, невзирая на то, что есть железная балка панели.
блок на болтах сидит (в балке два отверстия на 6, в них вставки с резьбой на 4 заклёпаны),
Крепить блок вплотную к ЖЕЛЕЗУ балки НЕЛЬЗЯ. Расстояние до любого металла от любой точки корпуса блока должно быть хотя-бы сантиметра 2-3. (а чем дальше -тем лучше). И ПОД металл блок точно крепить нельзя. Иначе антенны, находящиеся в блоке, будут сильно заэкранированы со всеми вытекающими последствиями, включая ЛОЖНЫЕ сработки. Обычно долго ждать не приходится...
Подробнее - почему нельзя ставить блок НА металл (а тем более - "закапывать" глубоко в металл) - читаем тут
https://support.starline.ru/communities/30/topics/80110-starlajn-gps-u-vas-gavno
Ну на плакате из упаковочной коробки сигнализации вниматлеьно читаем написанное на картинке вокруг блока сигнализации...
В инструкции ВООБЩЕ не указано, что нельзя крепить на металл. Только то, что нельзя перекрывать антенну гпс металлом, про гсм ни слова. Но я не совсем дурак, чтобы перекрывать и без того не особо мощную антенну.
Тут есть нюансы:
1. Блок я крепил себе и другу на трубу усилителя панели исключительно лицевой стороной вверх.
2. В сиге используются очень хорошие модули сим-ком. Они крайне помехоустойчивы, и славятся довольно сильным резистом к препятствиям. Их ставят в большинстве IoT устройств. Тут у нас ещё один плюс - модуль распаян на плате, а не отдельным модулем.
Про 2-3 см, это для систем, где модуль не распаян, а внутри на пинах прицеплен, или где модуль не 800 симкомовская.
Если модуль на пинах сидит, то это по сути модем с распайкой rx-tx в плату, и на нём очень сложно нормально разместить антенну и шунтировать её на минус.
В конкретном случае AS90, модуль распаян, и если глянуть, то видно и шунт, и кольцо на массу, соответственно наводок от металла, при условии крепежа лицом от металла, а не к нему, не будет совсем.
Самый простой тест, это сесть в авто, включить аудиосистему и позвонить на сигнализацию. Если смонтированно антенной в металл, то мы услышим характерное жужжание в динамиках, при кривом монтаже.
И опять нюанс: "чудо установщик" примотал блок к косе, лицом в косу, а коса в дефолте прикреплена к трубе, в итоге антенна блока фонила на свои же каналы + упиралась в металл.
СтарЛайн давно уже не пишет про сантиметры от металла, т.к. думаю давно решили проблему наводок "снизу".
Сейчас большинство оборудования работает на частотах 2,1-2,4 ГГц, а модуль трудится в практически пустой нише 800 МГц, ну и симкомовцы не зря свой хлеб едят.
Поэтому к металлу крутить можно, только лицом вверх, ну и смотря какую модель. Т.е. конечное решение зависит от инструкции.