A93V2 opel astra J мкпп, прошу помощи в правильном подключении с автозапуском
Всем здравствуйте. Досталась сигнализация Starline A93V2 GSM. Стал подключать. Подключал по схеме, но смутило что в схеме указана АКПП, для мкпп по этой сигнализации нет схемы.
Обе шины, и лин в разрыв подключил, двери открывает закрывает, обучение обходчика вроде бы прошло успешно. Но автозапуск не работает. Т.е. при выходе из автомобиля двигатель сразу глохнет. При попытке завести с автозапуска ошибка и при этом нет ни намека на запуск даже не загорается щиток. Силовой модуль подключен по схеме , но теперь сомневаюсь в том что для мкпп подходит эта схема подключения.
Подскажите есть ли схема для мкпп?
А93 v2 вместо А94
Подскажите пожалуйста!
Имеется древняя А94 на машине 2012 года. Блок не обновить, CAN модуль не обновить.
Брелки без режима Slave.
Есть возможность купить А93v2 (комплект). Глянул по подключениям в инструкции, отличия минимально.
Понятно, что колодки там разнятся. Но, я так думаю, оно ж не сильно помешает подключению к старой проводке?
Реально ли самому сделать такую замену с подключением к существующей проводке?
Цель - бесключевой режим (брелок-метка), гибкая настройка каналов, попробовать достать обходчик (сделать запуск по CAN/LIN).
П.С. Свой блок доставал, инструкции изучал. Доступа к сервисам не имею поблизости (и не поблизости тоже).
Самостоятельная установка StarLine S96 LTE GPS v2 на Весту СВ Кросс 2018 г. МКПП
Буду самостоятельно устанавливать StarLine S96 LTE GPS v2 на Весту СВ Кросс 2018 г. МКПП, думаю подключать по измененной своей схеме, хотел спросить знающих людей, имеет ли данная схема на жизнь?, Больше интересует вопрос про подключение силового модуля, так можно подключать?. Хочу добавить кнопку стар-стоп, но и оставить замок зажигания в полной функциональности. Сделал черновик настроек, ГЛ пока не начал еще, кнопку настраивал как по вебинару от Starline (логика работы кнопки уже вроде в прошивке), но перепроверю еще, надо пересмотреть его , MySettingsVestaSW2018.slc

Кнопка старт стоп из штатной кнопки на руле
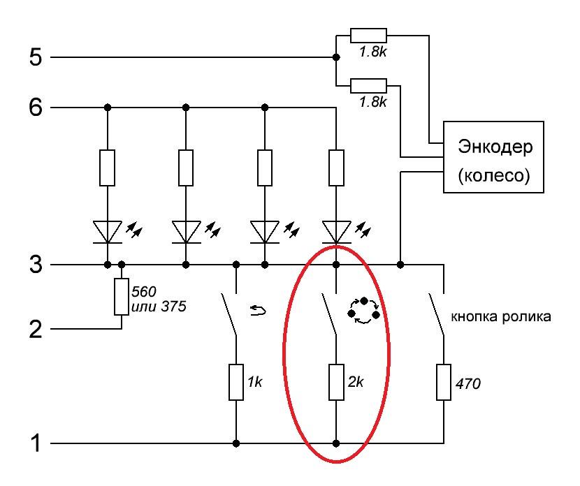
Всем привет! В общем задался вопросом сделать кнопку запуска от штатной кнопки на руле. По схеме установки кнопка должна управляться минусом, кнопка на руле тоже управляется минусом, но через резистор (ниже схема) и все это по LIN на штатный мафон. Кнопка отвечает за переключения между "радио и AUX" Есть какие ни будь варианты перехватить этот сигнал? Помешает ли резистор? Работает по таким образом на 3-й ножке "чистый минус" при нажатии кнопки через резистор идет сигнал на первую ножку и по LIN в зависимости от наминала резистора идет в определенный блок.

Toyota Corolla Cross 2024 год
Здравствуйте. Подскажите, пожалуйста. Авто Toyota Corolla Cross 2024 год, кнопка Start-Stop. Подключил строго по схеме. Обучение обходчика завершается двумя сигналами положительными (и если запускать процесс обучения из вкладки диагностики, то в логах появляется сообщение об успешном обучении), но в процессе CopyKey на 14-ой секунде всегда вылезает ошибка: "Данные для создания копии ключа получены некорректно. Обновите ПО устройства и повторите процедуру обучения".
Есть сомнения в правильности настроек. Файл настроек приложил.
Подскажите, пожалуйста, в чем может быть проблема?
По работе сигнализации вопросов нет - работает исправно и без ошибок.
проблема в 2 кан 2 лин в10 хонда стпвгн17
здравствуйте! хонда стпвгн 2017, А93v2 2can2lin v10 (версия по 1.5.2). не могу войти в обход иммо, 14раз и зажигание и ноль реакции. 5 раз в режим программирования заходит и настраивается. что может быть? к стати версию по не могу обновить типа заблокировали для простых люд?
E66 V2 на VW Passat 8.5 c МКПП 2021г.
Вопросы по установке сигнализации StarLine E66 V2 BT 2 CAN+4 LIN ECO на VW Passat 8.5 c МКПП 2021г.
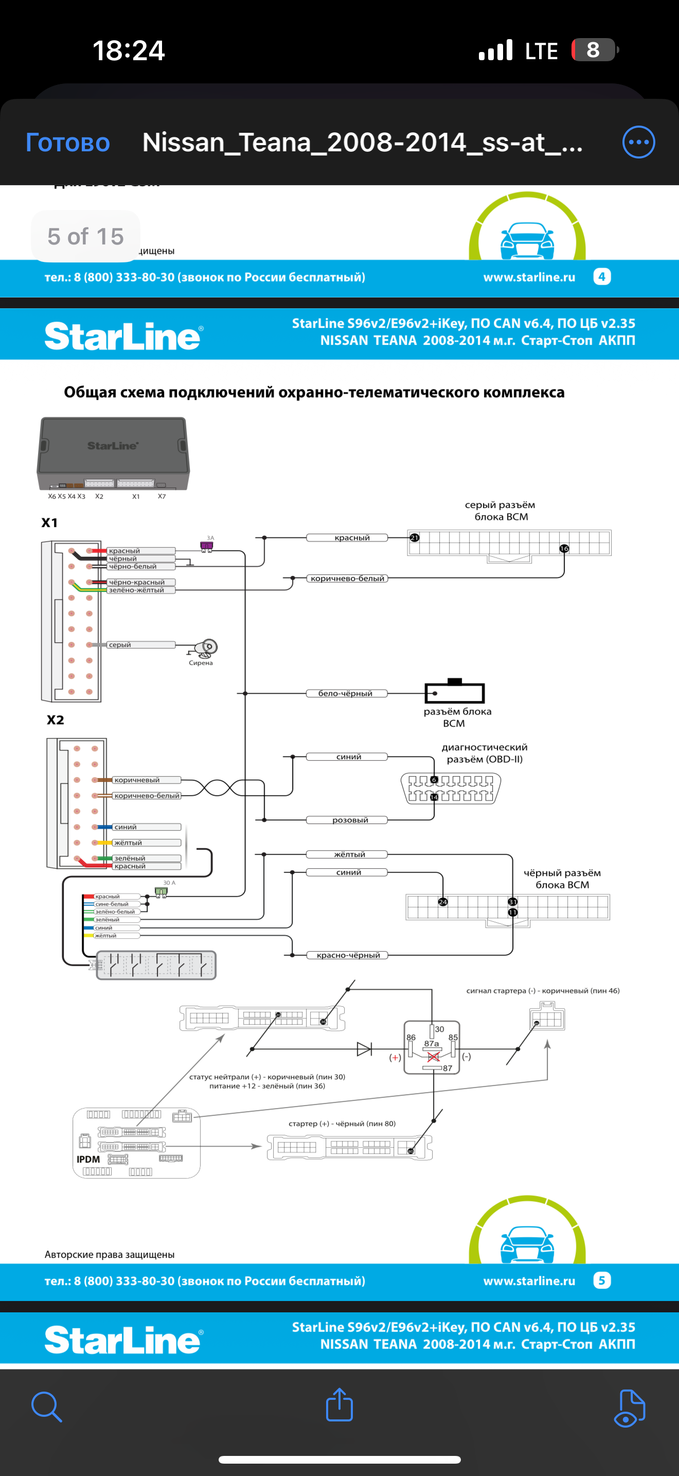
Всем добрый день. Есть схема подключения автозапуска для VW Passat 8.5. Куда подключаются подключаются пины 54,44,47 если нет силового модуля. Машина оборудована кнопкой старт-стоп.9ecea991e9e94d3c6cc23c79b37a27eb799318fc.pdf
Эквинокс 2020г. Мексика
Здравствуйте Подскажите в эквинокс 2020г. Мексика стало моментами на табло появлятся надпись "Програмирование дист. ключа подождите", проходит секунд 40 надпись исчезает, машина с кнопки не заводится, ложу ключ в подстаканник нажимаю на педаль и кнопку жду примерно 30 секунд повторно нажимаю кнопку машина оживает заводится.
Ездил на компьютер ошибок не показывает, ключи привязан, корм показывает, что батарейки в ключах в норме, кнопка старт-стоп отзывается (в момент когда не заводится) да и батарейки менял недавно.
После того как тестировали авто с компьютером, раз получилось, что выскочила информация "Дист. Ключ не обнар. Встав. ключ в гнездо перед . Потом запускаем авто."
Электрик не знает, что за проблеме, и.к.. ошибок нет, предположил, что может что-то с гнездом замка водительской двери раз выскакивает указанная информация но это предположение, так машина работает ровно, никаких ошибок нет и не выскакивает, течи радиатора отопления салона нет, блоки внизу сухие.
Может кто подскажет куда смотреть.
Заранее спасибо.
Вопросы по установке AS90
Здравствуйте уважаемые техспецы!
Нужна консультация и помощь. Будет многа букаф и картинок, заранее прошу прощения.
Сигнализация: Starline AS90, с докупленной антеной GPS+GLONASS.
Автомобиль: Toyota Funcargo, 2001 г.в., двигатель 2NZ-FE, кузов NCP20.
В автомобиле нет кан/лин шин, штатной сигнализации и прочих умных наворотов, но есть центральный замок с дистанционным управлением (кнопка на ключе).
В настоящий момент стоит Starline B9, но стала глючить и решил сменить.
Когда подбирал замену, из требований:
1. Дистанционный запуск.
2. Контроль температуры ДВС.
3. Отслеживание по ГПС и ГЛОНАСС.
Установка новой сигнализации намечена на лето. Ставить буду самостоятельно (местные установщики хотят за демонтаж старой и установку новой от 8 до 12 тысяч, при этом когда озвучиваю хотелки, начинают важно раздувать щёки, говорить как это сложно и вообще зависит от сигнализации (хотя модель новой сиги озвучиваю сразу) и сразу прям вижу как в счёте на установку появляется пункт "прокатило" на лишние тысяч 10, идут они лесом, сами справимся), сравнил цвета и выходы В9 и AS90, там попадание почти 95%, даже по цветам.
Также в автомобиле стоит какая-то секретка (реле с непонятным алгоритмом работы) на питание бензонасоса. Питание этого секретного реле от В9 в режиме охраны постоянно идёт от ЧернБел провода статуса сигнализации (в режиме охраны нам постоянный минус), при снятии охраны реле питается при активации 4 канала (в настоящий момент статус сиги и 4 канал наглухо смотаны и в реле уходят). Что там и как сделано неизвестно, но ясно слышно, что при активации 4 канала, реле включается, а после запуска авто выключается, при этом бензонасос продолжает работать. Как там всё реализовано неизвестно, сейчас это реле похоже на моток изоленты и всё там в косу замотано и к балке панели авто примотано на 100500 слоёв. Видел всё это по осени, сейчас нет тёплого гаража, поэтому нет возможности размотать. Вообще такое ощущение, что тот, кто ставил В9 имел в наличии ящик изоленты, там столько понамотано, слоёв в 20. При установке новой сигнализации всё это размотаю, а разрыв питания насоса попользую по полной в блокировке двигателя.
Сейчас произвёл такие настройки в режиме "офф-лайн", без подключения к сигнализации, просто сделал файл настроек, чтобы потом не маяться, а сразу его залить в сигнализацию:
Каналы:
XS3:4 Роз - функция не назначена (на регистратор).
XS3:7 СинКрасн - Вход концевика дверей пассажиров (для освобождения СинЧерн канала на паркинг (+)).
XS3:8 ОрБел - концевик двери водителя (-) (у меня концевик двери водителя отдельным проводом, а остальные двери в пучок собраны и на одном проводе висят с завода).
XS3:15 ЗелЖелт - защита стартера при АЗ/ДЗ.
XS3:17 СинЧерн - паркинг (+).
XS3:20 Зел - зажигание 2, без отключения на время кручения стартера (у меня в авто зажигание 2 не отключается на время прокрутки стартера, только аксессуары).
XS4:1 Черн - Кнопка со светодиодом (именно это будет подключено, без докупки ресивера с брелком).
XS6:1 БелЧерн - функция не назначена (нет у меня сторонних модулей).
Осн.настройки:
Закрытие двери при открытых дверях - вкл (иногда надо при недоконца закрытой двери закрыть ЦЗ).
Закрытие ЦЗ после закрытия багажника - выкл (нет у меня отдельного багажника).
Уведомление сиреной и светом о разряде батарейки в метке - выкл (нефиг орать сигой при разряде батареи).
Назначение длительного нажатия кнопки метки - запуск/остановка двигателя (надо, иногда нет связи, и как включить ДЗ?).
Автопостановка на охрану - вкл (я бывает забываю на охрану поставить в попыхах).
Авторизация владельца - метка (зачем всё остальное (брелок и кнопки), если этого нет).
Снятие запрета поездки - метка (ХЗ, вроде правильно, брелока нет).
Разрешить управление видеорегистратором с сервера или мобильного приложения - вкл (включил, но спорно, нет у сиги AS90 отдельного выхода на регистратор).
Низкое напряжение АКб, В - 11,7 (на морозе иногда показывает 11,9-11,7, но при этом крутит как ацкий сотона).
Запуск двигателя:
Тип КПП - АКПП.
Условия включения поддержки зажигания для перехода в охрану с работающим двигателем - при открытой двери и последующем затягивании стояночного тормоза или включении паркинга.
Время работы автозапуска - 10 мин.
Действие через час после включения поддержки зажигания - выключать поддержку и ставить на охрану.
Максимально допустимая температура двигателя при АЗ/ДЗ/ТТ/ПЗ - 90.
Блокировка двигателя и статусный выход:
Скорость, при которой разрешена блокировка двигателя - 20 км/ч.
Тип блокировки двигателя - НР (нормально разомкнутая).
Снятие блокировки (только для НР) - при включении зажигания в снято с охраны.
Гибкая логика:
1. Вкл регистратора при срабатывании тревог.
2. Вкл регистратор с запуском двигателя, и выкл при остановке двигателя (у меня на регистраторе висит камера заднего вида, регистратор запускается секунды две, не вариант запускать регистратор с движением, надо раньше, а при автозапуске пусть записывает, ничего страшного).
Телематика:
Часовой пояс - UTC+10, Владивосток
Собственно вопросы:
1. Блокировка двигателя.
Каков алгоритм работы блокировки двигателя?
Будет установлено нормально разомкнутое реле. При НР реле канал подаёт питание при активации режима в автозапуске или при запуске ключом, в остальное время не активирован канал? Как я понял из графика автозапуска, то перед запуском активируется канал блокировки (пойдёт питание на реле и контакты замкнуться). Вроде как настроил параметры, что блокировка будет деактивироваться и реле замкнётся (пойдет питание к насосу) при снятии с охраны с заводом ДВС с ключа. И при антиограблении там как-то блокируется и при неудачной авторизации владельца. Так вот именно с этими режимами антиограбления и авторизации владельца и не понятно. Если я не включу антиограбление, то вроде автоматом оно никак не включается?
Мне хочется такого алгоритма работы:
а) ДЗ с последующей посадкой: ДЗ-пришёл-снял с охраны-вставил и провернул ключ в замке-подержал педаль тормоза-сигнализация отключила запуск двигателя (не заглушила, а просто перестала поддерживать зажигание)- поехал.
б)просто поехать: снял с охраны-завёл с ключа-поехал.
По настройкам ничего не надо более моего менять? Мне не надо всяких дополнительных авторизаций владельца, нет у меня всяких кнопок на руле.
Я правильно понял по проводам (каналам)? Как на рисунке подключать нужно?

2. Запрет поездки.
Что это? Какой алгоритм работы? Что это за запрет поездки?
Как я понял, это дополнительная защита, которая активируется при снятии с охраны. Так же она активируется при антиограблении. Она будет деактивирована, если у меня с собой будет метка или смартфон-метка?
Я правильно понимаю?
"Запрет поездки" и "запрет запуска" из инструкций - это одно и тоже, или нет?
3. Центральный замок.
Как я понял из схемы авто, у меня не силовое управление с кнопки открытия. Вроде просто выход блока центрального замка замыкается кнопкой на массу. У меня кнопка (которая на блоке переключателей водителя) на два положения (открыто и закрыто), и по схеме закрыть и открыть разные провода идут, а вот актуаторы в дверях активируются уже силовыми реле в блоке ЦЗ, как я понял. При закрытии открытии вроде даже слышно их срабатывание под торпедой в районе блока, но это не точно.
Вот схема из инструкции к авто:

И подключение по такой схеме?

Без подключения проводов на (+) и (-), я правильно понимаю?

4. Регистратор.
Как я понял в AS90 нет канала на управление регистратором (на 7А)?
Управление регистратором будет по розовому проводу (XS3:4 Роз), через гибкую логику.
Канал в сигнализации, который будет под рег XS3:4 Роз, на 0,2А, а рег питается на 3А, поэтому, как я планирую, канал будет включать НР реле, а оно вкл питание на блок рега.
При этом настроил второй программой включение регистратора при запуске двигателя, а не начала поездки.
Посмотрите пожалуйста, я правильно сделал программы.
Так же в настройках я активировал пункт "Разрешить управление видеорегистратором с сервера или мобильного приложения". Вот думаю, если нет отдельного канала на управление регом, а всё через логику, то надо ли активировать данную настройку? Она же по идее управляет каналом, назначенным в настройках провода, именно управляет выходом регистратора, а не отслеживает логику?
5. Отслеживание паркинга.
Т.к. у меня нет кан/лин шин, то единственный способ отследить активацию паркинга, это оследить питание на лампочке "Р". По схеме авто, у меня там в панели стоят светодиоды с общим минусом, а питание каждой идёт по отдельному плюсу (управлениечерез (+)).
Вот схема:

Т.к. в сигнализации есть только один канал ,который может отслеживать наличие положительного потенциала (XS3:17 СинЧерн), то на него повесил паркинг, а вход концевика дверей пассажиров на XS3:7 СинКрасн, всё равно концевики замыкаются на массу. Хочу взять сигналы концевиков с проводов блока ЦЗ, припаявшись к ним.
Вот думаю, а надо в этом случае делать диодную развязку на эти два провода. Штатной сигнализации нет в машине, по идее опрашивать концевики некому, да и не разбиты у меня они по контурам. Тупо два провода: водительская дверь (т.к. на ней зуммеры оставленного ключа и оставленных фар) и остальные 4 двери одним проводом в блок ЦЗ.
Подскажите по паркингу у меня правильное решение?
Надо ли делать диодную развязку двух проводов концевиков?
6. Защита стартера.
Сейчас на В9 имеется глюк, если я решил выйти из авто и активировать режим ПЗ (открыл дверь-вторая кнопка на брелке-повернул и вынул ключ- вышел, закрыл дверь, поставил на охрану), то при повороте ключа в переходе от зажигания к аксессуарам, на долю секунды срабатывает стартер (реле управления запуском В9 буквально на мгновение подтягивает его и слышен характерный звук). Как я понял, сейчас защита не реализована, поэтому лезет этот глюк.
Какой алгоритм работы этой защиты? По описанию в инструкции по установке ничего не понятно. Написано, что это защита стартера в режимах АЗ/ДЗ/ТТ/ПЗ, но когда именно она активируется?
По инструкции там ставится НЗ реле, т.е. она активируется в определённые моменты (размыкает стартер). Вот в какие моменты она его размыкает?
Второй вопрос по сути исходит из первого.
Куда лучше подключать провод стартера от силового блока автозапуска, до реле или после? Если защита активируется в начале исполнения алгоритмов АЗ/ДЗ/ТТ/ПЗ, то надо ставить после реле, если активируется после удачного запуска авто в АЗ/ДЗ, или после выполнения действий по активации режимов ТТ/ПЗ, то без разницы куда подключать ЧернЖел провод силового блока. Подскажите, как правильнее?

7. Автозапуск.
Ну тут вроде скосячить сложно, но можно.
У меня зажигание 2 (IG2) не отключается на время прокрутки стартера, только аксессуары (ACC).
Я правильно настроил канал "Зажигание2" XS3:20 Зел - зажигание 2, без отключения на время кручения стартера?
Или нужно оба канала настроить как "Зажигание1"?
8. Алгоритмы работы (хотелки).
Я сейчас опишу три ситуации с алгоритмами, как сейчас работает В9:
а) "Забежал на минутку": Нужно на минутку забежать домой/на работу/в магазин, но двигатель глушить не хочу. Остановился, двигатель работает, ключ в замке зажигания с брелком (сейчас основной брелок и ключ в одном корпусе). Выхожу, ничего не глушу, ничего не вынимаю. На запасном брелоке нажимаю 1 кнопку (постановка на охрану). ЦЗ закрывает двери, авто продолжает работать, но нет светомузыки о постановке на охрану, при этом на брелоке отображается, что машина взята под охрану. Сбегал на минутку, вышел, открыл (2 кнопка брелока), сел, поехал.
б) "Закинуть в машину": Машина работает на АЗ/ДЗ. Нужно что-то закинуть в машину мимо проходя (ну допустим веду ребёнка в школу и решил по пути в авто закинуть ядерный чемоданчик, чтобы не таскаться с ним (авто стоит во дворе, по пути до школы, школа через двор)). Подошёл, нажал снятие с охраны (2 кнопка брелока), положил чемоданчик, закрыл дверь, поставил на охрану (1 кнопка брелока). При этом двигатель не глохнет, авто потом нормально встаёт на охрану со светомузыкой об удачной постановке, продолжает тикать таймер АЗ/ДЗ.
в) "Забежать минут на пять": Нужно выйти и вынуть ключи, но не глушить двигатель. Приехал, встал, открыл дверь, нажал 2 кнопку брелока, вынул ключи, закрыл дверь, поставил на охрану (1 кнопка брелока). На брелоке индикация постановки на охрану, работа двигателя и время ПЗ (равно времен в ДЗ, 10 минут (г10)). Пришёл, снял с охраны, вставил и провернул ключ до зажигания, нажал педаль тормоза (проморгали поворотники 4 раза, брелок пипикнул 2 раза), поехал.
Теперь сам вопрос:
Мне нужно что-то ещё менять в настройках, помимо внесённых изменений или нет?
Как я понимаю, сейчас ситуация "в" немного по иному выглядит в части действий по активации ПЗ: приехал, встал (не меняем положение селектора, не переводим его в положение "Р"), открыл дверь водителя, перевёл селектор в положение "Р", можно вынимать ключи и ставить под охрану?
9. Вопросы по диодам.
В комплекте с сигой диоды 1N4004. Характеристики у них ещё ниже, чем у 1N4007 (самый широко используемый), а именно максимальное напряжение 400В, максимальная прямая нагрузка 1А. Как понимаю, они чисто для шунтирования реле, т.к. даже сирена на 2А.
Сами вопросы:
а) В хозяйстве завалялись диоды Шоттки SR5100, макс нагрузка 5А, максимальное напряжение 100В. Можно использовать их для шунтирования реле, схем стояночного томоза и сирены?
б) В инструкции по установке, на схеме подключения сирены из комплекта, указан диод, в описании про этот диод ничего не сказано (зачем, в каких случаях нужен, характеристтики). Зачем он там? Нужен ли он, при подключении сирены из комплекта автосигнализации?
10. Резистор.
В схеме подключения педали тормоза указано, что если стоят светодиодные лампы, то нужно установить резистор между проводом сигнализации и массой, номиналом 1кОм.
У меня стоят светодиодные лампы. Родные лампы 21w/5w (тормоз 21Вт, габариты 5Вт). Светодиоды по 6Вт лампа.
Какой рассеиваемой мощности нужен резстор (Вт)? В хозяйстве есть мощный резистор на 1кОм и рассеиваемой мощностью в 25Вт, его можно воткнуть?
12. Реле.
Блокировка двигателя и рег будут висеть на НР реле, т.е. при нормальной работе авто (езда) они будут постоянно включены.
Можно обойтись стандартными реле из набора сигнализации (708-2), дозаказав необходимое кол-во, или в данном случае нужны реле с шунтирующим резистором внутри (реле, в которых внутри смонтирован резистор между питающими выводами 85 и 86)?
13. Про незадействованные выводы.
Я правильно понимаю, что для разгрузки мозгов сиги можно все входы-выходы, которые не будут задействованы, перевести в состояние "Функция не назначена"?
14. Датчик температуры двигателя.
Подскажите пожалуйста, какой датчик используется для определения температуры двигателя, модель, производитель? Да хотя бы скиньте график соотношения температуры и сопротивления датчика, тоже отлично будет.
Я хотел бы попробовать задействовать для сигнализации данные с штатного датчика температуры охлаждающей жидкости, но нужно понимать режим работы датчика сигнализации, его зависимости сопротивления от температуры. Режимы и графики штатного датчика температуры охлаждающей жидкости имеются в наличии.
На этом всё.
Заранее спасибо за помощь!
Файл настроек прилагается.
П.С. Прошу не отсылать в сервисный центр и не просить адрес проживания, чтобы найти сервис. Территориально в г. Биробиджан, Еврейская автономная область. У нас тут есть сервисный центр, который типа имеет в штате установщика сигнализаций Starline, всего такого умного и сертифицированного, и гарантию они дают на установку аж цельных 8 месяцев. Эти "товарищи" запросили за демонтаж В9 и установку AS90 11000 рублей, за каждую программу гибкой логики по 1000 рублей, монтаж дополнительных реле и перепрограммирование блока под работу с ними (вот тут я поржал от души, по сути это основная работа монтажника, а не допы) 2000 рублей. Итого мне бы всё обошлось: 11000+2000+2000=15000. Да я сигу купил за 13500, с какого я должен за не самый сложный монтаж отдавать больше стоимости сигнализации! Гараж-мастер выкатил 8000 рублей монтаж/демонтаж и 2000 рублей настройка, при этом без каких-либо гарантий.
Сигнализация StarLine A93V2 2can 2lin V4, GSM, GPS на авто Haval F7 2021г
Добрый день.
Вопрос в следующем, год назад приобрёл авто Haval F7 2021г (1 поколение дорест). На авто была установлена сигнализация StarLine A93V2 2can+2lin V4, GSM, версия ПО блока по моему была SA04-Т1, версия ПО Can модуля 6.0.5. После покупки сбросил GSM и доустановил GPS.
Что имел по функционалу изначально: работа системы по SLAVE, дистанционный запуск двигателя, помимо стандартных показаний АКБ, температуры двигателя и салона, отображался полный пробег и остаток топлива в %.
Система работала стабильно, но было несколько проблем, которые мешали комфортной эксплуатации.
А именно:
1. после подключения GPS, при стоянке авто, стал быстро садиться аккумулятор. Без GPS авто мог стоять несколько недель и потом нормально заводился, с GPS, если авто стояло, то за несколько дней напряжение могло просесть на вольт, что уже критично. На других авто в семье стоят S96v2 (на двух) и старенькая В94 все с GPS, но таких проблем не было.
2. основной "косяк" это ошибка силового реле, появлявшаяся при глушении авто (авто с кнопкой старт - стоп), т.е. машина глохнет только после дополнительного нажатия педали тормоза или через какое-то длительное время после того, как была нажата кнопка старт-стоп.
3.с этой прошивкой в списке команд отсутствовала команда на открытие багажника, что для меня было важно, т.к. установил электропривод и он мог бы открываться дистанционно.
4.не помешал бы умный климат, который был у меня на Skoda Kodiak с S96v2.
5.настроить "мягкую посадку", чтобы машина не глохла после дистанционного запуска
6.Хотелось бы иметь счетчик моточасов, но потом выяснил, что на 3 поколении систем разработчики не хотят заморачиваться с этой функцией и она там реализована не будет, что конечно очень жаль, так что забыли про этот пункт.
Соответственно, решение было обновить прошивку блока и can модуля до крайних версий, что и было сделано. В итоге текущее ПО блока U7, текущее ПО can модуля 1.5.2, библиотека 7.3.9.90257 (альфа версия).
Что поимел а итоге:
- в списке появилась команда на открытие багажника, при её выполнении отрабатывает эл. привод на закрытие/открытие как в состоянии охраны, так и без;
- в части работы GPS, пока наблюдаю, слишком мало времени прошло после обновления, но косвенно кажется что АКБ разряжается не так быстро;
- с моточасами все понятно, их нет;
- остаток топлива теперь можно указать в литрах, а не %, что удобнее;
- умный климат появился, но вот с его работой не все так гладко, если на Шкоде я мог менять настройки в режиме реального времени (при работающем двигателе), то здесь изменения вступают в силу, только при следующем запуске и то не всегда. Т.е. если мне надо отключить обогрев стекла или изменить температуру уже при работающем двигателе, то сначала надо внести изменения в регулировку климата, заглушить двигатель и заново его завести и тогда они может быть вступят в силу;
- ну и самое основное, ситуация с глушением авто и ошибкой силового реле не сильно поменялась, глохнет не сразу при нажатии кнопки, и при дистанционном запуске также мигают индикаторы на панели климата;
- с мягкой посадкой, честно скажу, не разобрался, знаю как настроить, в этом прошу помощи.
Кроме того, появился неприятный косяк - пропадают показания полного пробега, в какой-то момент появляется 0км. Ситуация исправляется хард резетом, т.е. отключением АКБ, но это крайне неприятно. Причем, это проявляется на обоих прошивках can как текущей, так и на альфа. До обновления такого никогда не было и пробег всегда отображался корректно.
Соответственно, вопрос номер раз - сейчас установлен can модуль версии V4, если установить крайнюю версию v10, что-то может координально измениться или можно все корректно настроить и с этим железом и тратиться на замену не стоит.
Вопрос номер два, как можно поправить ситуацию с пробегом, почему он обнуляется периодически?
Ну и основной вопрос, как корректно настроить функцию "мягкой" посадки, чтобы отсутствовали ошибки и не мигали индикаторы?
Просьба, не отправлять к установщикам, хотелось бы решить вопрос самостоятельно.
Заранее благодарен за ответ.
Прикладываю файл настроек с телефона и скрины.скрины starline A93V2 Haval F7 21г.zip
A93V2 настройки.slc
Кнопка старт стоп как запитать по гибкой логике
Имеется китайская кнопка на три провода плюс/масса/выход при нажатии управляется плюсом.
По вебинару по установке кнопки через штатную логику можно установить как управление плюсом так и минусом. Вопрос в том как подключить плюс и минус. Если подать на постоянку то будет всегда гореть подсветка, так не хочу акб еще высосет.
Вот хочу запитать ее по гибкой логике, что бы при снятии с охраны шло питание на кнопку.
Какие каналы для этого лучше использовать? и как на них написать логику?
Совместимость с Prizrak 540
Доброго времени суток. Машина Haval jolion 4wd. Первым владельцем установлен иммобилайзер Prizrak 540 с беспроводным реле. Карты монтажа реле нет. Нашёл блок, но реле всё равно блокирует двигатель , даже при снятом блоке. Где спрятали реле так и не нашёл. Собственно вопрос. Хочу установить Starline s66. Если оставить призрака, возможен ли какой либо конфликт сигнализации и иммобилайзера? Оба будут подключены по Can
Haval jolion
Здравмтвуйте. Сигнализация E7gen2 LTE/GPS подключение полностью CAN, и питание. Столкнулся с такими проблемами:
1. Клаксон не издает звуков при постановке/снятии охраны.
2. Не работает режим турботаймера. Выхожу из авто, отхожу, авто теряет метку и закрывается. После чего проходит заданный интервал турботаймера и авто не глохнет а начинает орать. И приходит СМС о не возможности остановить двигатель потому что он запущен с ключа. Подскажи какие настройки проверить или изменить, или какие провода ещё нужно подключить кроме CAN, чтоб сигналка могла глушить авто.
Установка электромеханического замка открытия багажника
Здравствуйте. У меня автомобиль Hyundai Solaris 1 до рестайлинг. Сигнализация s96v2 Eco. Хочу установить заводской электронный замок багажника и две кнопки на открытие. Одну в салоне, вторую на крышке багажника.
Подскажите пожалуйста где можно записаться на цепи сигнализации, чтобы при постановке на охрану пропадало питание на замке.
HAVAL Jolion, 2020 - 2023
Вопрос когда будет поддержка блокировки двигателя по CAN с блоком управления Delfi, закрытие люка при закрытии окон при постановке в охрану?
Changan UNI-K IDD (гибриб, ПИ) E96v2 подключение CAN
Доброго времени суток.
Машина: Changan UNI-K IDD, плагин-гибрид, параллельный импорт, выпуск октябрь 2024 года.
Сигнализация: StarLine E96 v2 BT ECO 2CAN+4LIN, версия ПО 2.43.3, версия CAN 7.3.9, в настройках выбран автомобиль 6632, куплена в магазине ДНС.
Проблема: по карте монтажа, представленной на сайте can.starline.ru, подключение CAN A сигнализации возможно на блоке Gateway или на жёлтом разъёме блока IBCM. На машине на месте, где указано расположение блока Gateway, блок отсутствует, как и жгут проводов (также блока нет под торпедо, под сиденьями, центральный тоннель не снимался). А в жёлтом разъёме блока IBCM отличается распиновка проводов. Линия CAN A сигнализации была подключена в жёлтом разъёме блока IBCM к проводам, совпадающим по цвету, но расположенным на других пинах разъёма. Сигнализация видит статусы: всех дверей, багажника, зажигания, обороты двигателя, положение паркинга КПП, ручной тормоз, температуру двигателя по CAN, уровень топлива, работает SLAVE и SLAVE по багажнику. Но нет управления световой сигнализацией, центральным замком (в настройках CAN галочки стоят), не проходит обучение бесключевого обхода штатного иммобилайзера.
Может подскажете в какую сторону копать? Заранее спасибо.



2107 StarLine A93
Добрый день, ситуация следующая: Автомобиль ВАЗ 2107 07г. Стоит сигнализация StarLine A93, на днях была установлена приборная панель от 2110, и на бороде перестала показываться индикатор поднятия ручника, хотя на приборке индикатор исправно показывает (опущен или поднят) ручник, при установке провода сигнализации не были затронуты. Автомобиль перестал видеть индикатор ручника и соответственно ставиться на автозапуск.
Концевик, лампа в индикаторе исправны.
Лачетти а93 в2 без кан
Здравствуйте, сигнализация а93 в2 без кан, автомобиль лачетти мкпп, при автозапуске работает магнитолла. Можно ли как то програмно это исправить?
Аналоговое подключение центрального замка
Доброго дня. Для полноценной работы с приложением и брелком центрального замка на Toyota Alfard, левый руль, 2012 г.в., 3.5 объем, с сигнализацией S96 V2 необходимо помимо CAN шины подключение по аналогу. С сигнализации выходит управление по "-". Огромная просьба подскажите где точка подключения на автомашине? Замучился искать. Спасибо.
Starline s66 can-lin GSM Mini, всегда требует авторизации меткой
Добрый день форумчане, установил самостоятельно сигнализацию. Для удобства привязал два телефона.
Задача чтобы работали свободные руки но при поездке не требовалась авторизация пользователя по метке.
Все настройки отключил но все равно при поездке требует авторизацию меткой или сигнализация начинает кричать
Мой файл конфигурации
ES96P S511 142247-2026_04_16-18_16_10.slc
Вопрос как полностью отключить авторизацию владельца по метке?
Проблемы с автозапуском
Toyota Vitz 2016г Start-Stop вариатор (KSP-130), E96v2, подключение по CAN-LIN
Подключено согласно точкам подключения
CAN-A - вариант 1 (вариант 2 не работает)
RX/TX - RX (черный -> белый), TX (красный -> серо-белый)
Цепи запуска(SLP) - вариант 1 (X1:основной разъем 5 розовый - установлен Блокировка рулевого вала (SPL))
по CAN работает всё идеально (закрывает, открывает, видит машину полностью)
обучение обхода проходит с положительным результатом
Автозапуск не работает, выдает ошибку "Ошибка запуска двигателя: отсутствует статус зажигания", приборная панель не включается.
Подскажите, что можно сделать?
Suzuki Jimny siera 2020
установка сигнализации es97 Suzuki Jimny siera 2020, после автозапуска панели приборов висят ошибки по ESP и PreCrash можно как-то исправить, установка согласно схемы в приложении, в блоки авто прописывается ошибка «потеря связи с ВСМ
Opel Zafira C, A93 can+lin
Opel Zafira C, A93 can+lin
После ночного простоя или нескольких часов при снятии с охраны брелком сигнализации срабатывает штатная сигнализация. Срабатывает сразу после нажатия клавиши снятия с охраны.
После снятия тревоги штатным ключом, ситуация не повторяется пока не простоит пару часов.
Ситуация повторяется и при автозапуске, как только активирует автозапуск срабатывает тревога.
Я так понимаю, что автомобиль засыпает и открытие замков с помощью сигнализации вызывает тревогу. Подозрение, что есть проблема в прошивке А93, может стоит запрограммировать его под другую модель автомобиля?
Активирован Slave.
Подскажите, как решить эту проблему?
S96 присылает sms сообщение на программу ГЛ
Здравствуйте.
S96v2
Версия ПО: 2.41.0
После выполнения программы ГЛ всегда приходит sms сообщение:
Двигатель работает
Источник команды: запрос с сервера
Охрана откл.
Вот такая программа.
Все сообщения sms в настройках отключены.
Это bug какой-то или что? Как от этого избавиться?

A94 не заводится с ключа, заводится с автозапуска
Здравствуйте !
Starline A94
VW Golf-5 2008 г.в.
Не заводится с ключа, при этом заводится с автозапуска без проблем.
Долгое время всё работало как надо, заводилась с ключа и с автозапуска и вот недавно началось. Поворачиваешь ключ, включается зажигание но стартер молчит как партизан ...
Иногда очень редко всё же заводится с ключа.
Поменял контактную группу замка зажигания но не помогло.
Подскажите куда копать, что могло пойти не так ?
Глохнет на автозапуске
S96v2 toyota corolla e150.
Пару раз замечал машина сама глохнет на автозапуске. Можно ли посмотреть может была команда для остановки. Потом буду читать мозги авто.
S96 v2 LTE уаз патриот
решил самостоятельно установить S96 v2 LTE на свой уаз патриот 2014 года (уже куплен, распакован и авторизован). залез на офф сайт с инструкцией по установке и немного в ступоре. у меня машина начала 2014 года (дорест) евро4. так вот сам вопрос - подключать по инструкции после 2014 года? если да, то встаёт вопрос по кан модулю - а на доресте тот же кан или нет?
Просрочена встроенная симкарта
Добрый день!
Забрал сегодня (19.04.2026) сигналку Starline S96V2.0 GPS. Распаковал и вижу на карточке, что симка может быть активирована до 29.12.2025. Связываться с продавцом смысла не вижу - он тоже не видит до распаковки просрочку. Да и времени отправлять обратно и ждать новую доставку нет.
Симка, насколько я знаю, встроенная.
То есть это теперь кирпич?
Вторую симку естественно перед установкой вставлю, но в РФ она работать не будет.
Установка S96v2 lte

Подскажите по подключению модуля на ладу искру. В инсталляции на сайте старлайн я увидел, что модуль подключают к блоку bcm. Что бы разнести блоки, я могу все провода все же согласно этой схеме подключу к замку зажигания? Главный вопрос что синий и синий-черный провод намного тоньше провода стандартной проводки который подходит к замку зажигания. Получается мне нужно обрезать этот провод, что бы подключить согласно схеме. Его сечения достаточно?
Haval M6 запуск по CAN.
Здравствуйте. Haval M6. Starline E97 GSM-GPS.
.
18.04.2026 вышла alpha-версия прошивки CAN с функцией бесключевого запуска по CAN. Версия ПО самого блока последняя, актуальная. Обновил версию CAN на alpha. Изменил настройку функции "Система запуска двигателя" с "замок зажигания" на "Управление запуском по CAN-LIN". Так же проставил две галки "Не останавливать двигатель по CAN-LIN при вежливой посадке" и "Активировать силовые выходы при управлении запуском по CAN-LIN". Сохранил настройки.
.
При команде на автозапуск вкл зажигание, слышу как отрабатывает топливный насос, но стартер не крутит. Так 3 раза и сбой попыток по автозапуску. В смс и в приложении пишет "Запуск двигателя не удался / Источник команды: брелок StarLine / Охрана вкл."
.
настройка силовых проводов в меню "КАНАЛЫ"
СИНИЙ: запуск двигателя: аксессуары
ЖЕЛТЫЙ: запуск двигателя: зажигание-1
ЗЕЛЕНЫЙ: запуск двигателя: зажигание-2
.
если вернуть обратно "Система запуска двигателя" на "замок зажигания" запуск отрабатывает в штатном режиме. Включается зажигание, насос, стартер и запуск.
.
Просто пытаюсь понять что не так? Подключение осуществленно по схеме с сайта Старлайн. Всё по методичке. Кан к канам. Силовые всё по цветам. Может ещё что то нужно изменить в настройках блока помимо функции "Система запуска двигателя"? Спасибо.
Перекручивает стартер Starline a93
Машина suzuki sx4(g2) установлена самостоятельно, после автозапуска крутит стартером примерно 1-1,5 секунды, отключил контроль по кан шине, подключил к датчику распредвала по моему стало чуть лучше, пробовал увеличить амплитуду сигнала с датчика с 5 в до 12в( собрал маленькую схемку) результат тот же +-, пробовал взять сигналы с 4х форсунок через диоды + резистор - с этим вариантом лучше, но все равно есть перекрут около секунды...что ей надо? четкие прямоугольные импульсы 50 % заполнением ли дело не в этом? ....контроль двигателя выбран по тахометру, частота импульсов 34Гц при оборотах 1000
Не ставиться в охрану на заведенном двигателе
Не ставиться в охрану на заведенном двигателе, пробовал обновить прошивку ничего не меняется, где устанавливали сигнализацию не знаю, старый владелец на связь не выходит, машина куплена недавно.
Проблем вв том что надо чтобы срабатывала турбо таймер
Starline s96 v2 eco, настройка
Всем доброго времени, подскажите как можно отключить авторизацию владельца? Хочется чтоб снял штатным ключом и поехал, не таская с собой ни метку ни смартфон с вкл блютузом
Mitsubishi Eclipse Cross RHD, 2017 - 2025
Добрый день друзья!
Машина с правым рулём 21 год.
Охранная система Е7.
2 проблемы присутствуют:
1.При снятии с охраны включаются габариты примерно на 10 секунд, затем сами гаснут.
2.При подаче команды на дистанционный запуск двигателя, происходит включение зажигания, затем попытка вращать стартер, которая быстро (ОЧЕНЬ БЫСТРО) обрывается и автомобиль на приборке выдаёт сообщение
" неисправность электронной системы"
Двигатель естественно не запускается дистанционно....
Что может быть?
ПО 2.43.0
После обновления ПО на 2.34.0 ( CAN lib 7.3.7.83114) возникли проблемы с автозапуском.
1) Нельзя визуально с приложения контролировать температуру двигателя. Показывает последнюю температуру, переданную с CAN (пускового подогревателя нет). К примеру, сейчас за 2 дня простоя авто температура двигателя 90 градусов.
На сайте написано, что

Но на внешний выносного датчика температуры система не переходит (визуально)
2) После п.1) не понятно было как сработает автозапуск по температуре двигателя ибо она всегда высокая (последняя с CAN). Когда были морозы (-31 градусов) всё же автозапуск по температуре двигателя сработал "Двигатель запущен. Источник: Низкая температура двигателя". Видимо источник всё же поменялся, но на сервер температура отправляется последняя с CAN модуля. Это очень неудобно.
3) Запуск с приложения (или с метки) стал работать со второго раза.
По следующему алгоритму (машина стояла 10часов на морозе в -17..-20)

Глянул, параметр "Максимально допустимая температура двигателя при АЗ/ДЗ/ТТ/ПЗЭ стояло 85. Поднял до 88
Ошибки продолжаются. Запускается со второго раза (машина стояла час на морозе)

Поднял до 90 градусов. Последний запуск с приложения, вообще ушла в тревогу (авто стояло 3.5 часа на морозе):

Брелком от авто отключил тревогу.
Выставил "Максимально допустимая температура двигателя при АЗ/ДЗ/ТТ/ПЗ" уже 91 градус. Но это не выход.
4) за последнюю неделю приложение вылетело 3 раза (разлогинилось), что очень неудобно. (до этого за почти 3 года это было всего всего один раз). Из того что изменилось, это писал по проблемам нового ПО в "обратную связь". Периодически захожу туда чтобы глянуть есть ли обратная связь. (5 дней там тишина). К тому же сообщения на сервер обратной связи не отправлялись, а потом сдублировались многократно. Видимо были проблемы с сервером приложения обратной связи, мб и с этим связаны разлогинивание. Приходиться каждый раз ехать домой искать коробку и заходить до приложения.
штатные кнопки
метку с собой носить не хочу, телефон как метка срабатывает, только если открыть приложение(хотя все уведомления приходят в приложение, т.е. оно в фоне), добавляю штатные кнопки, но срабатывают они через раз. Объясните мне 3 шага поиска метки или нажатия штатных кнопок. Шаг 1, я ничего не нажимаю, через 60с начинает срабатывать шаг 2 и потом 3.... вопрос 1: время на ввод кода штатными кнопками равно времени шаг1+шаг2+шаг3? т.е. можно сделать суммарно 3 минуты? вопрос 2: если я не ввел код штатными кнопками сигнализация орет машина заглохла, как мне дальше ее снять с охраны? штатные кнопки нажимаю при включенном зажигании или уже заведеной машине
GAC GS8, 2023 - 2024
Добрый день. Сигнализация S66 первой версии. Прошивки кан и блока последние доступные. Автомобиль ОД 2024, комплектация GT. Читаются не все функции указанные на https://can.starline.ru/0/112/10425#functions. Из наиболее актуальных для меня температура двигателя, внешняя температура, габариты и свет. Поможет ли замена на S66 v.2 прочитать нужное или это ограничения моей комплектации?
Замена замка зажигания на кнопку "стар-стоп" с помощью Starline S96
Доброго времени суток. Сразу предупрежу - никогда не занимался программированием Старлайнов. Когда-то занимался установкой аналоговых сигналок и установкой и программированием Пандор. Но давно отошёл от этого. Сейчас возникла такая задача: есть Mazda MPV 2003 года, с замком зажигания, без иммобилайзера. На ней установлена Starline S96 с дистанционным запуском, реализованным через силовой модуль Starline. Хочу полностью удалить замок зажигания, установить обычную кнопку "on-off" и реализовать с помощью гибкой логики алгоритм "старт-стоп". Прошу совета у специалистов как это правильно сделать. Желательно пошагово, вплоть до того, какой провод к чему подключать и с картинками этапов программировани.
подключение Starline A93 V2 в Audi A6 C4
Здраствуйте! Подскажите как реализовать подключение на открывание закрывание дверей, нашёл провод зеленый с синей полосой, разрезал его подключил синий со стороны двери, зеленый со стороны центрального замка насоса, подключил и сгорели предохранители. Как правильно подключить чтобы открывались закрывались двери. пишут на vag минусовое открытие закрытие, как реализовать? Есть товарищи подключают через реле, но пишут что в блоке уже стоит реле, только как то надо перепрограмировать с + на - . Информации подробно не нашел именно для вашей сигнализации A93 V2. Устанавливаю сам обьясните подробнее что да как?
Starline A93 V2 Импульс открытия закрытия дверей
Здраствуйте ! Помогите запрограмировать импульс отпирания запирания дверей. Ну и в настройки надо будет зайти и длительность импульсов поменять, чтобы компрессор успевал вакуум создать. Стандартной 1 сек, запрограммированной с завода для электрозамков мало. Компрессору надо больше времени .. Не пойму как зайти в эти настройки куча инструкций таблиц брелок пиликает но ничего не меняется. Опишите подробно что да как куда нажать?
Не заводит с брелка
12 лет штатно все работало и вот пришло чему-то привет, подскажите пока не начал разбирать, какие могут быть причины.
Подключена без Кан, просто по проводам, иммо нет, крутит, но нет ни единого намека на запуск, с ключа заводит с пол оборота, проводка подключалась лично, соплей нет, все качественно скручено, уложено и даже пропаяно, если дело не в настройках, то я так полагаю в самом блоке блокировки, стоит на разрыв питания форсунок.
Глюк сигналки
Установил starline s66 и модуль обхода bp-3, на vw tayron 22 дорест. Подключение строго по карте монтажа для этой модели. Прошивку взял от vw tayron, но уже рест.
Дак вот, глюк заключается в том, что при дистанционном запуске, срабатывает сигналка, если штатная срабатывает, то орет сигнал, а двигатель продолжает работать, а если срабатывает сигналка, то орет и глохнет. Хотя если тут же попробовать завести, то все нормально.
знаю, что этих машинах засыпает кан, может ли это так влиять?
Здравствуйте можно карту монтажа на geely vision или похожую для установки
Здравствуйте можно карту монтажа на geely vision или похожую для установки
eSIM конфигурация профиля
Доброго времени суток
Будет ли добавлена возможность изменения профиля симчипа для привязки его не в РФ?
Subaru Forester, 2008 - 2013 (III)
всем добрый день, имеем авто Форестер 3 ключ левый руль 2008год, охранный комплекс s96 v2, прошивка 2.44.0 can 4917 alpha, использую обход штатного иммо, на старой прошивке (к сожалению не запомнил) при автозапуске периодически загоралась гирлянда (чек, круиз и т.д), с ключа проблем не было. Обновил прошивку и иногда гирлянда загорается и гаснет через 5сек. Лампочка ключа иногда горит, гибкую логику не трогал, дополнительные реле на кан шину не вешал. Проблема заключается в том что с ключа машина не всегда запускается, просто крутит стартер и не схватывает. Как решить проблему? Устанавливал пол года назад по схеме с сайта
Нет соединения по блютузу
Е97 Эко, установка на Фольксваген Туарег 1 поколения. Нет соединения по блютузу.
Kia Cerato 4(BD) Kia K3 подогрев зеркал аналогом
Ребята подскажите кто на KIA Cerato 4 (Kia K3) аналогом подключал подогрев зеркал, не могу провод найти в проводке, а по CAN нет поддержки управления обогревом зеркал
Peugeot 3008 2022 не соответствуют цвета при установке
Добрый день.
Подключаю цепи автозапуска сигнализации Starline A93 v2 2CAN 2LIN в автомобиле Peugeot 3008 2 (рейсталинг) 2022 г.в. 1.2 бензин согласно схемы ниже. Не сходится цвет провода №48 (бежевый) в коричневой вставке черного разъема BSI. По факту там зеленый. Все остальные цвета сошлись.

Так в инструкции:

По факту так:

Так по факту выглядят провода 41, 45, 48:

проблемы при обновлении брелка
В рандомный момент при обновлении брелок Starline E96 основной (вертикальный ЖКИ) rev.8 выходит из режима загрузки, это может быть как 45%, так и 69%!
Customer support service by UserEcho