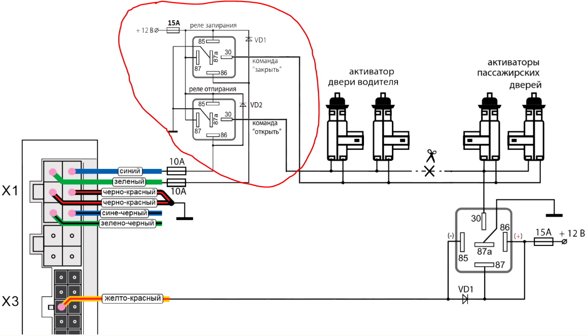
Подключение А93 V2 к актуаторам замков дверей
Планирую установить А93 V2 на автомобиль без ЦЗ, стоит ли городить дополнительные реле как на рисунке. А то мудрые автоэлектрики рисуют на просторах интернета....

Перестал работать автозапуск
При попытке завести авто с телефона дистанционно пишет: неудачный запуск двигателя. источник: запрос сервера. неизвестная причина. Когда сел в машину и попытался снова завести автозапуском, посмотреть что будет происходить, услышал лишь щелчки наподобие реле, примерно раз в 5 секунд, но ни приборка не загорелась, ни питание акксесуаров. Год назад была установлена сигналка. Подскажите как куда копать?
e96v2+m66+Prius 30
Здравствуйте Гуру. Есть эта связка и сама проблема в чем.
Зимой когда акб 12v в морозы теряет емкость и естественно напряжение есть такая проблема. При АЗ или ДЗ без раницы автомобиль якобы завелся и сразу заглох по сигналке. На самом деле в этот момент стоял возле двери авто и запуска не было, только моргнула панель приборов. При повторном запуске с брелока авто заводится хорошо.
Но если не использовать АЗ и ДЗ и просто сесть в машину и запустить авто с кнопки старт стоп всегда все хорошо.
Как ктото сдесь говорил это Тойоты капризные к напряжен, может и соглашусь. Но почему у меня в настройках стоит делать 3 попытки,А делает всего одну? Вот в чем вопрос, если бы он делал 3 попытки авто завелось бы в любом случае. Как сделать что бы сигналка делала еще попытки при неудачном запуске.???
Про замену АКБ не предлогать, это я в курсе. Но если с кнопки заводит всегда с первого раза то почему не заводит с сигналки.
Toyota Corolla, 2012 -
Здравствуйте! В схеме подключения реле в разрыве розового провода ошибка при включении реле при автозапуске информация уходит в машину а не в эбу
В64 через программатор не входит в режим настройки, пишет оборудование не подключено
Здравствуйте, в машине без кан шины, стоит В64. Вроде всё устраивает, но решил перестроить в настройках некоторые функции, убрать авто постановку на охрану, закрытие дверей, перепостановка и тд. То, что может закрыть машину с ключами внутри. Купил программатор, обновил легко, установил последнюю прошивку, блок видит, но при попытке войти в режим настроек, пишет оборудование не подключено. Блок на столе, + и - на блок подавал на +12. и минус. Всё равно не входит в режим настройки. Что делаю не так, как заставить блок работать? Что то писали про валет...могу конечно и кнопку валет вытащить и принести домой, если она поможет. Блок конечно старый, но на машине 2003 года норм. Помогите подскажите по шагово, что и куда пожалуйста, пока я его с дуру не сжёг...((
веста 2025 автозапуск парктроники StarLine S96 v2 LTE(4G) GPS
При запуске двигателя со штатного брелка или смартфона срабатывают все парктроники одновременно и система пишет что пактроники отключены. То есть при включении зажигания все в порядке, а происходит это сразу после запуска двигателя.
Нет повторного автозапуска A93 v2
Здравствуйте. Так как до технической поддержки не дозвонится, задам вопрос тут.
Собственно вопрос: - Почему после удачного автозапуска, и последующего глушения двигателя (не важно как, сама ли заглохла по таймеру, или заглушена в ручном режиме), не удается произвести повторный автозапуск?
Чем инициируется не важно (брелоком, приложение, смс).
Причем видно что косяк это программный, блок даже не пытается завести машину., в приложении пишет произошла ошибка, а в ответном СМС многозначное команда не выполнена. (почему она не выполнена? по какой причине? уж обработчик ошибок можно было бы и написать нормальный).
Вылетело приложение
Вылетело приложение starline и из него пропала сигнализация. При повторной привязке на команду 00581 не реагирует
А93 Теряет связь с брелком
старлайн а93 проблема спустя несколько часов после поставки на сигнализацию машина теряет связь с брелком, приходиться скидывать клему с аккумулятора и вставлять обратно, после этого опять все работает, бывает что и не проходит и 10 минут теряет или прямо на ходу решение пока только скидывать клему
Toyota IQ неверное описание точек подключения на сайте
Добрый день.
На сайте https://can.starline.ru/43/39/7702#connections указаны неверные подключения.
В частности, Toyota IQ 2012 пруль, указаны пины OBD верные, но цвета проводов другие. Скрин с мануала прилагаю, в жизни совпадает с мануалом тойоты, а не сайтом старлайна.
Проблемы:
1. Сигнализация не входит в режим BLE после нажатия 9 раз на сервисную кнопку и включения зажигания (хоть кнопка и старт стоп, но знаю разницу между зажиганием и ACC). Т.к. авто не видит CAN шину. Это подтверждает то, что в приложении starline сигнализация отображается как "онлайн", но состояние дверей (как пример) - не видит. Что я тут упускаю?
2. Максимально тупой вопрос - линия RX/TX - как еще может называться на официальной схеме (именно RX/TX не вижу)? Исходя из описания на сайте "Средний разъем блока BCM справа от руля." - блока справа от руля нет. Блоки находятся у пассажира слева и цвета другие.
3. Ну и цепь запуска SLP - такого разъема тоже не вижу. Есть подсказки где искать?

Toyota Auris 2012 года и s96v2

Здравствуйте. Я живу в Турции. У меня Toyota Auris 2012 года выпуска. Ключ + дизель + левый руль + МКПП + кузов E150. Установка завершена. Машина выполняет алгоритм. Двигатель работает, пока я не выхожу из машины. Тормоз и сцепление подключены. Три кабеля подключены под зажиганием, подключены иммо и иммобилайзер (есть реле), а CAN подключен к разъёму OBD2. Провёл (+) провод от аккумулятора с помощью кабеля. Открываю приложение на телефоне. Хочу удалённо завести машину. Стартер крутит всего секунду. Потом не заводится. стартер останавливается. На телефоне появляется неожиданное сообщение об ошибке. Помогите, пожалуйста. В Турции нет услуги Starline. Мне придётся сделать это самому. Помогите, пожалуйста. Что мне делать?
Как удалить старые программы гибкой логики из приложения.
Когда-то давно (больше года) создавались программы гибкой логики. Все уже давно удалены. А в приложении до сих пор висят. Как их оттуда поудалять?

Запускается по температуре
Здравствуйте, с телефона устанавливаю автозапуск по температуре, в положенную температуру запускается, отрабатывает, и блокируется. Второй раз ни с брелка ни с телефона не запускается в приложении пищет произошла ошибка запуска двигателя. Понимаю что в системных настройках нужно что то отключить не понимаю что. Доступ в систему с бука имеется.
спасибо.
Audi Q3 2012 года при автозапуске не работает бесключевой обходчик S96v2 LTE
Здравствуйте! Обучение проходит успешно, два раза делал уже, но при запуске на приборке надпись "Ключ не идентифицирован". Если к личинке приложить ключ то автозапуск работает. В настройках выбрал обход по CAN/LIN. Может что то еще надо настроить?
As90 eco перестала работать
Добрый день!
у товарища митсубиси кольт 6 поколения, пару дней как ему поставили AS90 eco, при нажатии на кнопку пуск в приложении, ничего не происходит, в приложении всплывает сообщение о невозможности выполнения команды.
блок сигнализации сняли, подключили к компу, она не определяется никак, только кольцо загрузки мерцает и моргает красный диод на плате, типа пытается связаться.
ставим обратно и сигнализация вообще никак не реагирует: метка двери не открывает, в приложении пишет :"не в сети" и как будто окирпичилась
питание проверяли, всë есть....
у неë есть какая то кнопка сброса?
или такую же найти и попробовать подкинуть?
Не обучается обходчик, A93,Honda Vezel 2021, из Кттая
Установил А93 v2,, 2can2lin v10, , залил прошивку Кан модуля от hrv 2014-2021,с кнопкой старт-стоп. Не проходит обучение обходчика, жму 14 раз кнопку, включаю зажигание и тишина... Ещё не работает слейв при открытии бесключевым доступом, открывается штатно, но а93 не снимается с охраны. Подключения проверил на несколько раз все как на схемах Стар Лайн... Дайте совет
Вентиляция сидений на Jaecoo J8 (S96v2)
Авто Jaecoo J8, сигнализация S96v2. В новых версиях ПО заявлена поддержка вентиляции сидений в умном климате. Обновил сегодня ПО последней версии 2.43, CAN тоже обновил, в приложении Starline 2 в умном климате включил вентиляцию сидений, но кнопки управления вентиляцией на экране умного климата так и не появилось.
Что еще нужно сделать?
Спасибо!
Глохнет двигатель
Добрый день! Подскажите, пожалуйста, лучший способ реализации, чтобы после дистанционного запуска не глох двигатель при открывании двери, машина рав4 2008года коротыш, старт-стоп, старлайн е96v2.
Некорректная работа на astra j
Поставил себе на astra j 2011 акпп starline a93v2. Подключение производил согласно установочной карте, все сигналы берутся с кан. Обход иммобилайзера через iKey. При попытке открыть машину, когда она на автозапуске, сигнализация с охраны снимается, но открытие цз происходит иногда с первого, а иногда со второго-третей раза. Необходимо переподключить цз по аналогу? Так же есть проблема, что иногда на автозапуске машина глохнет через несколько минут и заново заводится. Прошивку модуля кан брал с сайта, самую последнюю.
Форд куга2 s66
Возможно ли реализовать автозапуск без силового модуля ? Или нужно подключать согласно этой карты монтажа

Nissan Leaf ZE0 2011
Добрый день! Автомобиль Nissan Leaf ZE0 2011 г.в.
Подключил СтарЛайн S96v2 BT GSM, согласно схеме. В результате при попытке автозапуска на приборной панели появляется ошибка I-Key system fault и старта не происходит. Первоначально пытался обойти иммобилайзер по кан, не вышло.
Купил модуль обхода иммобилайзера BP-06, из второго ключа вынул плату, припаял вложил в обходчик. Обходчик подключил по инструкции к розовому проводу, и к нему же 8 пин от блокировки руля через диод. Не понимаю что делать дальше прошу помощи.
Прилагаю файл с настройками. Настройки


Невозможно привязать новый брелок
Сломалась большая кнопка на брелке. купил новый, но не смог привязать. Сервисной кнопки нет, но попробовал замыкать контакты 8 го разъёма, но при замыкании работающий светодиод не мигает и на семь замыканий естественно система не привязывает брелок а машина Форд Фьюжен не отвечает. Кнопка на антенне ведет себя аналогично: никакой реакции. В чем причина? Отремонтировал старый брелок,все работает. Но почему новый не привязывается?
Конроль работы двигателя
Здравствуйте форумчане. Сигналка AS90, контроль запуска подключен к тахометру. Проблема в том, что прокрутка стартера происходит примерно 0.2 секунды, чего очень мало для запуска тем более в мороз. В режиме диагностики обороты не показывает. Может кто-то сталкивался с проблемой ?

звуковые сигналы
VID_20251210210433.mp4 Что означают эти звуковые сигналы после попытки открытия с брелка?
Нет автозапуска
Включается зажигание, щелкает реле и нет кручения стартером. Подключено по тахометру.
Отключение света в салоне при постановке в охрану
Как реализовать функцию отключения света в салоне при постановке в охрану через 5 сек.?
При поставке в охрану штатной сигнализации свет тухнет сразу. При постановке в охрану через старлайн свет тухнет где то через 30-40 сек. В старлайнмастере галочка задержка выключения света убрана.
Skoda Octavia 2 (A5) 2007 г. Е96v2
Работа S96 V2 на Belgee X50
Здравствуйте. Недавно я приобрёл а/м BG X50. В нём была предустановлена S96 V2. Дилер, у которого была куплена машина не имеет авторизованных установщиков Starline, согласно сайту. В автомобиле не работает управление стёклами, панорамной крышей и зеркалами от сигнализации, не работает умный климат с подогревами стёкол, автозапуск глушит двигатель при снятии с охраны. При запросе на настройку климата дилер говорит про китайскую электронику, и про то, что когда-нибудь старлайн выпустит прошивку и все заработает само. Про мягкую посадку говорят, что все глючит, машина при ней глохнет через 20 минут в драйве прямо на ходу и вообще у всех она глохнет при снятии с охраны, и это правильно для этого авто. Хотелось бы узнать правда ли все эти рассказы и получить комментарии от специалистов старлайн.
Понимает ли старлайн е96 наличие ключа в замке?
хочу составить гибкую логику, тк в настройках подобное не реализуемо, суть проблемы: орет сигналка при сценариях когда ключ в замке ( зажигание вкл машина заведена) поднимаю ручник, выхожу из авто, закрываю дверь, и когда возвращаюсь, если удержать сенсор ручки, то происходит постановка в охрану, блокировка глушит мотор, а тк ключ в замке, сигнализация видит зажигание иначинает орать) составил вот такую гибкую логику, но теперь поддержка зажигания всегда, даже когда мне нужно закрыть и заглушить авто как в обычном режиме, без поддержки
как дать понять старлайну когда зажигание включено с ключа, а когда оно включено поддержкой зажигания ( без ключа) оба варианта работают одинакого: гибкие входы-зажигание; статусы автомобиля-зажигание

А93v2 работа с цз при постановке на програмную нейтраль
После перехода с шерхан магикар 5 на сигнализацию А93v2 был немного опечален тем, что нет функции " открыть цз при переводе авто на поддержку зажигания". На шерхане это реализовано. Поэтому хотел бы узнать - не планируется ли добавить данную функцию в ближайших прошивках. Или попросить добавить ее. Ооочень как облегчила бы жизнь такая функция.
astra j обучение имобилайзера и настройка автозапуска
Приветствую, досталась машина опель 2013 АКПП с запечатанной сигнализацией s96v2, прошлый хозяин отдал в довесок на ремонт коробки. Снял прошлый шерхан, который был подключен по аналогу и со слов владельца неисправен, постоянно жрал АКБ.
Подключил по схеме что шла в коробке и ориентируясь на дополнительный файл с автозапуском. Силовой продолговатый, брал с него зеленый и синий, красный соединен с бело-зеленым и бело-синим.
Залил кан и обновил прошивку, файл настроки брал с сайта для "АКПП + ikey". Цвета разъема не все совпадают - это синий и белый. Ориентировался на пинам.
Про похожую проблему читал, недавно тут была, но он там что то наколхозил, что как понял и машина просто не заводилась.
Проблема с обучением и с автозапуском готов хоть ключ оставить у антены.
При обучении пищит 4 раза, как бы быстро я не пытался сделать, может надо еще быстрей?)))) на втором провороте начинает пищать. ключ пробовать еще дальше отводить от замка может.
Запуск проверял через ноутбук диагностику - включается асс (экран на приборке), потом зажигание (вся приборка), постоит и тухнет. Может надо какое то время настроить на отключение асс или зажигания. Провод обходчика соединил обратно при проверке запуска.
Ехать в ближайший центр за 700км не очень хочется.
Nissan cube z12 starline s96v2 lte
Добрый день, столкнулся с проблемой при обучении обхода штатного иммобилайзера для автозапуска.
При обучении (через нажатие кнопки / мобильное приложение/ ноутбук) выдаётся 2 звуковых сигнала и в логах появляется надпись, что обучение прошло успешно, но по нажатии copy key появляется надпись, что нет данных для записи.
подключение производилось по схеме с оф. Сайта - https://can.starline.ru/40/28/9125#connections
Прошивка так же подгружена с сайта.
По настройкам в СтарЛайн мастер установлена кнопка старт-стоп, тип коробки- АКПП.
Интеграция Home Assistant.
Здравствуйте. Имеется s96v2, и сервер умного дома home assistant с установленной интеграцие starline.
Среди объектов управления в home assistant есть возможность активации дополнительного канала. Как настроить в ГЛ какое либо действие на включение доп канала из home assistant (если это возможно с s96)?
гибкая логика(прошу помощи)
Всем Всем привет.
У меня проблема уже не первый год. сть автомобиль Prius 30 +e96v2(+m66) так вот в мороз авто с аз идз не запускается с первого раза(вторую попытку не делает, почему не знаю) При провторном дз запуске запускается отлично и при запуске с кнопки тоже всегда с первого раза.
Прошу Прошу помощи в написании программы гибкой логики, если авто не запустился с аз или дз, то его запускала программа гибкой логики.

Автозапуск работает только после скидывания клеммы аккумулятора СтарЛайн а91
Здравствуйте, проблема в следующем машина без проблем заводится с автозапуска пару дней, в день примерно 2 раза утром и вечером, после этого завести машину с автозапуска уже не получается. Проделываю такие же манипуляции при постановке на автозапуск, пытаюсь запустить с брелка, включается зажигание, бензонасос качает, сигнализация пытается крутануть стартер но он молчит, при попытке прокрутки стартера соответственно все лампочки на приборной панели пригасают и так четыре попытки, после снятие и уставки клеммы аккумулятора автозапуск работает в штатном режиме и далее по кругу, что может быть и куда копать? СтарЛайн а 91, ваз 2114
Slave и обход иммобилайзера passat b7
Здравствуйте. Имеется автомобиль volkswagen passat b7 и сигнализация s96.
Вопрос в следующем - функция slave при открытии и закрытии авто со штатного ключа все работает и в приложении старлайн снимается и ставится охрана, но если я открываю машину с приложения то штатная сигнализация начинает пищать. Как исправить это?
Вопрос про автозапуск - когда машина начинает запускаться, то опять же пищит штатная сигнализация, но по итогу машина так и не запускается срабатывает иммобилайзер, пробовал даже с ключом в замке - иммо не срабатывает, но машина даже не пытается запуститься, просто включает и выключает зажигание и все. Что с этим делать?
Toyota Yaris Cross RHD, 2020 -
При включении зажигания по Кан входит в колебательный процес включит выключит. машина заводься один раз после работы с програматором
делаем изменения перезагружаем заводит одна сработка потом гемор по зажиганию кандин10
нет индикации на тормоз
Греется антенный блок
Доброго дня. Вопрос к знатокам. Имеется два автомобиля с установленной сигнализацией А93. Который раз замечаю, особенно заметно зимой, на одном при похолодании снежок тает где установлена антена на другом такого нет. Получается на одном авто антена излучает тепло,а на втором нет. Приглядываюсь к другим авто, тоже не замечаю подобного таявшего пятнашка на лобовом от антенки. С чем это связано?
Там где тает снежок: FG63-Q2, GK74-R5
Там где все ок: FG63-Q2, GK74-R8
номер контракта номер смс цент
,здравствуйте я нахожусь в Киргизии и поменял сим карту на местные. Не могу добавить номер контракта номер смс цент. Помогите пожалуйста.
е97 2can2lin gsm на Шкода камик 2025г Китай
Здравствуйте, установил е97 2can2lin gsm на Шкода камик 2025г Китай. При запуске на холодную машина заводится , глохнет, еще раз заводится и срабатывает тревога, при этом авто работает. Причину сработки не показывает, просто орет сирена. В чем может быть проблема?
Автозапуска хватает на один раз
Здравствуйте, недавно установил сигнализацию starline a93 can+lin. Авто логан 2005г, на мкпп. Все системы работают исправно за исключением автозапуска. Обучаю ключ 14 раз жму кнопку на антене, потом включаю зажигание. Ключ обучается, делаю подготовку к автозапуску все проходит успешно, запуск авто происходит, глушу, делаю опять подготовку к аз, запускаю с брелка, стартер крутит 4 раза, иммо мигает быстро. Опять делаю обучение ключа, заводится и опять на 1 раз. Делал много попыток обучения/запуска, иногда хватало на 2 запуска, иногда вообще не запускалась. Не могу понять в чем причина отвала ключа.
Установка по этой схеме

Замена А91 на новую
Доброго дня.
Досталась с машиной сигналка А91. Начала глючить, видимо пришло время замены. Какую сигналку можно поставить взамен А91 без переподключения проводов либо с минимальными манипуляциями с проводами? Чистая замена блоков.
Спасибо.
Есть ли на A92 контроль двигателя по CAN?
Всех приветствую!
Starline A92
Opel Astra J 2011
Авто куплен два месяца назад, АЗ не крутил стартер. Неделю назад заменил обходчик иммо, АЗ начал работтаь, до прихода холодов. Теперь в -10 ему нужно попытаться завести двигатель около 15ти раз и после этого уже двигатель встанет на свои законные 10 минут прогрева. После первого успешного, следующий запуск в ближайшие минуты произойдет без проблем
Насколько я понял, проблема в контроле запуска двигателя, на брелоке при успешном запуске или постановке на АЗ отображается рабочий двигатель (дымком)
Посмотрел инструкцию по А92, вроде в названии указано CAN, а в таблице программирования контроля двигателя нет варианта контроля по CAN. Я правильно понял, что на А92 сигналке нет такой возможности? Если да, то какой самый надежный способ на данном автомобиле можете посоветовать для контроля двигателя и как не допустить повтора (герметичная термоусадка или еще что-то такое)
Сильно тапками прошу не кидать, опыта мало
"режим охраны не определен" на GSM+GPS Master V2, как поставить в охрану?
Поставлен E96v2, все работает (охрана, автозапуск и т.п). Вчера поставил GSM+GPS Master V2 со связью по starline шине. Устройство было зарегистрировано (теперь если войти в StarMaster то и E96 видит что у него есть внешний GSM и Master V2 видит что у него есть основной блок сигнализации).
На GSM Master проходят смски (скажем, запрос координат).
Проблема в том, что команды открытия и запуска которые посылаются в Master не выполняются. Ни при посылке соответствующих SMS ни в "Диагностике" StarMaster когда соединяюсь с Master V2 по USB.
Статус устройства отмечен как "не определен". Перезагрузка статус не меняет.
Может это вообще нормально и чтоб Master V2 имел возможность запуска, надо протягивать дополнительные провода (зажигание и проч)? У меня сейчас протянут только "starline bus", ну и питание.
Блокировка иммобилайзера
Добрый день. Авто хентай гранд Санта фе 2015г. Установил сигнализацию e96v2. Автозапуск работает. Но периодически, как будто иммобилайзер перестает видеть ключ. Машина пищит, не заводится. Может не заводиться часами (иммобилайзер пищит), может через пару минут все заработать. Закономерность проблемы этой не могу выяснить.. что может быть? Может старлайн как то блокировать иммобилайзер на какое то время и почему?
Работа Телематики в ЛНР(Луганская Народная Республика)
Делюсь личными наблюдениями по работе комплекса в нашем регионе.
Имеется комплекс s96v2 GSM GPS.
Номер активировал МТС(встроенный чип)
Т.к. у нас нет покрытия МТС, для работы мобильного интернет обязательно в настройках ставим интернет в роуминге.
Роуминг доступен в двух сетях местных 7телеком и МКС.
в сети 7телеком работает и интернет и смс и звонки.
в сети МКС интернет работает, звонки работают. СМС работают только входящие в комплекс. исходящие не работают, пока не понятно на каком уровне. или МКС блокирует что то , или еще что то.
Первые несколько дней, когда комплекс активировал и установил, номер зарегистрировался в сети 7телекома и работало. потом во время поездки по региону, скорее всего номер перерегестрировался в сети МКС и перестали работать смс и интернет. Интернет получилось восстановить прописав правильную точку APN (internet.mts.ru)
смс центр пробовал менять на +79112009993, изначально был +79168999100
Интересно есть ли возможность самостоятельно выбрать другую сеть для регистрации?
После дистанционного запуска стал глохнуть двигатель
Второй раз устанавливаю S96 и второй раз без проблем не обходится. Думал два раза в одну воронку снаряд не попадает, ан нет. В первом случае тупо терялся контакт на дорожке реле модуля автозапуска, в этот раз просто на плате поменяли местами красный и оранжевый провода. Не вставало под ток ни одно реле. Поставил обыкновенное реле, автозапуск появился. но после нескольких пусков двигатель стал заводится и тут же глохнуть. Проверил настройки и обратил внимание, что в настройках запуска двигателя самопроизвольно меняется кнопка старт-стоп на замок зажигания. Автомобиль Toyota Roomy 2019г
Geely Cityray
Здравствуйте. Скажите, пожалуйста, как реализовать автозапуск больше двух раз по CAN?
Customer support service by UserEcho