0
E66 V2 на VW Passat 8.5 c МКПП 2021г.
Вопросы по установке сигнализации StarLine E66 V2 BT 2 CAN+4 LIN ECO на VW Passat 8.5 c МКПП 2021г.
Всем добрый день. Есть схема подключения автозапуска для VW Passat 8.5. Куда подключаются подключаются пины 54,44,47 если нет силового модуля. Машина оборудована кнопкой старт-стоп.9ecea991e9e94d3c6cc23c79b37a27eb799318fc.pdf
Customer support service by UserEcho
Купить силовой модуль
Не проблема купить его. Не нашел схему подключения силового модуля к автомобилю с МКПП и кнопкой старт -стоп. Может у кого нибудь есть схема подключения автозапуска к вышеуказанному авто?
Не нашел схему подключения силового модуля к автомобилю с МКПП и кнопкой старт -стоп. Может у кого нибудь есть схема подключения автозапуска к вышеуказанному авто?
Ну как минимум надо пробовать ту же схему. Ведь на ней подключение к стартеру - под капотом. Значит скорее всего мимо всех педалей...
Но надо быть морально и физически готовым к тому, что придется ИМИТИРОВАТЬ педаль...
Шансы 50/50. Может и не придется этого делать.
Порывшись в интернете нашел схему силового модуля. Стало все понятно.
Модуль можно не покупать и обойтись тремя реле.
Так же нашел две схемы подключения автозапуска.
Посоветуйте по какому пути лучше идти?
Модуль можно не покупать и обойтись тремя реле.
Можно, а зачем?
Городить 3 реле, по цене почти как модуль (если реле нормальные, а не с надписью "Россия" из магазина Жигули) не сильно эстетично, но тут Вам виднее.
Так же нашел две схемы подключения автозапуска.
Если мотор 1.4T и есть VAG-01 то схема вот: https://can.starline.ru/44/41/8877#schemes
Ключи на руках
Если мотор отличный от 1.4T, то хоронить один из ключей, Модуль запуска можно не покупать, обходчик иммо только купить и в разрыв штатной рамки. Имитацию сцепы и кнопку доп каналами сделаете.
Порывшись в интернете нашел схему силового модуля.
Это схема старого типа релейного модуля. так называемый "спичечный коробок". Сейчас выпускаются нового типа - "вытянутый пенал". Его функциональная схема есть прямо на плакате из коробки сигнализации...
Модуль можно не покупать и обойтись тремя реле.
+100/500
Модуль имеет смысл купить затем, что в релейном модуле больше, чем три реле.И нередко наличие этих "лишних" реле внутри релейного модуля оказываются совсем НЕ ЛИШНИМИ, а могут пригодиться для реализации всяких фенек и плюшек или для той же имитации выжима педалей, если это требуется для автозапуска или в схеме электронного обхода иммобилайзера или в схеме аналогового обхода.
В релейном модуле "пенал" целых два реле с ПОЛНОЙ группой контактов...
А самое главное - какие попало реле покупать нельзя. Катушки реле должны быть не менее 120 Ом. Если будет меньше (при комнатной температуре), то на морозе станет еще меньше ... А если на морозе сопротивление понизится до 70 Ом ( или того хуже- изначально будет НЕ БОЛЬШЕ этой величины), то транзисторы в главном блоке, включающие эти реле - имеют полное право СГОРЕТЬ.
При работе мотора в бортсети 14 вольт или около того, при сопротивлении катушки реле 70 Ом ток в его цепи будет 14/70=0,2А (или по другому 200мА). Это предельный паспортный ток для слаботочного (-)канала сигнализации...
Так что рекомендую подумать о покупке "пенала".
Вскрыл обшивку машины. Нашел все точки подключения.
В интернете есть 3 варианта подключения сцепления для машины группы ваг.

Поделитесь опытом какой вариант лучше?В интернете есть 3 варианта подключения сцепления для машины группы ваг.
А какой вариант у вас на авто?
Сигнализации до этого не было. Могу добавить что на автомобиле стоит бензиновый двигатель 1,5 TSI 150 л.с.
Сам склоняюсь к первому варианту по причине того, что родная проводка не разорвана а значит машина всегда заведется если сигнализацию отсоединить.
Еще есть желание вместо имитации сцепления сделать подключение под капот чтобы не было реле (если это правильно, в чем я сомневаюсь).
Так проверяйте подойдет или нет....
Авто ваше ,у вас все под рукой
Еще есть желание вместо имитации сцепления сделать подключение под капот чтобы не было реле (если это правильно, в чем я сомневаюсь).
Вы собрали солянкую сборную мясную из всего, где есть упоминание VAG. Это так не работает, тут нет 33 варианта выбирай любой на вкус. Тут под каждую конкретную машину комплектацию, способа запуска обхода иммо и т.д. своя схема, и под другое оно не подойдет. Попробуйте туарега или порше запустить такой имитацией педали или стартера, хотя тоже же VAG.
Могу добавить что на автомобиле стоит бензиновый двигатель 1,5 TSI 150 л.с
Соответственно второй ключ уйдет в обходчик. берете на Install-е карту монтажа от пассат 8.5 и подключаете все, как нарисовано именно там, за исключением момента с либо тормоза педаль либо сцепления, либо и то и то.
Вы сейчас когда просто в авто садитесь и нужно запустить, Вы жмете тормоз + кнопка или сцепление+тормоз+кнопка или сцепление+кнопка?
На Install-е карта монтажа от пассат 8.5 одна, только с АКПП.
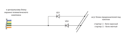
По этой схеме машина заводится педаль тормоза+кнопка. У меня машина заводится по схеме сцепление+кнопка. Машину подключаю используя руководство по установке. Volkswagen_Passat B8.5_2020-2021_ss-at_E96v2-1.pdf
В ней нужно заменить схему подключения тормоза на сцепление. По этой причине и спрашиваю совета какая из трех выше предложенных рабочая схема обхода сцепления?
По этой схеме машина заводится педаль тормоза+кнопка. У меня машина заводится по схеме сцепление+кнопка.
Все правильно, делаете вместо тормоза, имитацию сцепления.
По этой причине и спрашиваю совета какая из трех выше предложенных рабочая схема обхода сцепления?
Все 3 рабочие, сверьте со своими цветами проводов и проверьте логику работы нарисованной на схеме с действительностью в машине, какая подойдет, по той и собирайте. У Вас на всех 3х схемах как минимум разные цвета проводов в разъемах, фото Вашего разъема можно?
НЕ понятно ничего)))) кроме фиол\бел, который вроде 2й по счету. Схема тогда или 2я или 3я, Вам глазами виднее цвета в машине, чем мне на фото.
Наконец дошли руки подключить сигнализацию пока без автозапуска. Подскажите пожалуйста настройка датчиков сигнализации, громкость сигнализации и т.д. через компьютер по шнурка проводится с вынутыми всеми разъемами от основного блока сигнализации или достаточно вынуть предохранитель или просто с выключенным зажиганием или можно даже с заведенным мотором?
Если сигнализация уже подключена к машине, то ничего выдергивать из блока не надо. Просто соединить шнурком USB-mikroUSB сигнализацию и комп и запустить программу SL Мастер и можете менять настройки, писать программы ГЛ, обновлять ПО и т.п. Главное чтобы шнурок был с полным набором проводов в нем (не от зарядника) и хорошего качества.
Подскажите пожалуйста откуда берутся показания температуры салона с Can автомобиля или установлен температурный датчик в основном блоке сигнализации е96?
салона -датчик в блоке е96
Поигрался с настройками датчика удара. Если ударить по водительской двери все работает. Если ударить по любой пассажирской двери сигнализация не срабатывает. Увеличение чувствительности не помогло. Основной блок сигнализации закреплен стяжками к корпусу автомобиля через резину. Может в этом проблема?
Основной блок сигнализации закреплен стяжками к корпусу автомобиля через резину. Может в этом проблема?
если через мягкую ПОРИСТУЮ резину, то вполне может гасить вибрации и сотрясения блока (микросхема-акселерометр, являющаяся чувствительным элементов всех датчиков удара,наклона, перемещения - запаяна на плате главного блока).
Блок нельзя крепить сильно близко к металлу, а тем более - под металлом. Но в то же время он должен быть закреплен ЖЕСТКО. Практика показала, что наилучшие результаты работы датчиков достигаются при ГОРИЗОНТАЛЬНОМ размещении блока. Проставки, подкладки, отодвигающие блок от металла, должны быть достаточно жесткими, а самое крепление - надежным и крепким, чтобы хорошо передавать воздействия на кузов машины к корпусу блока...
Если блок закреплен где-то в районе водительского места, максимально смещенным в сторону водительской двери, а не в центре торпедо (за магнитолой, за приборной доской ближе к продольной осевой линии автомобиля), то удивляться, что максимальная "чуйка" именно на удары по двери водителя - не надо...
Спасибо за разъяснение. Основной бок находится у водительской двери, вдобавок еще и вертикально. Надо переносить в район магнитолы.
Основной бок находится у водительской двери, вдобавок еще и вертикально.
О как... Да наверно - еще и ниже уровня остекления и близко к металлу кузова...
Ну тогда еще и вот это почитайте
https://support.starline.ru/communities/67/topics/42494-e96-periodicheskie-lozhnyie-srabatyivaniya-shtatnyih-datchikov
про ложные сработки датчиков и про ТРЕБОВАНИЯ к размещению блока сигнализации, в котором есть АНТЕННЫ (GSM, BT, связь с брелком) ...
там есть еще ссылки. Особенно -в моих ответах.. Рекомендую почитать...
А ведь между прочим про это (ограничения при размещении блока) есть прямо на плакате, который лежит в коробке с сигнализацией... Но кто же читает такую ерунду, прежде чем сигналку в машину засовывать...
Куда капать?
И еще вопрос может ли смартфон работать как ключ а не как метка (открывать и заводить самостоятельно машину без присутствия ключа и брелка?
Куда капать? ... Программа StarLine Кюч работает как часики,
И еще вопрос может ли смартфон работать как ключ
НЕТ
Помогите разобраться с гибкой логикой.
Исходные данные: подключен обходчик ВР-06 по шине DataLink, в машине только мобильник, ключа и брелка нет.
Написал программу гибкой логики:
Событие: Включение габаритных огней
Условие: Дверь водителя закрыта
Действие: ЦЗ закрыть
Результат: все работает.
Меняю в программе только действие:
Событие: Включение габаритных огней
Условие: Дверь водителя закрыта
Действие: включить выход по шине DataLink
Выжимаю сцепление, нажимаю на кнопку старт-стоп, машина не заводится, не смотря на то, что в обходчике есть ключ.
Подскажите что не так???
А зачем? Типа аварийного пуска когда ключи основные потеряли?
Во второй программе правильнее будет действие: состояние охранного комплекса\запуск двигателя\активировать обход иммо , а там система сама решит что ей надо включить для обхода и по какой шине. Ну и событие выключения не забудьте придумать, а то включится навсегда, до перезагрузки блока.
Спасибо. Заработало с мобильника без ключа.
Логика следующая:
Событие: Команда с брелка, сервера или мобильного приложения
Условие: Дверь водителя закрыта
Действие: Состояние охранного комплекса\запуск двигателя\активировать обход иммо.
Теперь вопрос следующий.
Есть три независимые логики.
Где в программе StarLine мастере программируется автоматический запуск программы и как в приложении StarLine 2 запустить по желанию одну из трех программ гибкой логики на выбор?
Логика следующая:
Событие: Команда с брелка, сервера или мобильного приложения
Условие: Дверь водителя закрыта
Действие: Состояние охранного комплекса\запуск двигателя\активировать обход иммо.
не забудьте добавить в действие "прервать если," допустим "состояние охранного комплекса\режимы работы\постановка в охрану". Иначе обход включится навсегда.
Есть три независимые логики.
Где в программе StarLine мастере программируется автоматический запуск программы и как в приложении StarLine 2 запустить по желанию одну из трех программ гибкой логики на выбор?
Любая логика запускается от какого-либо события при истинных условиях написанных в программе. Никаких дополнительных настроек не требуется.
В приложении логика следующая:
Создаем N программ ГЛ с событием "событие из мобильного приложения или сервера номер N" с определенными названиями (лучше длинные не использовать, в экран мобильного не влезет). Сохраняем все это дело (комплекс должен быть подпитан и на связи с сервером). Через некоторое время программы будут добавлены на сервер (минут 10+- может подольше). Программы с указанными названиями появятся в приложении в списке доступных команды в меню "быстрого запуска команд", там где откр. багажн, запустить предпусковой и т.д.
Решил сделать блокировку двигателя импульсом на кнопку старт-стоп. Может кто подскажет к какому проводу машины подключить провод сигнализации?
К тому проводу кнопки, где потенциал меняется при нажатии на неё... Подключать надо канал с учетом полярности и логики работы мирика, встроенного в кнопку... Ну в смысле - чего она там коммутирует - массу или плюс при её нажатии... Во многих машинах на кнопке таких проводов может быть не один. Тогда диоды в помощь.
Для Вашей машины подсказка тут
Получается если черно-жетый провод подключен к кнопке старт стоп для реализации автозапуска подключать больше ничего не надо для блокировки двигателя импульсом на кнопку старт-стоп?
Достаточно написать только программу гибкой логики.
События : индикация сирена ( включение )
Условия: статус автомобиля (зажигание включено ) и дополнительные параметры (скорость автомобиля в диапазоне от 0 до 10)
Действия: назначить гибкий аналоговый выход Х2-14 черно-желтый запуск двигателя кнопка старт стоп (Включение).
Все уже придумали до Вас,не надо ничего громоздить. Если канал назначен как "кнопка старт\стоп" и подключен к кнопке, в разделе блокировки поставить галочку "блокировка кнопкой старт\стоп" и всё.
Подключил кнопку старт-стоп. Вы правы. Логику писать не надо. Работает и без нее.
Получается если черно-жетый провод подключен к кнопке старт стоп для реализации автозапуска подключать больше ничего не надо для блокировки двигателя импульсом на кнопку старт-стоп?
Именно так.
Достаточно написать только программу гибкой логики.
Ага. Только написать надо правильно.
События : индикация сирена ( включение )
Я бы выбрал другое событие (как и условие) с учетом того, что СОБЫТИЕ - это что-то МГНОВЕННО случившееся, что запустит программу, а УСЛОВИЯ, это то, что уже присутствует в машине ДЛИТЕЛЬНО и было УЖЕ к моменту события...
https://support.starline.ru/uploaded/file/13469/10/768/927bd292f9ebccd1a28324ef70affb90.pdf
Условия: статус автомобиля (зажигание включено ) и дополнительные параметры (скорость автомобиля в диапазоне от 0 до 10)
Читаем выше про события и условия!
Действия: назначить гибкий аналоговый выход Х2-14 черно-желтый запуск двигателя кнопка старт стоп (Включение).
Надо не ВКЛЮЧЕНИЕ, а ... ИМПУЛЬС...
"Включен" -это масса на канале появилась и ... НЕ ПРОПАЛА (кнопку НАЖАЛИ и .... НЕ ОТПУСТИЛИ)...
После сработки Вашей программы машина перестанет реагировать даже на Ваши тычки в кнопку. В ней всё "зависнет" намертво. Кнопка ведь уже НАЖАТА. И теперь хоть за нажимайся пальцем - ничего не изменится - она уже УТОПЛЕНА в нажатом положении и "не отпускается" в ОТЖАТОЕ... А значит на новые нажатия реакции не будет...
Есть вопросы по работе родного ключа.
1.Почему когда родным ключом снимаешься с сигнализации и стоишь около машины ничего не делая через 45 с автоматически происходит постановка машины на сигнализацию? Если снимаешься с мобильника такого явления не наблюдается.
2. Почему когда открываешь дверь машины после снятия с сигнализации ключом машина начинает через некоторое время орать? Если снимаешься с мобильника такого явления не наблюдается.
3. Почему после того как сработает сигнализация ее можно отключить ключом, при этом не возможно пройти авторизацию и снятие запрета поездки кнопками машины? При включении зажигания для того чтобы заработали кнопки происходит включение сигнализации и выключается автоматически зажигание. Если снимаешься с мобильника такого явления не наблюдается зажигание можно включить и кнопки на руле работают.
4. Почему если родным ключом снимаешься с сигнализации, нужно сразу открываешь дверь машины, нужно сразу включаешь зажигания, нужно сразу проходишь авторизацию и снятие запрета поездки кнопками машины, а если это делаешь мобильником то время между операциями не ограничено?
текущий файл настроек в формате slc скиньте сюда.
Думаю на половину вопросов можно ответить так:
Логика работы
1) снятие по слейв (родным ключем) = переход в режим авторизации владельца (как первичной так и вторичной, по кнопкам и т.д.) после прохождения всех пунктов итог "снятие с охраны".
2) снятие с охраны в мобильном приложение = сразу последний пункт "снятие с охраны", если дополнительно не включено "требовать авторизацию владельца при снятие с приложения\онлайн и т.д."
Есть вопросы по работе родного ключа.
А Вы понимаете, что ЗАОЧНЫЕ гадания - это тыканье пальцем в небо... ВЖИВУЮ на такие вопросы отвечать куда продуктивнее, имея возможность своими глазами смотреть и руками щщупать происходящее. А заодно и настройки посмотреть...
1.Почему когда родным ключом снимаешься с сигнализации и стоишь около машины ничего не делая через 45 с автоматически происходит постановка машины на сигнализацию? Если снимаешься с мобильника такого явления не наблюдается.
Что-то не корректно настроено в режиме SLAVE или в авторизации наличия владельца возле машины.
Не исключено так же , что во втором случае еще и имитация двери происходит. а в первом случае этого нет.
ПО ИДЕЕ в логике сигнализации заложено, что если она снята с охраны, но ни одна из дверей не открылась в течение 30 сек (стандартная настройка, которая может быть изменена)
Кроме того - в первом случае запирание может делать не StarLine, а всё таже штатка, если у неё тоже предусмотрен алгоритм перезапирания машины после случайного нажатия кнопки отпирания на ключе...
2. Почему когда открываешь дверь машины после снятия с сигнализации ключом машина начинает через некоторое время орать? Если снимаешься с мобильника такого явления не наблюдается.
Вот тут точно не настроена АВТОРИЗАЦИЯ владельца при SLAVE - сигнализации никто не объясняет. ч ото это не преступники взломали ШРК и лезут в машину, а это владелец.
Варианты авторизации в шестом поколении: метка BT, штатные кнопки в машине, брелок. Последний вариант - самый капризный.
При снятии с охраны брелком, меткой сигнализации (если она есть), мобильником из приложения тревоги нет.\ потому что это ПРЯМЫЕ команды снятия с охраны именно StarLine...
3. Почему после того как сработает сигнализация ее можно отключить ключом, при этом не возможно пройти авторизацию и снятие запрета поездки кнопками машины?
Для справки - в режиме АНТИОГРАБЛЕНИЯ (при котором тоже происходит тревога) сигнализацию вообще ничем нельзя снять с охраны... Только набором четырехзначного кола, написанного в ПИН-конверте...
Так что тут ответ до безобразия прост - как настроили - так и работает... Что именно не так настроили - понятия не имею. Но есть смутное подозрение, что рыть надо там - же вокруг правильной авторизации владельца...
При включении зажигания для того чтобы заработали кнопки происходит включение сигнализации и выключается автоматически зажигание. Если снимаешься с мобильника такого явления не наблюдается зажигание можно включить и кнопки на руле работают.
Ответ тот же - снятие с охраны мобильником владельца, как и кнопками на брелке сигнализации -прямая команда владельца - авторизация не требуется.
Что касается работы кнопок в автомобиле для авторизации - ДА, они начинают работать после включения зажигания - нюансы работы шины CAN... Пора задуматься о покупке МЕТКИ (если её нет в комплекте), прописать её и использовать авторизацию по метке, нося её всегда с собой.
Минимальный набор: ключ от машины+ метка. Остальное (брелок, телефон) - можно не носить.
4. Почему если родным ключом снимаешься с сигнализации, нужно сразу открываешь дверь машины, нужно сразу включаешь зажигания, нужно сразу проходишь авторизацию и снятие запрета поездки кнопками машины, а если это делаешь мобильником то время между операциями не ограничено?
Ответы те же - как настроено - так и работает... В чем разница между кнопками на ключе от машины (SLAVE) и телефоном (как и брелоком или меткой BT) - написано выше.
E96V2 1.slc
Исходные данные:
- модуля GSM в сигнализации нет
- меток нет, брелок есть
- мобильник и брелок как метка не должен работать ( вернее не хочу)
- кнопки на руле для снятия с охраны и запрета поездки должны работать.
Как исправить ситуацию со штатным ключом, чтобы он работал как мобильник без с работки сигнализации?
Как исправить ситуацию со штатным ключом, чтобы он работал как мобильник без с работки сигнализации?
Никак, либо убирайте первичную авторизацию и оставляйте только запрет поездки.
- мобильник и брелок как метка не должен работать ( вернее не хочу)
И не будет работать так же как метка (по крайней мере полноценно как BT метка)
Почему когда открываешь дверь машины после снятия с сигнализации ключом машина начинает через некоторое время орать? Если снимаешься с мобильника такого явления не наблюдается.
Истекло время ожидания первичной авторизации (настраивается в соответствующем разделе)
Ваша вся загвоздка тут:
- меток нет, брелок есть
Хотите полноценную авторизацию владельца, метка нужна. Брелок и телефон возможен как метка, но не рекомендуется, будет работать не так, как хочется. Изначально все таки подразумевается что брелок это будет пульт управления, а метка как раз таки для авторизации.
И еще вопрос: почему в моем мобильном приложении не отображается строка диагностика как на фото?
Линии CAN A и CAN B к сигнализации подключены.
доступно при включенном зажигании, если быть точным то вот так:
ошибки только через сервер умеют ходить. и GPS надо.
Отключил программно CAN B. Показание температуры, обороты двигателя и остаток топлива читаются по CAN A. Получается CAN B мне нет смысла подключать?
Проблемы с работай ключа решил:
1.Проблема была с имитацией открытия двери. Написал программу ГЛ и дверь перестала автоматически закрываться.
2,3 и 4. Проблема была в первичной авторизации. Оставил только запрет поездки и написал программу ГЛ чтобы сирена срабатывала при блокировке двигателя.
Теперь сигнализация работает как мне хочется. Осталось только подключить педаль сцепления для автозапуска.