0
Форд куга2 s66
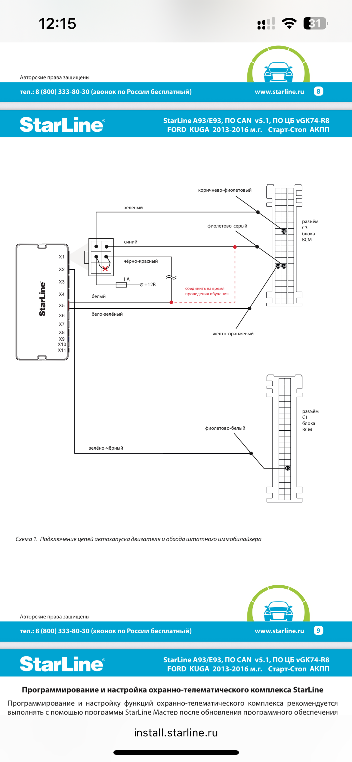
Возможно ли реализовать автозапуск без силового модуля ? Или нужно подключать согласно этой карты монтажа

Customer support service by UserEcho
| Главная страница |
| Для общения установщиков | 2,451 |
| Что выбрать? | 1,550 |
| Самостоятельная установка | 14,193 |
| Общение на любые темы | 2,288 |
| Отзывы и пожелания | 1,030 |
| Отзывы о прошивках CAN | 3,480 |
| Обсуждение карт монтажа | 26 |
| StarLine A97, B97 | 179 |
| StarLine B97 v2, S97, E97 | 226 |
| StarLine X96 v2 | 17 |
| StarLine AS96 v2 | 218 |
| StarLine A66/96, AS96, B66/96, D66/96 | 4,464 |
| StarLine А60/90, AS90 | 151 |
| StarLine X96 | 304 |
| StarLine E66/96, E9, E96 v2 | 1,836 |
| StarLine S66/96, S9, S96 v2 | 5,687 |
| StarLine M96 | 57 |
| StarLine M66 | 71 |
| StarLine E95, E65 | 538 |
| StarLine D95, D65 | 30 |
| StarLine B95, B65 | 146 |
| StarLine A94, A64 | 2,203 |
| StarLine B94, B64 | 1,060 |
| StarLine D94, D64 | 489 |
| StarLine E90, E60 | 1,746 |
| StarLine A93, A63, A39, A36 | 9,902 |
| StarLine E93, E63, E91.1 | 209 |
| StarLine A92, A62 | 367 |
| StarLine B92, B62 | 141 |
| StarLine A91, A61 | 2,426 |
| Другие модели StarLine | 918 |
| StarLine Moto | 162 |
| StarLine 24B | 29 |
| Мониторинг СтарЛайн | 5,578 |
| Маяки StarLine | 2,055 |
| StarLine M32, M31, M30, M22, M20, M21 | 1,404 |
| StarLine Автопарк | 1 |
| Лаборатория Кондрашова (StarLine K96) | 22 |
| StarLine Expert | 45 |
| Иммобилайзеры StarLine | 362 |
| CAN и LIN интерфейсы | 1,497 |
| Сирены и датчики | 13 |
| StarLine Мастер | 111 |
| Сервисные центры | 51 |
Возможно ли реализовать автозапуск без силового модуля ? Или нужно подключать согласно этой карты монтажа

Customer support service by UserEcho
Возможно ли реализовать автозапуск без силового модуля ?
Можно. Но понадобятся ЧЕТЫРЕ реле. Причем не абы какие, а с катушками не менее 120 Ом. Если сопротивление катушек при комнатной температуре будет меньше 120 Ои, то на морозе оно станет еще меньше. И чем сильнее мороз, том меньше омы катушек будут по законам физики. А если сопротивление катушек станет меньше 70 Ом, то при работе мотора (когда он заведется при помощи этих реле под управлением КАНАЛОВ сигнализации) и напряжении в бортсети станет НЕ МЕНЬШЕ 14 вольт (при работе генератора) -ТОКИ каналов сигнализации , к которым будут подключены катушки реле станут БОЛЬШЕ, чем 14/70=0,2А или другими словами больше 200мА, то есть превысят допустимые токи для каналов - каналы СГОРЯТ. Либо сразу, если ток будет сильно больше, либо медленно и печально, но 10 минут автозапуска для их сгорания будет достаточно...
Или нужно подключать согласно этой карты монтажа
Лучше даже не по этой, НО НА ЕЁ ОСНОВЕ.
В современном релейном модуле систем шестого поколения типа "пенал" есть ДВА реле (синее и зеленое) с полной группой контактов и их можно применить вместо реле, изображенных на схеме для имитации педали и подачи сигнала электронного обхода иммо в цепи RX-TX.
А вместо СИНЕГО провода релейного модуля , изображенного на схеме и подключенного всё к той же педали - применить или желтый или оранжевый провод, не забыв соответствующим образом изменить настройки этих НЕ ПО ТИПОВОМУ использованных каналов...
Установка современной сигнализации с ПЕРЕНАЗНАЧАЕМЫМИ каналами - это очень ТВОРЧЕСКИЙ процесс, основанный на понимании - что и как работает и в машине и в сигнализации..
PS
Сопротивление катушек реле в релейном модуле не менее 370 Ом...
куга какого года?
2016
получается А93 могла без силового модуля а более современная сигнализация не может ?
получается А93 могла без силового модуля а более современная сигнализация не может ?
В А93 (системе третьего поколения ) прямо в блоке есть ТРИ реле.
https://starline.userecho.com/uploaded/file/13469/2/35988/29bf28cf8fdafb1af92e9f16d5111543.pdf страница 33
Именно они применены в приведенной Вами схеме
В современной системе ШЕСТОГО поколения реле в блоке нет.
Но они есть в еще более современных системах седьмого поколения. А кроме того - в системах седьмого поколения есть слаботочные ПЛЮС-каналы.
но ведь выше написали что все же есть в S66 два реле
Если вы про это, то тут речь также об отдельном релейном модуле а не блоке сигнализации
но ведь выше написали что все же есть в S66 два реле
Вот в этой коробочке (главном блоке S66v2)
никаких реле нет
в ней есть только
Текст
означает, что речь идет о РЕЛЕЙНОМ модуле. Он же СИЛОВОЙ модуль...
То есть речь о модуле, внутри которого стоят РЕЛЕ для СИЛОВЫХ цепей.
Речь вот от такой коробочке
Внутри него вот это
(на фото пять светло-бежевых брусочков - это и есть реле)