0
Peugeot 3008 2022 не соответствуют цвета при установке
Добрый день.
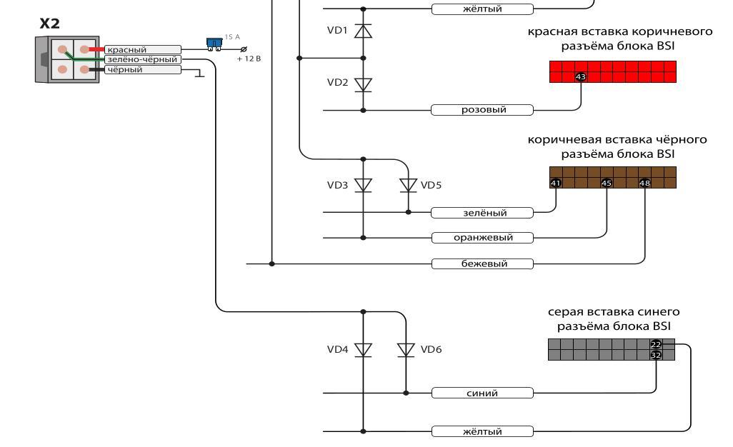
Подключаю цепи автозапуска сигнализации Starline A93 v2 2CAN 2LIN в автомобиле Peugeot 3008 2 (рейсталинг) 2022 г.в. 1.2 бензин согласно схемы ниже. Не сходится цвет провода №48 (бежевый) в коричневой вставке черного разъема BSI. По факту там зеленый. Все остальные цвета сошлись.

Так в инструкции:

По факту так:

Так по факту выглядят провода 41, 45, 48:

Customer support service by UserEcho
иии? Всё же работает?
Вы инструкцию смотрите как минимум с ПО Т5, с того времени много воды утекло, да и производитель авто вправе изменять конструктивы, ПО, цвета проводов их расположение, да хоть что, не уведомляя об этом конечного потребителя.
Так что нужно просто понимать на будущее, что схема носит рекомендательный характер и фото сделано с конкретной машины, в следующей партии этого авто все может быть по другому.
Похоже, что еще пока нет, не работает. Пока еще всё в процессе монтажа...
Автору темы: внимание вопрос - а с приборами в руках проверить происходящее на этом проводе машины при ручном пуске и выяснить - это та же самая цепь, только провод другого цвета, или это не та же самая цепь, что была когда-то в таких машинах бежевого цвета - не вариант?
А все остальные цепи перепроверить С ПРИБОРАМИ В РУКАХ - это ТОЧНО те самые цепи, к которым надо подключать сигнализацию? Ну там зажигания всякие там, стартера там всякие... Не?
Вообще-то если приматывать провода ПО ЦВЕТАМ - можно дел натворить, надолго превращающих машину в недвижимость... Так что ВСЕГДА надо перепроверять цепи с приборами в руках, к которым собрались подключаться на предмет - это они или не они... Нередко в "мурзилках" с картинками встречаются ОШИБКИ. Не со зла, а просто по недогляду того, кто "мурзилку" рисовал... Ну а уж
это сплошь и рядом. Особенно - когда речь про французский автопром...
Установлена прошивка U7. Откатиться на T5 нет возможности, так как использую USB-TTL CP2102. С ним не получается перевести сигнализацию в режим обновления. Могу только настраивать параметры и прошивать CAN под разные авто.
иии? Всё же работает?
Работает только открытие-закрытие дверей. Не видит открытые двери\багажник и т.д.
Решил посмотреть другие машины.
Peugeot 5008, 2020 - 2026 (II), кнопка Start-Stop:
Эти и остальные цвета точек подключения совпадают с моими.
Так же совпали цвета CAN-B.
В инструкции для пежо 3008, в точках подключения CAN-B указано:
По факту у меня и в точках подключениях пежо 5008 :
Глянул функции CAN в инструкциях для 3008 и 5008:
Так как у меня не видит состояние дверей\багажника - предположил, что они на другом CAN (как у пежо 5008), ну и цвета проводов совпали.
Прошил CAN прошивкой от пежо 5008. Статус дверей\багажника заработал (отображается на брелке).
По поводу автозапуска:
Ключ обучил как в инструкции (14 раз кнопку + зажигание + два гудка + старлайнмастер).
При попытке запуска на прибоной панеле надпись "Ключ не обнаружен".
Оставил ключ в машине. Пытаюсь запустить. Включается зажигание. Стартер не крутит. Что-то происходит секунд 30 (щелкает, срабатывает насос). По итогу на брелке светится "ОСТ".
Сел в машину, положил родной ключ, нажал педаль тормоза, пытаюсь запустить с брелка - машина заводится. Пытаюсь заглушить с брелка - не глушится.
Как диагностировать работу iKey?
Как понять, нужна ли эмуляция нажатия педали томоза?
Так как у меня не видит состояние дверей\багажника - предположил, что они на другом CAN (как у пежо 5008), ну и цвета проводов совпали.
Так тоже бывает. Автопроизводитель втыкает в машину проводку и блоки от родственной модели, чтобы не останавливать конвейер, если "родное" закончилось на складе. Или рано или проздно для упрощения логистики и/или сокращения номенклатуры складских запасов он во все машины втыкает один и тот же комплект электрики. Снаружи машины разные, а "кишки" - одни и те же...
По поводу автозапуска:
Ключ обучил как в инструкции (14 раз кнопку + зажигание + два гудка + старлайнмастер).
Значит обучилось.
Но электронный обход в Вашей КНОПОЧНОЙ машине работает только при ПОДКЛЮЧЕНИЯХ сигнализации - как на картинках, скрины которых Вы привели - к цепям ЗАЖИГАНИЙ и к цепи СТАРТЕРА (подключкения к кнопке ПУСК нужны для "пробуждения" электроники машины).
Внимание - вопрос - как думаете - что надо выставить в НАСТРОЙКАХ СИГНАЛИЗАЦИИ в разделе настроек "запуск двигателя" в качестве СИСТЕМЫ ЗАПУСКА двигателя? Ну если её настройки - это не про то - как устроена машина, а про то - по каким цепям и по КАКОМУ АЛГОРИТМУ машину будет заводить сигнализация? Вы что сейчас выставили в этой нестройке?
При попытке запуска на прибоной панеле надпись "Ключ не обнаружен".
Ну если в салоне машины в это время нет ключа от неё, то она честно предупреждает - КЛЮЧА В СЕБЕ НЕ ВИЖУ... И при запске сигнализацией так и должно быть. Сигализация должна использовать ЭЛЕКТРОННЫЙ ОБХОД. Ключ в салоне машины ей не нужен.
Оставил ключ в машине. Пытаюсь запустить. Включается зажигание. Стартер не крутит. Что-то происходит секунд 30 (щелкает, срабатывает насос). По итогу на брелке светится "ОСТ".
Ключ в салоне оставлять не надо. Надо задать правильный вариант системы запуска двигателя в настройках автозапуска.
Такой, который сначала подаст напряжения в цепи ЗАЖИГАНИЙ, а потом подаст напряжение в цепь СТАРТЕР.
На что это похоже по логике работы?
Сел в машину, положил родной ключ, нажал педаль тормоза, пытаюсь запустить с брелка - машина заводится. Пытаюсь заглушить с брелка - не глушится.
Ой-ё-ё-ё-ёй. ЧТО ВЫ ВЫТВОРЯЕТЕ!!!!
"смешались в кучу кони, люди и залпы тысячи орудий слились в единый вой"...
КЛЮЧ в машине, педаль нажата ногой, но "пальцем" на кнопку у Вас НАЖАЛА сигнализация... Своим каналом №9...
Как диагностировать работу iKey?
Два квака было? Значит чему-то обучилось.
Как понять, нужна ли эмуляция нажатия педали томоза?
НЕ-НУЖ-НА!
В таблице SF настроек сигнализации задайте SF-1-2 "ЗА-МОК зажигания" и проверьте запуск, стоя снаружи машины и держа все ключи от неё в кулаке.
Если подключили всё без ошибок и каналы №№№ 7, 8 и 9 настроили без ошибок (сменили их заводские настройки на те, что указаны в "мурзилке"), то должна завестись...
Установлена прошивка U7. Откатиться на T5 нет возможности
В этом нет необходимости, я писал про то, что когда делалась карта было Т5, потом Т6.....Т9, U1, U2 и т.д. При смене прошивок часто добавлялись\менялись функции которые можно назначить на каналы. И данная карта может быть не актуальна для текущего ПО.
Сел в машину, положил родной ключ, нажал педаль тормоза, пытаюсь запустить с брелка - машина заводится. Пытаюсь заглушить с брелка - не глушится.
Очень смело и отважно....можно пойти лотерейку купить, раз повезло не "уложить" BSI
По поводу автозапуска:
Вы все подключили согласно схеме подключения? Все 4е зажигания + стартер + разрыв стартера + кнопку старт\стоп (с правильной полярностью, направлением диодов и т.д.) и назначили все соответственно рекомендациям?
https://can.starline.ru/data/scheme/b888c4e04d7f8b417cdcd6d24d9aabe5f53ead94.pdf
Файл настроек приложите
Выше расписал, но статус "ожидает проверки" уже 15 часов висит. Кратко: подключил всё по схеме, настройки 3-х каналов по мануалу, зажигание с клчём и остальное по мануалу. Не подключал только белый провод (37 пин) в разрыв на стартер. О нем небыло речи в инструкции install.starline.ru. Так понимаю, что этим проводом сигнализация крутит стартер. Нужен ли диод в реле на стартер?
Подключаю разрыв стартера (белый №37 в блоке предохранителей под капотом) согласно схеме:
Правильно понимаю, что силовой блок автозапуска не использую, а черный с желтой полосой беру с разъема X7 сигнализации который должен идти на силовой блок автозапуска. Так:
Стартер подключил. Машина заводится с брелка, иногда не с первой попытки. Глушится с брелка. Когда двигатель завелся включаются габариты (перед, зад). После остановки двигателя (с брелка или снятии с охраны) габариты не выключаются. Получается выключить только включив\выключив зажигание штатной кнопкой. После запуска с брелка и остановки, брелок перестает видеть статус дверей. После включения\выключения зажигания статус начинает отображаться на брелке.
Может это важно.
Кнопку старт\стоп подключал не так:
А так:
В функциях CAN-A имеется управление "Альт. управление ЦЗ" и "Альт. управление светом". Также в инструкции имеется подключение к проводам:
У меня это всё подключено. Может это вызывает какие-то проблемы.
При дистанционном запуске, когда двигатель работает, горит в полнакала кнопка аварийки и "P" на ручнике белым (обычно красная). Глушу двигатель, открываю двери, машина пищит 5 раз.
Правильно понимаю, что силовой блок автозапуска не использую, а черный с желтой полосой беру с разъема X7 сигнализации который должен идти на силовой блок автозапуска. Так:
Почему не используете? У Вас с СМЗ идет провод (+) на зажигание (4шт через диоды) и провод на стратер (+).
Далее тонкий провод чер\жел из блока сигнализации либо (лучше, по моему мнению) используете другой любой канал назначенный как стартер (можно синий или зеленый который пошел в СМЗ) ведете к блоку BFRM и там собираете цепь стартера по схеме.
В функциях CAN-A имеется управление "Альт. управление ЦЗ" и "Альт. управление светом". Также в инструкции имеется подключение к проводам:
Все правильно, управление по кан цз и аварийкой не доступно. Вы подключили провода альтернативного управления, там (исходя из этих статусов, которые есть в кане) сигнализация сама формирует нужное колличество и длину импульсов на проводах, назначенных для альтернативного управления.
Может это важно.
Кнопку старт\стоп подключал не так:
Не важно, оба варианта истинны, главное доп.канал зел\черн верно назначить и настроить.
Не подключал только белый провод (37 пин) в разрыв на стартер. О нем небыло речи в инструкции install.starline.ru. Так понимаю, что этим проводом сигнализация крутит стартер. Нужен ли диод в реле на стартер?
Писал ранее, "мурзилки" с Install написаны давно и править их под свежее ПО не будет уже никто, бессмысленная трата времени. Установщики туда не смотрят, максимум "как разобрать салон", вся актуальная информация на can.starline.ru. Соответственно нужно ОБЯЗАТЕЛЬНО и ВСЁ подключить и настроить согласно схеме на can.starline.ru
Если интересно и в 2х словах, при начале АЗ, сигнализация "пинает" в кнопку чтобы машина "проснулась", далее включается канал зажигания и подпитываются все цепи необходимые для запуска, по кану передается сигнал о том, что ключ опознан и можно стартовать. Далее в BSI подается сигнал стартер, при этом в блоке BFRM так же имитируется работа реле стартера, которое встроено в него. Т.е. все блоки должны видеть, что машина стартует. Иначе будут ошибки.
Аналогия автомобили ниссан, только у них связка BCM + IPDM, и суть точно такая же, блоки между собой общаются по кан. И им обоим нужно видеть что работает стартер.
Коллега - у автора темы эти провода не идут с Силового Модуля Запуска (СМЗ). Он производил установку по "мурзилке" и для этих подключений использовал каналы 7, 8 и 9 главного блока сигнализации...
Поэтому для управления стартером по белому проводу из одного из разъемов BFRM автор темы вполне может использовать черно-желтый провод из разъема Х7 сигнализации, отрезав его от ЧЕТЫРЕХ-контактной фишки, предназначенной для втыкания в СМЗ ( а не возле шести-контактной фишки, где он положил на своем фото чик-чик-ножичИк)...
Правильно понимаю, что силовой блок автозапуска не использую, а черный с желтой полосой беру с разъема X7 сигнализации который должен идти на силовой блок автозапуска.
ДА. Потому что Вам надо делать ПЕРЕКЛЮЧЕНИЕ управляющего провода стартером, а не просто подачу на него плюса...
Не подключал только белый провод (37 пин) в разрыв на стартер. О нем небыло речи в инструкции install.starline.ru. Так понимаю, что этим проводом сигнализация крутит стартер.
ДА
Нужен ли диод в реле на стартер?
НЕТ. На схеме он зачеркнут, значит надо удалить его, если он есть в колодке реле, лежавшего в коробке (а он там есть)...
В остальном - солидарен с коллегой.
Что касается
Стартер подключил. Машина заводится с брелка, иногда не с первой попытки.
то такое иногда бывает. Возможно машина не успевает проснуться от тычка в кнопку СТАРТ. Если бы Взяли систему шестого поколения - там можно было-бы поиграться с таймингами выдачи сигналов. У простецкой А93v2 таких возможностей нет.
При повторном пуске машина уже проснувшаяся и он происходит...
Глушится с брелка.
Уже хорошо.
Когда двигатель завелся включаются габариты (перед, зад).
У многих машин не только габариты включаются, а вообще фары, особенно - в ночное время.
После остановки двигателя (с брелка или снятии с охраны) габариты не выключаются.
Надо попробовать СНЯТЬ С ОХРАНЫ и ... распахнуть дверь - если от распахивания двери погаснут, то Вас ждет увлекательный квест - аналогоавая имитация сработки концевика двери. Ждля этого надо будет найти в проводке провод этого самого концевика. Не удивлюсь, если в Вашей машине он присутствует только в двери водителя и надо лезть туда... И еще - вполне возможно, что имитация двери вызовет "побочку" - отпирание ЦЗ машины...
Получается выключить только включив\выключив зажигание штатной кнопкой.
Точно? Распахивание двери не гасит габариты? Или Вы при автозапуске сидите внутри машины?
После запуска с брелка и остановки, брелок перестает видеть статус дверей. После включения\выключения зажигания статус начинает отображаться на брелке.
Оп-паньки. А похоже что какая-то гибкая логика написана была. И в этой логике кто-то поставил OFF напротив контроля дверей на время работы программы...
Гибкую логику писали?
А прежде чем писать - вот это читали
https://support.starline.ru/uploaded/file/13469/2/35988/c348afe10ff1d43724f1b3f63cd37149.pdf в самом конце - там где про гибкую логику
Или все настройки были взяты готовые откуда-то?
Тогда файл настроек выкладывайте тот, что сейчас в блоке сигнализации. Нужен файл в формате SLC.
При дистанционном запуске, когда двигатель работает, горит в полнакала кнопка аварийки и "P" на ручнике белым (обычно красная).
А если в заведенной ВРУЧНУЮ машине включить габариты - эти конпки случаем не так же подсвечиваются?
Глушу двигатель, открываю двери, машина пищит 5 раз.
А если в машине, заведенной вручную, оставить включенные габариты, заглушить мотор, а потом распахнуть дверь - так же пищит?
А если на заглушенной машине, сидя в ней ВКЛЮЧИТЬ габариты и потом распахнуть дверь - что машина делает? Пищит? Так же?
"Француженки" - они такие. Просто так не сдаются...
A93V2_block.slc
2CAN+2LINV10_can.slc
Гибкую логику прописал только на канал №9 (как в "мурзилке"). Немного смущает, что в настройке канала нарисован плюс на выход, а если настраивать гибкое программирование, на графике заданный импульс отображается как 0 (или минус).
По поводу габаритов.
Тухнут только при выключении зажигания.
Сижу в машине. Зажигание выключено. Двигатель не заведен. Включаю габариты.
Выход из машины. Закрытие штатным\сигнализацией. Только включение зажигания с последующем выключением помогает. Да, машина пищит если габариты горят и дверь открыть.
Либо оставлят фары в режиме "авто".
В этом случае не включаются фары при удаленном запуске. Хотя странно, если штатно завестись (в гараже темно) - включаются.
Ещё момент.
Завожу\глушу дистанционно. Сажусь в машину. включаю зажигание. Читаю ошибки - куча. Все нет связи с блоком. Блоки разные и много.
Если ошибки сбрость. Не трогать удаленный запуск. Заводить, глушить, кататься. Ошибок нет.
Может мне стоит рассмотреть вариант подключения и настройки как для кнопки старт\стоп (провод на кнопку, на тормоз, на тахосигнал)? В этом случае наверно не будет работать обход иммобилайзера по CAN и придется ставить обходчик?
Гибкую логику прописал только на канал №9 (как в "мурзилке"). Немного смущает, что в настройке канала нарисован плюс на выход, а если настраивать гибкое программирование, на графике заданный импульс отображается как 0 (или минус).
На графике в старлайнмастере по другому показать не сможет. Реально канал 9 выдать массу не может. Он выдает ПЛЮС.
По поводу габаритов.
Тухнут только при выключении зажигания.
Понятно. Значит в этой француженке или в НОЛЬ (OFF) ставить ручку самому или AUTO-режим использовать.
Сижу в машине. Зажигание выключено. Двигатель не заведен. Включаю габариты.
Выход из машины. Закрытие штатным\сигнализацией. Только включение зажигания с последующем выключением помогает. Да, машина пищит если габариты горят и дверь открыть.
Значит без вариантов - или сами вручную переводите ручку в OFF или используйте режим AUTO. Но тогда на светлое время суток надо городить ДХО, которых наверное в машине штатно нету... Иначе днем нарветесь на штраф за негорящие фары...
Либо оставлят фары в режиме "авто".
В этом случае не включаются фары при удаленном запуске. Хотя странно, если штатно завестись (в гараже темно) - включаются.
Подумайте про ДХО.
Ещё момент.
Завожу\глушу дистанционно. Сажусь в машину. включаю зажигание. Читаю ошибки - куча. Все нет связи с блоком. Блоки разные и много.
А если после автозапуска завести вручную - желтых и красных лампочек на приборке нет? Если нет, то с ошибками придется смириться - ну не нравится француженке, что во время дистанционного пуска,автозапуска её заводят "против шерсти" - и ключ ей не показывают, и кнопку СТАРТ жмут не во время. И тормоз не нажимают, чтобы завести... НО ЭТО НЕ СМЕРТЕЛЬНО ДЛЯ НЕЁ. Переживет.
Если ошибки сбрость. Не трогать удаленный запуск. Заводить, глушить, кататься. Ошибок нет.
Ну это естетсвенно - если всё происходит в машине штатно, то какие ошибки... Никаких.
Может мне стоит рассмотреть вариант подключения и настройки как для кнопки старт\стоп (провод на кнопку, на тормоз, на тахосигнал)?
Каждый выбирает свой путь сам.
В этом случае наверно не будет работать обход иммобилайзера по CAN
Не будет.
и придется ставить обходчик?
Придется.
Если делать через кнопку и тормоз, видит сигнализация запущенный двигатель по CAN (чтоб прерват попытки запуска)?
Заявленные через CAN функции не зависят от способа автозапуска. НО это - в теории. Практика (особенно когда речь идет о машинах евро-прома, а тем более - о французо-проме), тем более - когда речь про машину старше пяти, а тем более - если старше десяти лет - иногда расходится с теорией. И не по вине сигнализации. Чем старше машина, тем больше в её CAN-шине всякого "мусора" (лишних информационных и управляющих пакетов), тем сложнее сигнализации дружить с машиной через CAN...