0
Не работает климат при ДЗ Subaru xv 2012 start/stop
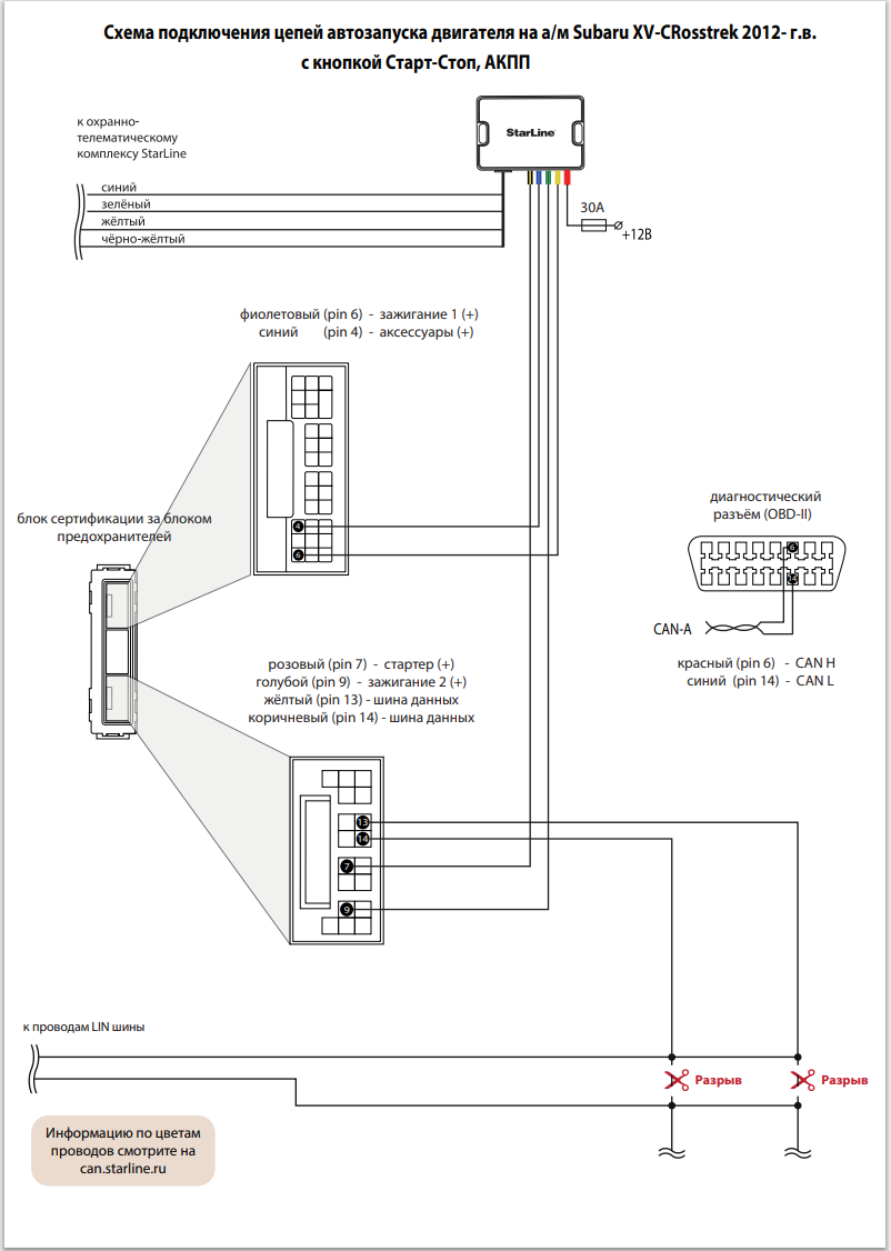
Подлючил всё по приложеной схеме, только вместо синего я подключил оранжевый на acc, так как модуль запуска другой, но при автозапуске не работает климат и вообще acc не включается. Фото модуля запуска приложил. Настройки
каналов в старлайн мастере выставил правильно. Что может быть?



Сервис поддержки клиентов работает на платформе UserEcho
Дополнение: При обычном запуске автомобиля, всё работает в штатном режиме
проклятие белых проводов ... зелено-белый силового блока куда подключен ?
Никуда не подключал. Подскажите куда подключить, буду благодарен
Спасибо, завтра попробую
Подключил, экран климата ожил, но начал попеременно включаться и выключаться, моторчик печки не работает, магнитола тоже, если она вообще должна запуститься
Проблему решил, нужно было в старлайн мастере поменять Сарт/стоп на ключ зажигание, климат ожил, магнитола тоже включается. Единственный нюанс осталось мерцание экрана первые 10 секунд и на борт компьютере ошибка MFD needs to be checked. Буду дальше копать
Буду дальше копать
Обход иммобилайзера на всё время запуска попробуйте выставить , а не на 30 сек.
Попробовал сегодня. Экран по прежнему мерцает, но ошибка MFD теперь выскакивает не сразу, а через какое-то время
Настройки каналов проверяйте - чего наподключали к машине и напрограммировали и соответствует ли это написанному на схеме подключений, приведенной выше или нет.
Настройки каналов были верными. В итоге поставил альфа прошивку кана и всё заработало как надо
Всем большое спасибо за помощь!