0

Не работает точное определение местоположения машины. Не проворачивается барашек замка зажигания после автозапуска пока не заглушишь двигатель.

a5n4d3r2e1y 7 months ago updated by HaYaBuSa 3 months ago 16

Здравствуйте , снимал АКБ с машины , поменял расположение блока сигнализации , обновлял прошивку, перестало работать определение местоположения по gps, один раз точно определило . Подскажите пожалуйста что я могу сделать дистанционно для проверки или лезти разбирать и проверять антенну с разъёмом?

И второй  вопрос . У меня  автомобиль  Митсубиси Делика Д5 2008г.в. , с бесключевым  доступом .  После  автозапуска , по приходу  в машину не проворачивается барашек замка  зажигания пока не  заглушишь  двигатель  педалью  газа . Читал  что   блокиратор  замка зажигания  управляется  по CAN  блоком  бесключевого  доступа.   Возможно  ли  как то реализовать, чтоб    система бесключевого  доступа   разблокировала  замок  зажигания , что бы  я  мог  провернуть его после  запуска и поехать не глуша двигатель?   Я так  понимаю  аналогово  можно  сделать   подключения  для  разблокировки  только  разбирая    полностью  замок  зажигания  снимая его  вместе с рулевой  колонкой и припаиваясь  конкретно к блокиратору .  Есть ли какие то  другие способы ? 

Здравствуйте , снимал АКБ с машины , поменял расположение блока сигнализации , обновлял прошивку, перестало работать определение местоположения по gps, один раз точно определило . Подскажите пожалуйста что я могу сделать дистанционно для проверки или лезти разбирать и проверять антенну с разъёмом?

Лезьте и проверяйте всё...

И второй вопрос . У меня автомобиль Митсубиси Делика Д5 2008г.в. , с бесключевым доступом . После автозапуска , по приходу в машину не проворачивается барашек замка зажигания пока не заглушишь двигатель педалью газа .

Потому что мотор уже заведен, значит по мнению электроники машины- барашек уже давно повернут..


Читал что блокиратор замка зажигания управляется по CAN блоком бесключевого доступа.

Да, именно так.



Возможно ли как то реализовать, чтоб система бесключевого доступа разблокировала замок зажигания , что бы я мог провернуть его после запуска и поехать не глуша двигатель? 

Да. Изучайте материал тут

https://can.starline.ru/data/scheme/6da11340bbf9155cf5b438127d944ac52342e315.pdf


https://can.starline.ru/data/scheme/a2ca9cb8d683465d719bd9cbc5debd1471fdbb54.pdf

Пин №6 - это не индикатор. это провод контроля зажигания. Если его порвать -барашек повернется.

Ищите блок интелкея в своей машине. Он наверняка такой же.

Я так понимаю аналогово можно сделать подключения для разблокировки только разбирая полностью замок зажигания снимая его вместе с рулевой колонкой и припаиваясь конкретно к блокиратору .

Варварство чистейшей воды.


Есть ли какие то другие способы ?

Он выше.

Лезьте и проверяйте всё...

Как написал  о проблеме, так   сразу  заработало  точное определение  машины )

Пин №6 - это не индикатор. это провод контроля зажигания.

Спасибо. Были  мысли  такое  сделать,  нашёл  я  этот блок, разъём 40а пиновый  отключил  от  блока и прозвонил  все   провода  на предмет  наличия  питания +12 вольт  при включенном  зажигании, таких  проводов  не  обнаружил  с питанием, есть  только  один  провод  с постоянным  питанием, он не  зависит  от  зажигания, есть  провода с питанием  маленьким , порядка  3х вольт , это  что то  Кан скорее всего.    Скажите   этот  провод  контроля  зажигания  должен  звониться  как +12 вольт или  как  то иначе, должен  он  быть  в моём  автомобиле   тоже  пином  6  или не  обязательно?         Может  этот  провод  не  должен  быть  +12 вольт?  И в какой  момент  должен  рваться  этот провод?
Варварство чистейшей воды.

Варварство, но  много лет  бьюсь над  этой  проблемой , нигде нет   информации и не  могу  победить  эту проблему.  Остаётся   только  тут  попробовать  добиться  решения  проблемы.  Если и тут  не  выйдет, остаётся  один  путь  -варварский. 

Вот кстати  что пишется  на сайте Кан. Старлайн  по Икстрейлу  этому.  Так  что  шансов  всё  меньше:"Мягкая посадка" недоступна, требуется выполнять глушение при снятии с охраны.
При дистанционном запуске возможно кратковременное появление надписи "Ошибка ikey" на информационном дисплее автомобиля.
Схема подключения цепей автозапуска доступна в разделе Схемы подключения.

Рекомендую вместо пина 6 вставить  донорный ПИН и  соединить его хвост  с настоящим ПИНом, вытащенным из гнезда разъема. Завести машину сигналкой, снять с охраны,  разомкнуть цепь ПИНа 6 и ... ВНЕСЯ В САЛОН смарт-КЛЮЧ машины, повернуть барашек...

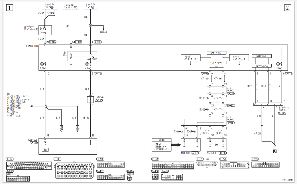
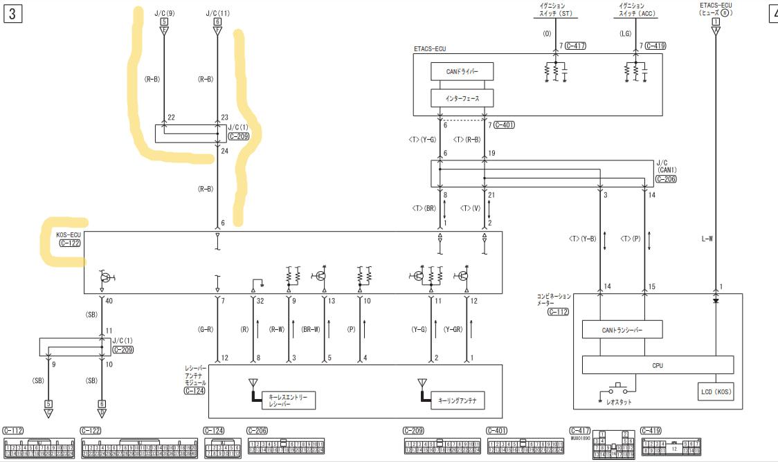
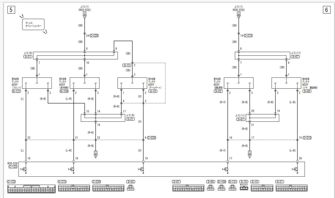
Позвольте  ещё  уточнить , пока не добрался  до машины и не разобрал.  Нашёл  схемы своей   машины, тут пин номер 6 из блока Кос  идёт на антенны , на  схемах  ниже  отметил  желтым. Точно  разрывать на  моём  авто  цепь на 6ой  пин  или  может  моя  схема всё  же  отличается от Тойотовской? 

Image 76301

Image 76302

У-у-упс. Похоже   я не прав. Придется  Вам повозиться. Провод, который нужно пытаться разорвать - придется искать Вам самому. Ссылки я дал на машины концерна Nissan, а у Вас  ММС.


В теории - чтобы  блок KOS  разрешил поворот барашка он не должен  видеть или АСС или зажигание (чтобы не понимал, что  зажигание/АСС уже включено и "думал", что  оно (а вот что конкретно -зажигание? Или АСС?) еще не включено) ...

Что касается схем.

Нашёл схемы своей машины, тут пин номер 6 из блока Кос идёт на антенны , на схемах ниже отметил желтым.

на антенны идет  питание ЧЕРЕЗ какую-то СБОРКУ разъемов (монтажный блок J/C, разъем G, перемычка между пинами 6,7,8,10) - нижняя схема.

На верхней схеме пин6 самого блока KOS ECU куда уходит (или откуда  на него и что приходит)?

  В теории - чтобы блок KOS разрешил поворот барашка он не должен видеть или АСС или зажигание (чтобы не понимал, что зажигание/АСС уже включено и "думал", что оно (а вот что конкретно -зажигание? Или АСС?) еще не включено) ...

   Действуя  согласно  этой  теории я на  снятом разъёме  с блока  Кос  провёл прозвонку  пинов в выключенном  положении замка зажигания и в включенном в   положение " Зажигание  включено", о чём  писал  выше , сигнала +12 вольт ни на  одном  пине  этого разъёма не  появляется в положении замка зажигания "зажигание  включено".  У меня  есть  подозрение  что  данный сигнал  блок Кос  может  получать от блока Етакс  по цифровому  каналу  Кан.   

  На верхней схеме пин6 самого блока KOS ECU куда уходит (или откуда на него и что приходит)?

Там оба   провода после  перемычки в разъёме С-209  уходят  на  антенны.  Я  сейчас   скину  имеющиеся у меня  схемы  от моей  машины  касающиеся  системы  Кос , может   какие то мысли у вас  появятся  после  просмотра  этих  схем , мне с моими  знаниями  пока не хватает  ума  понять  как обмануть   этот блок Кос , чтоб  он  не получал  информации о  "зажигании"  и дал  наконец то мне  провернуть  барашек  замка  зажигания.  

Очень   велико  желание  победить  в этой схватке с машиной)   так  как у нас   у стартера  больное  место  износ  крышки и последующий  излом , не  хочется  уменьшать ресурс  стартера вдвое   постоянным глушением и  повторной  заводкой  после  автозапуска.

  Я на старой  сигнализации Старлайн  А91 умудрялся  резко  газануть  набрав очень много оборотов  двигателя , одновременно  резко нажать педаль тормоза и пока  обороты не  упали барашек замка зажигания  успевал  разблокироваться и  я иногда успевал провернуть его и двигатель подхватывался и не  глох. Но с сигнализацией новой S96  такой  вариант не проходит ,  так  как всё происходит с задержками, видимо пока  идёт  общение  по Кан.   

Image 76371

Image 76372

Image 76373

Image 76374

что происходит на пине 39 блока KOS при  подключенном блоке (и при отключенном кстати тоже)?

Судя по схеме тут  должен  как раз +12  появляться  при включении зажигания, но когда  я  прозванивал  нигде не  регистрировалось  появление +12 вольт.       Попробую  ещё  раз   прозвонить всё внимательно.  

Проверил    на 39 пине разъёма KOS, при включении  зажигания  появляется  +12  вольт. 

Судя по схеме тут должен как раз +12 появляться при включении зажигания, 

Вот именно.

но когда я прозванивал нигде не регистрировалось появление +12 вольт.

Возможно  были невнимательны. Так бывает.

Попробую ещё раз прозвонить всё внимательно.

Вот именно... ВСЁ надо перепроверить. Не только пин39

39  пин  указанный  на  схеме  это  же  именно  пин  в самом  блоке  KOS?   Потому  что  по  обозначениям  указанным  на  разъёме , который  вставляется в  блок  это  номер 21  пина.      Если    на  схеме  обозначение  именно  в разъёме  блока, то на   38 пине  постоянный  плюс,  а на  39  плюс при включенном  зажигании  .   На других пинах  12 вольт нет вообще. 

Попробовал  я   разомкнуть  этот провод,  никаких  результатов.   Размыкал  до  автозапуска и после ,  не  влияет  этот провод.  Видимо  всё  же   блок KOS получает  от  машины  информацию о включенном  зажигании и работающем двигателе  по  каналу CAN.      Барашек   так  и не   проворачивается.   Видимо   кроме  как  лезти в потроха  замка  зажигания  других  вариантов  нет ,  тогда  бы  были  какие то упоминания  о  них.  А так  я  только   читаю   в интернете   и в отзывах, что  установщики  даже  сигнализаций   так  оставляют, говорят  что  ничего  нельзя сделать, это особенность  машины.      Хотя    в клубе  Делик Д5  встречался  человек, ему  как то установили  всё же  , решили  эту проблему, но  вот  как?  

Ещё  как  вариант  сделать  болванку  ключа  железного и вставить  на постоянку в скважину  замка  зажигания.    Тогда  после  автозапуска   будет  проворачиваться  барашек .   Без  иммобилайзеров   же  всё  равно  не уехать  на  машине.  Ну а что  делать?    Я покупая  более современную  сигнализацию   6го поколения Старлайн  вместо  устаревшей    надеялся  что  можно  будет  решить  эту проблему  , но  оказалось   нельзя , что расстраивает .  Попробую  ещё  в техподдержки других  производителей  сигнализаций  обратиться, может они что подскажут. 

Машина перед Вами. Передо мной точно такой же машины нет. Поэтому я лишен возможности что-то проверить и перепроверить ... Увы. 

Печально что  машина  выпускается с 2007 года а до сих  пор нет  никаких   решений  по ней (     

  Поищу ещё  немного , не найдётся, тогда  буду по теплу   снимать  рулевую  колонку и разбирать  замок   для  подпайки к  электромагниту  блокировки  замка проводов.  Варварски, но ничего  больше не  остаётся . 

Я на старой сигнализации Старлайн А91 умудрялся резко газануть набрав очень много оборотов двигателя , одновременно резко нажать педаль тормоза и пока обороты не упали барашек замка зажигания успевал разблокироваться и я иногда успевал провернуть его и двигатель подхватывался и не глох.

Попробуйте статус зажигания подключить аналогом, если он у вас берется с CAN. Тогда возможно вышеупомянутый способ сработает


Здравствуйте! Позвольте уточнить, как статус зажигания сигнализации может повлиять на разблокировку замка зажигания системой Kos при реализации мягкой посадки на Делика Д5?

+1

Статус зажигания по CAN не позволяет корректно осуществить подхват зажигания в отличии от аналогово статуса зажигания. Если у вас на А91 работал перехват в определенных условиях, то если вы сейчас переключите статус зажигания из CAN на аналоговый то возможно и на новой сигнализации сработает