
0
Peugeot 508, 2018 -
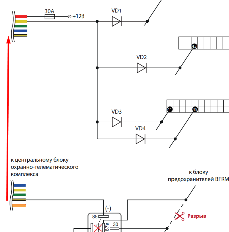
Доброго дня, можете подсказать в какую сторону посмотреть. Установил все по мануалу, прошел обучения ключа. При автозапуске первый раз пытается завести и не заводит, при втором крутит стартер минуты 2, естественно тоже не заводит и не дает остановить эту карусель. Буду благодарен любому мнению
Customer support service by UserEcho
Что установили? по какому мануалу подключили? какие настройки залили?
Если стартер крутит 2 минуты, то это прям где-то проблема в подключениях или настройках знатная
Активировать функцию с помощью сервиса CopyKey ?
черно желтый снизу и сверху, это же один и тот же провод?
нет. сверху провод силового блока плюсовой сильный
снизу провод центрального блока. слаботочка отрицательная.