0

Проблема с автозапуском лада Веста ng мкпп 1,6 25 года. заводится и гохнет через 5 сек.

direct67 4 месяца назад обновлен 4 месяца назад 14

Всем привет имеется в наличии лада Веста нг объемом 1.6 на механике приобреталась в Санкт Петербурге у дилера парнас. После обновления прошивки блока и возможно некоторых переключении(попытка включить мягкую посадку) появилась следующая проблема. Происходит автозапуск но по истечении от 5 до 30 секунд автомобиль глохнет на брелке загорается надпись неуд. Время работы в автозапуск ее зависит от положения бегунка время работы стартера в секундах на вкладке запуск двигателя. в приложении старт мастер то есть если установлено 5 секунд то работает 5 секунд если 30 то работает максимум 30 секунд и глохнет. При нахождении автомобиля в момент автозапуска панель приборов не горит печка не работает. Обращался к дилеру. помощи нет поскольку нахожусь от него в 800 км приезжать не вариант.

Сигнализация starline e96 v2 установлена у диллера

После обновления прошивки блока и возможно некоторых переключении(попытка включить мягкую посадку)

И как должны подсказать? Установщики есть же ближе 800 км ,Дилер то зачем ,уже обновили ,перенастроили ... он с гарантии по любому сигналку снимет

во-первых про гарантию я ничего не говорил прекрасно понимают что сам обновил и сам изменил настройки. Очевидно что у установщика оборудования , есть и конкретные схемы подключения и прошивки и настройки под этот (и подобные ) автомобиль. Это самый простой но в данном случае не реализуемый вариант.

если вам конкретно надо что-то уточнить спрашивайте не стесняйтесь. А исходя из позиции установщики есть рядом, можно и форум закрывать, есть же установщики.

Т.е предлагаете увидеть через монитор что ,куда подключено и как настроено?

есть и конкретные схемы подключения и прошивки и настройки под этот (и подобные ) автомобиль. Это самый простой но в данном случае не реализуемый вариант.

Есть ,но откуда уверенность что изначально было подключено как в карте? 

думаете дилер импровизирует и каждое авто по разному подключает? Там по рекомендациям СтарЛайн три варианта подключения, по настройкам можно увидеть какой вариант.

настройки вам прислать? 

+1

а файл настроек покажите?

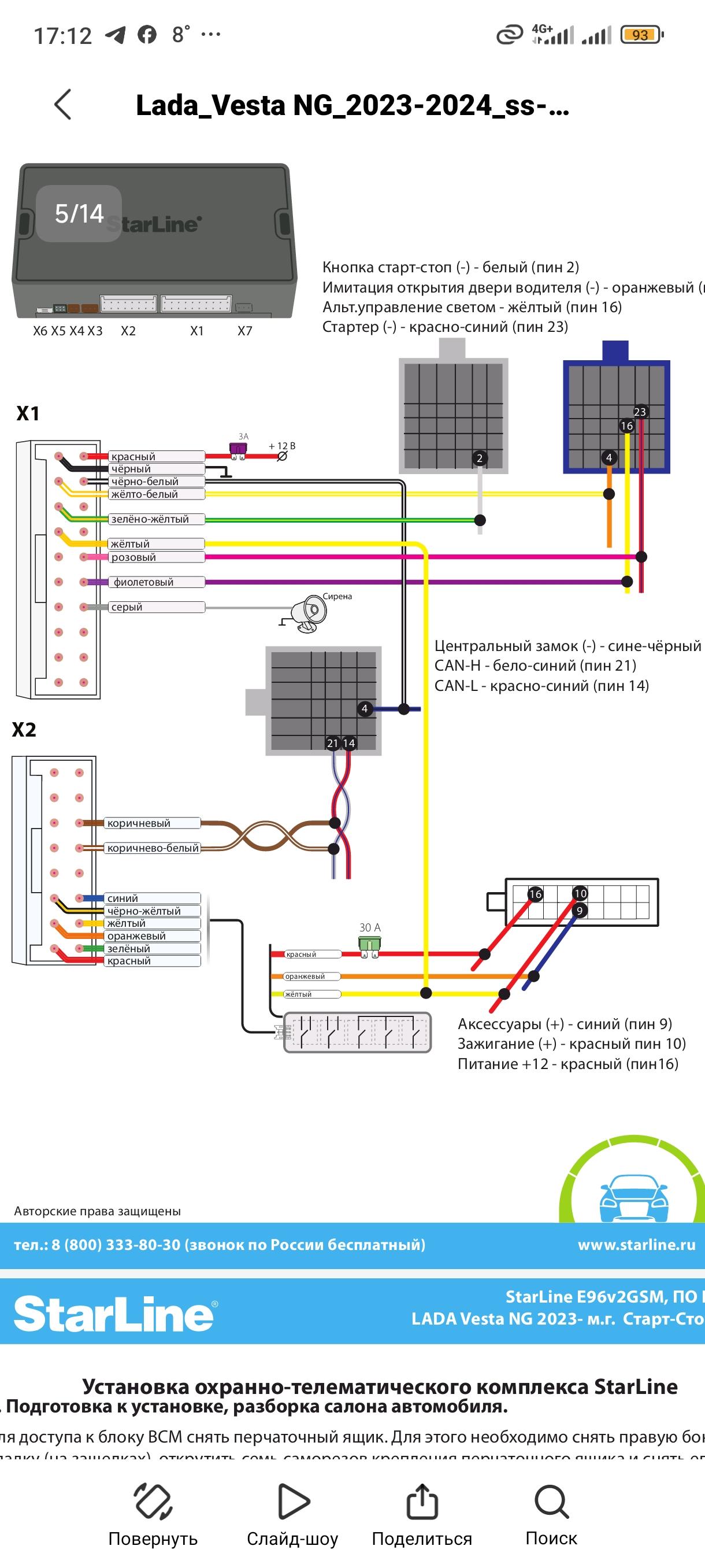
разобрался,  всем кто взялся помочь, спасибо за помощь.👍🏻 Надо было убрать красно-синий провод в положение не назначено, так же переназначить кнопку старт-стоп и стартер в разъёме x1. 

остался один вопрос при автозапуске не работает печка, что может быть?

плюс удалось обнаружить на этом форуме из того что было приложено к сигнализации три различных варианта подключения проводов к разъему x2 автозапуска.

Image 75416

+1

Вам про это и написали изначально:

Т.е предлагаете увидеть через монитор что ,куда подключено и как настроено?
есть и конкретные схемы подключения и прошивки и настройки под этот (и подобные ) автомобиль. Это самый простой но в данном случае не реализуемый вариант.
Есть ,но откуда уверенность что изначально было подключено как в карте?

Не зная-что-куда-как-ЗАЧЕМ  было реально подключено в Вашей машине и по какой "мурзилке"  (а их, как Вы уже выяснили - не одна и не две. Их если честно куда больше трех - Вы ещё не все нашли...) всё делал автолектрик автосалона и не  дорабьотал-ли он её под своё видение - "КАК НАДО" и/или "КАК ЛУЧШЕ" - правильных настроек не сделать.

Вы нашли и выяснили - что у Вас и как, откорректировали настройки под это и ... БИНГО. 


А заочно -не видя ничего  - это пальцем в небо тыкать... Тем более - когда речь идет  о шестом поколении сигнализаций с кучей настроек  практически  со всеми переназначаемыми каналами...

Таков путь самурая установщика.

да настроил не по приложенной инструкции в коробке от дилера, в по найденной в интернете.🫤. Я честно говоря грешил на какую-то галку, или на контроль запуска двигателя, по напряжению, или оборотам, или аналог, фиг знает как там было или обход иммобилайзера..... А оказалось вообще е то)

Сервис поддержки клиентов работает на платформе UserEcho